My car just stopped driving forward or reverse

2011 CHEVROLET MALIBU
263,000 MILES • 2.4L • 4 CYL • 2WD • AUTOMATIC
Avatar
THEFOURWISEBOYS
  • MEMBER
  • 1 POST
My car just stopped driving forward or reverse.
May 10, 2019 at 10:23 AM
Advertisement
Avatar
ASEMASTER6371
  • CERTIFIED EXPERT
  • 52,796 POSTS
Good afternoon,

Check the fluid level first to be sure you have sufficient fluid.

https://www.2carpros.com/articles/automatic-transmission-problems

Beyond that, I would change the fluid and filter to be sure the filter is not clogged.

https://www.2carpros.com/articles/how-to-service-an-automatic-transmission

Roy

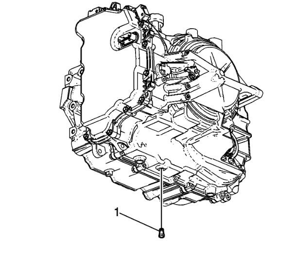
1. Raise and support the vehicle. Refer to Lifting and Jacking the Vehicle (See: Vehicle Lifting > Procedures).
2. Remove the fluid drain plug (1).
3. Drain transmission fluid into a suitable container.

Caution: Refer to Component Fastener Tightening Caution (See: Vehicle > Vehicle Damage Warnings > Component Fastener Tightening Caution).

4. Install the fluid drain plug (1) and tighten to 12 Nm (106 lb in).

Installation Procedure


imageOpen In New TabZoom/Print

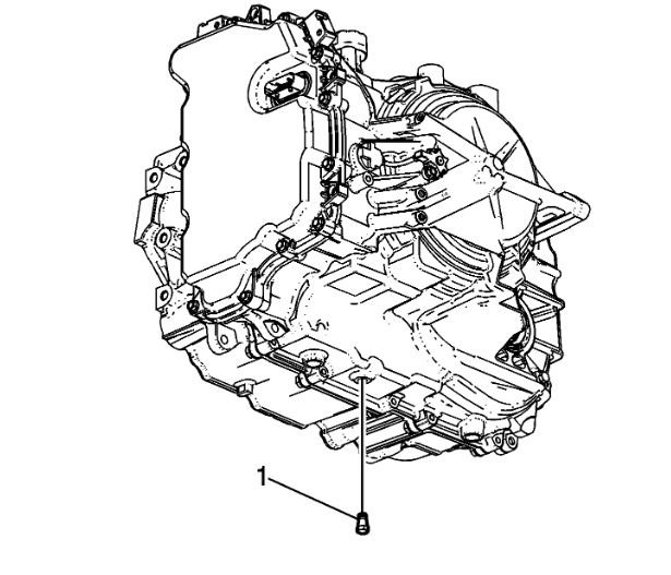
1. Lower the vehicle.
2. Remove the fluid fill cap (1).
3. Fill the transmission to the proper level with the correct fluid. Refer to Transmission Fluid Level and Condition Check (See: Automatic Transmission/Transaxle > Component Tests and General Diagnostics > Transmission Fluid Level and Condition Check) and Fluid Capacity Specifications (6T40/45/50) (See: Fluid - A/T > Capacities).
4. Install the fluid fill cap (1).
May 10, 2019 at 1:24 PM