hard starting when trying to turn it on when the engines warm?

2015 NISSAN PATHFINDER
128,048 MILES • 3.5L • V6 • 4WD • AUTOMATIC
Avatar
JAYSZNVR
  • MEMBER
  • 20 POSTS
I have this Issue when the car gets around 1/3 it has this issue that it will run sluggish and would have hard starting when trying to turn it on when the engines warm and will sometimes stall in red lights going downhill it's been going on for about 3 month mechanic don't want to mess with it since it doesn't show a check engine. The only check engine light I've checked with my scanner is a p0300. Also, when the car is full of gas it gets shaky in general, I don't know what to do I believe the fuel lines might be clogged. and also, around 2-3 years ago I installed new spark plugs. also, I’ve put fuel injector cleaner when the problem first started and not really changed. If anyone could please help.
Jul 3, 2024 at 7:05 AM
Advertisement
Avatar
AL514
  • CERTIFIED EXPERT
  • 5,465 POSTS
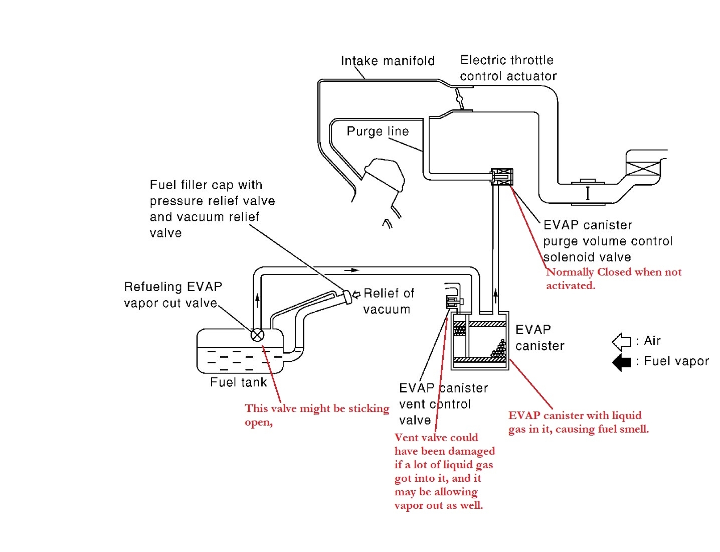
Hello, I would check the Evap purge solenoid for a couple things, first make sure its fully closed when it unplugged, you can unbolt it and see if you can blow air through it, I'll post a diagram of its location. And 2nd check the vacuum and vapor lines going to it and from it to the intake manifold for any liquid gasoline. Since the purge valve is only made to pull fuel vapors from the gas tank.

One other thing, when refueling do you stop filling the tank as soon as the handle at the gas station clicks off? And this is an important question, if you do its understandable, many people do not know how these vapor system work.

Some people have a habit of pulling the filling handle out a little more with the hopes of getting more gas in the tank, but this causes an actual overfill of the tank and gas ends up getting into the Evap (vapor management system) sometimes floods the Charcoal Canister and when the vehicle sits, if the purge valve is stuck partially open, the intake manifold fills with fuel vapor causing extended cranking/ hard starting symptoms. The engine misfiring (getting shaky) may be caused by an overly rich mixture if liquid gas is being pulled threw the vapor system when the tank is full, but I'll get the Purge Solenoid diagram for you.

I'll look over the technical bulletins as well for you.
Also, you're sure there are no other codes stored in any other modules in the vehicle, not just the engine computer. Did you have a full system scan done?

https://www.2carpros.com/articles/engine-cranks-excessively-before-starting
Jul 3, 2024 at 7:38 AM
Avatar
JAYSZNVR
  • MEMBER
  • 20 POSTS
thanks. I'll admit I do sometimes tend to fill it up more so that could be an issue.
Jul 3, 2024 at 7:51 AM
Advertisement
Avatar
JAYSZNVR
  • MEMBER
  • 20 POSTS
There wasn't any other codes I did have one for my air box because it was loose so I got new clips and that fixed the code.
Jul 3, 2024 at 7:54 AM
Avatar
AL514
  • CERTIFIED EXPERT
  • 5,465 POSTS
What code was it setting for the air box? Yeah, many people overfill the tank, not knowing its possible, but the handle at the gas station clicks off when it detects vapor coming out, showing the tank is full. So what happens when the Charcoal canister comes into contact with liquid gas is the charcoal inside starts to break apart and tiny pieces of it end up being pulled into the vapor hoses which lead to the Purge Solenoid, and once its clogged up with those tiny pieces and/or liquid gas is the solenoid sticks open, it doesn't even have to be fully open, just enough for intake manifold vacuum to pull excessive vapor and gas into the engine.

The engine computer monitors the gas tank pressure by a very sensitive sensor, but many systems work differently but the same idea. There is a Vent Solenoid that allows fresh air into the Canister while the vapors are being pulled, but when you get down to 1/3 or 1/4 tank of gas, there could be too much air being drawn into the vapor management system due to gas damaging certain parts, and you might be running into a lean misfire at that point, but Ill post some service info for you to see where these components are located, the Charcoal canister is normally located back by the gas tank, you'll have to take a look for it but it's difficult to miss.

You should be able to take the hose off or if possible shake the canister and see if you hear any gasoline sloshing around inside, the best thing to do is take the canister off if possible and check for bits of charcoal falling out, then you'll know the canister is junk, but below, the 1st and 2nd diagrams are for checking the Purge Solenoid which is located in the engine compartment, you might need to remove the engine cover to see it.

Diagrams 3,4 are the Canister and the Vent valve that's attached to it. Both should be checked. Here are some guides, although you're not really dealing with an external leak at this point, most likely the Purge valve is not fully closing, so start there and let us know what you find.

The 5th diagram is of the entire Vapor management system, it shows how it works, it takes very specific conditions for the Evap monitors to run, so I think this would have eventually set a code for something related.

https://www.2carpros.com/articles/how-emission-control-systems-work

https://www.2carpros.com/articles/evap-system-code-repair
Jul 3, 2024 at 8:33 AM
Avatar
JAYSZNVR
  • MEMBER
  • 20 POSTS
The code for the airbox was a p0113 but after i fixed the airbox the code didn't come back up. I also forgot to mention when i would start my car it has a strong smell of gas in the driver's side where the gas tank is placed.
Jul 3, 2024 at 8:42 AM
Avatar
AL514
  • CERTIFIED EXPERT
  • 5,465 POSTS
Okay, that smell of gas is most likely coming from the Canister itself, I would really try to look into this issue as soon as possible, with a lot of fuel vapors around the vehicle, that's not a safe situation. Hot exhaust, and generally the high temperatures outside we have been getting, depending on where you are located, you just don't want to run into a really bad problem. How much gas is in your tank right now?
Jul 3, 2024 at 8:55 AM
Avatar
JAYSZNVR
  • MEMBER
  • 20 POSTS
half way full.
Jul 3, 2024 at 9:01 AM
Avatar
JAYSZNVR
  • MEMBER
  • 20 POSTS
A mechanic yesterday told me it was a fuel issue but didn't want to check it since it show a check engine light.
Jul 3, 2024 at 9:02 AM
Avatar
AL514
  • CERTIFIED EXPERT
  • 5,465 POSTS
He didn't want to diagnose it because there was no check engine light? Well I would find a decent shop and explain what the issue might be, just tell them you accidently overfilled the tank, and you think the Evap canister and Purge valve might be the issue, that way they will know where to start checking.
Jul 3, 2024 at 9:05 AM
Avatar
AL514
  • CERTIFIED EXPERT
  • 5,465 POSTS
I really don't want to see something bad happen due to all these gas fumes floating around your vehicle.
Jul 3, 2024 at 9:07 AM
Avatar
JAYSZNVR
  • MEMBER
  • 20 POSTS
alright I live in NYC I tend to have issues trusting mechanics I've had bad past with going to random mechanics how could I check the canister I know the location of it I just dont know how to test it.
Jul 3, 2024 at 9:13 AM
Avatar
AL514
  • CERTIFIED EXPERT
  • 5,465 POSTS
If you can get to the hoses attached to it, just try disconnecting some and see if any gas comes out, I'm not really sure how much is in the way on a 2015 to get the canister out or at least pull some hoses off, sorry I should have added the 2nd part to the Vent solenoid removal, it locks into position by turning it (2nd diagram). Once you have it out, try to shake the canister if you can,
With this Canister inspection diagram (3) try putting a piece of hose on the B port, block the A port and blow some air through it, see what comes out, you might find gas dripping out if you remove the Vent solenoid, if you're smelling gas that much, something to keep in mind is the hotter it is outside the more gas vapors are going to be generated, and that's not a good situation, use a flash light and inspect as much as you can, if you are able, take a look at the top of the gas tank as well, just to be sure.
Jul 3, 2024 at 9:25 AM
Avatar
JAYSZNVR
  • MEMBER
  • 20 POSTS
Alright, I did some research also I feel like it might be my evap purge valve, but I appreciate the help. luckily the evap canister is located by the spare tire so there’s enough space to test it out.
Jul 3, 2024 at 9:29 AM
Avatar
AL514
  • CERTIFIED EXPERT
  • 5,465 POSTS
The Purge valve usually fails due to it getting pieces of charcoal from the canister stuck in it, and the charcoal just deteriorates into tiny particles when the canister is flooded with liquid gasoline, that's why I asked about the over fueling part.
Jul 3, 2024 at 9:36 AM
Avatar
AL514
  • CERTIFIED EXPERT
  • 5,465 POSTS
It's a common occurrence.
Jul 3, 2024 at 9:36 AM
Avatar
JAYSZNVR
  • MEMBER
  • 20 POSTS
oh, okay, thank you for your help.
Jul 3, 2024 at 9:38 AM
Avatar
JAYSZNVR
  • MEMBER
  • 20 POSTS
if anything I'll let you know.
Jul 3, 2024 at 9:39 AM
Avatar
AL514
  • CERTIFIED EXPERT
  • 5,465 POSTS
Yes, please let us know what you find. Checking the purge valve is probably easiest first.
Jul 3, 2024 at 9:46 AM
Avatar
JAYSZNVR
  • MEMBER
  • 20 POSTS
the canister look fairly new I was tapping and moving it no fluid sound of movement I'm guessing it's the purge valve.
Jul 3, 2024 at 2:55 PM
Avatar
JAYSZNVR
  • MEMBER
  • 20 POSTS
this is how it looks like.
Jul 3, 2024 at 2:57 PM
Avatar
AL514
  • CERTIFIED EXPERT
  • 5,465 POSTS
Just looking at the outside of it won't tell you anything, that doesn't look new at all, you need to be able to see if the charcoal inside has broken apart, and believe me when it comes apart, it ends up in tiny particles that get stuck throughout the Evap vapor hoses all the way up to the purge valve. You can pull the purge valve off and see if it's stuck open, but if you find it is, tap it out and see if any black dirt particles come out, that's charcoal, and if so, the new purge valve you install will just get clogged up again. I see a lot of rust there, take the Vent valve off and inspect it as well.
Jul 3, 2024 at 3:23 PM
Avatar
JAYSZNVR
  • MEMBER
  • 20 POSTS
okay, I also tried turned it on 2 the first time i got a strong fumes smell but then went away the 2nd time after 5 minutes there wasn't any smell.
Jul 3, 2024 at 3:32 PM
Avatar
AL514
  • CERTIFIED EXPERT
  • 5,465 POSTS
That's because the engine vacuum is pulling all the fumes into the engine, with that much vapor loss is not safe.
Jul 3, 2024 at 3:53 PM
Avatar
JAYSZNVR
  • MEMBER
  • 20 POSTS
oh okay, I understand.
Jul 3, 2024 at 6:46 PM
Avatar
JAYSZNVR
  • MEMBER
  • 20 POSTS
When I look inside do I have to disconnect all the lines because one of the hose clamps look too rusty to uninstall and install.
Jul 3, 2024 at 6:49 PM
Avatar
AL514
  • CERTIFIED EXPERT
  • 5,465 POSTS
Just replace the hose clamp, no biggie, after checking the Purge valve for sticking, if you find it is stuck open partially, tap it on the ground and see if any black charcoal bits fall out. Do the same with the canister, the charcoal might come out like this, all broken up into tiny pieces, these then get sucked into the evap hose going to the purge valve and then the intake manifold, being pulled by the engine's intake manifold vacuum. You need to be sure if the purge valve has failed. Below is a failed canister, you shouldn't be smelling any gas outside or inside the vehicle. If it is pulling gas into the intake, it will eventually ruin the catalytic converter(s), then you'll be paying thousands to replace them, so do yourself the favor of checking the system. There's no check engine light setting yet, but it will happen soon. Check the filler neck as well, there are rubber hoses going down to the tank, look for any wet areas or areas that have collected a lot of dirt from possibly being wet with gas. If you can see on top of the gas tank as well, try to take a look on top where the hoses enter the tank, look for leaks.
Jul 3, 2024 at 8:47 PM