My brake lights won't shut off

2010 MERCEDES BENZ C300
55,000 MILES • 6 CYL • 4WD • AUTOMATIC
Avatar
GREEKLONGBOARDER
  • MEMBER
  • 1 POST
I have a 2010 Mercedes c300 4matic sport and the break lights just wont shut off! The car turns on and drives well but the break lights keep staying on when I take the keys out of ignition. I'm positive it has to do with the brake light switch. I tried searching for it under the driver dashboard on the arm of the brakes but couldn't find anything looking like a switch. I looked at so many you tube videos of the locations of these switches and none matched my cars kind. Because I have school early in the morning I didn't want the battery dying so I took out both light bulbs in back. So, where is this switch located on this type of vehicle? And is it okay that I took out the light bulbs? Please answer and Thank You!
Oct 20, 2014 at 1:50 PM
Advertisement
Avatar
STRAILER
  • CERTIFIED EXPERT
  • 53,854 POSTS
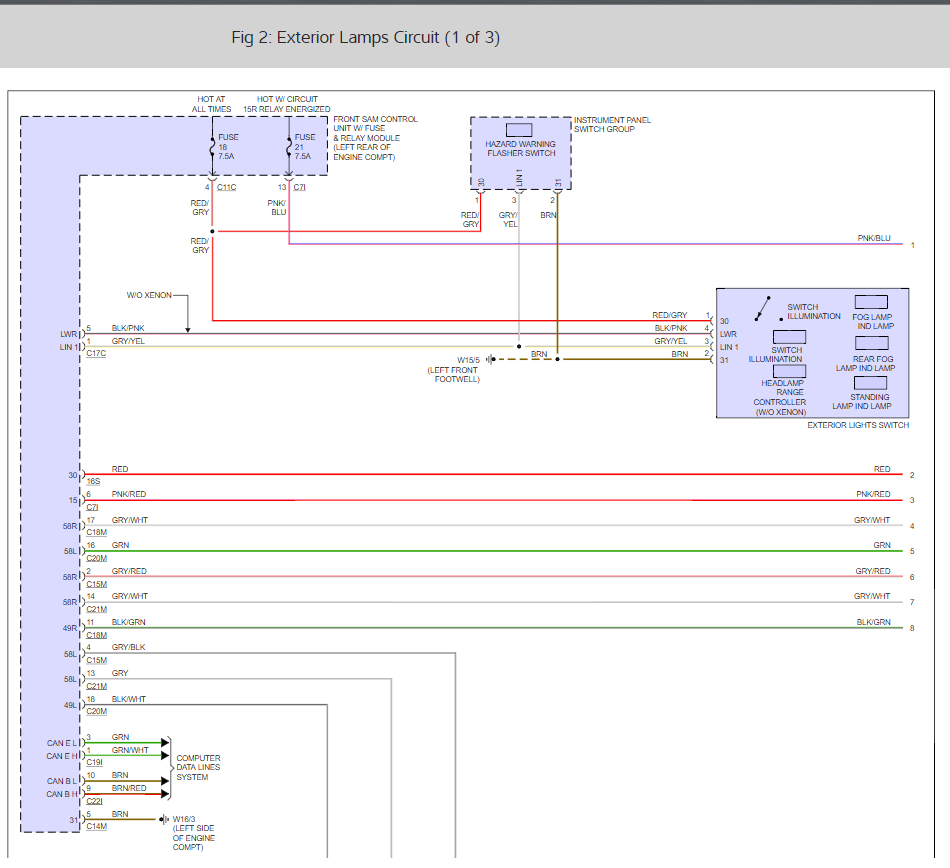
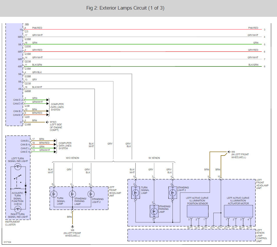
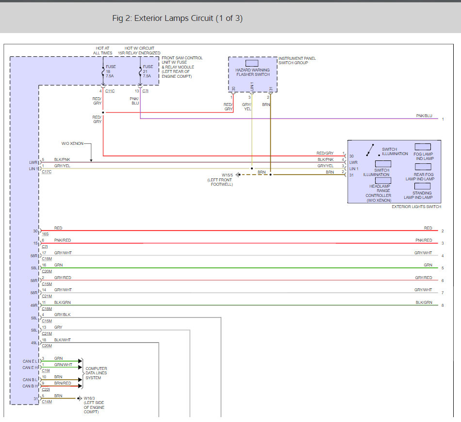
It sounds like you have a rear SAMS module that has gone bad. Here are the wiring diagrams (below) and a guide so you can confirm the lack of input signal to make sure the module is bad before replacing it.

The sam module is located in the trunk on the left side.

https://www.2carpros.com/articles/how-to-check-wiring

and

https://www.2carpros.com/articles/how-to-use-a-voltmeter

Please let us know if you need anything else to get the problem fixed.

Cheers, Ken
Aug 31, 2017 at 3:18 PM