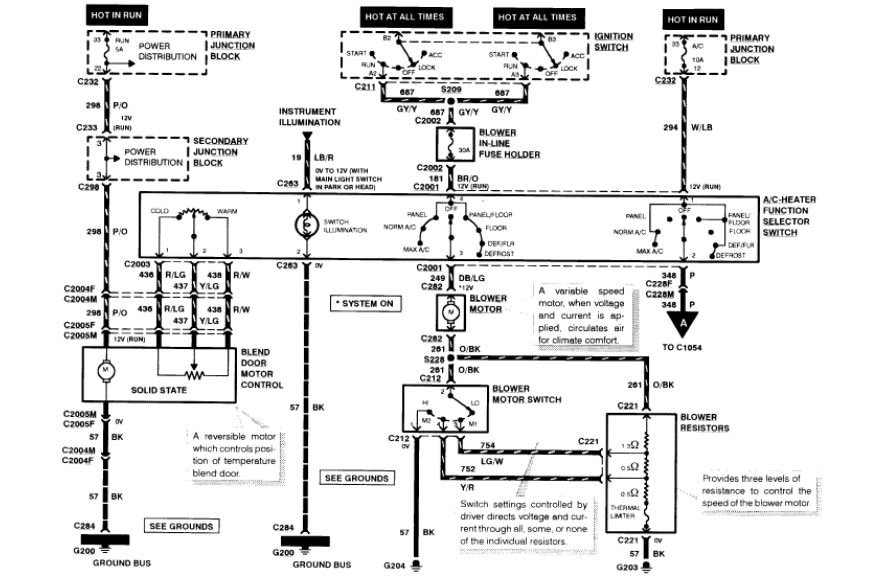
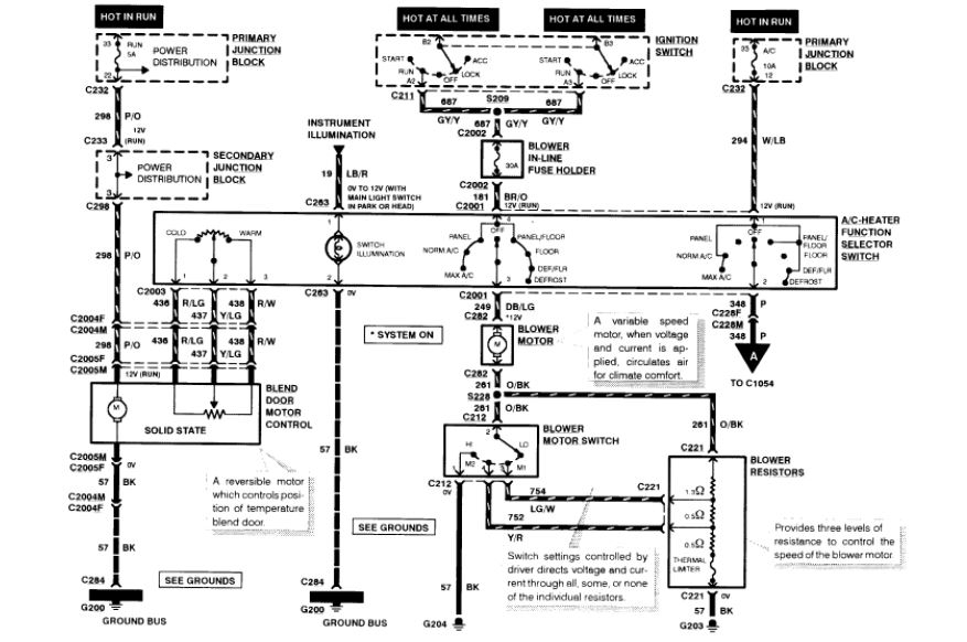
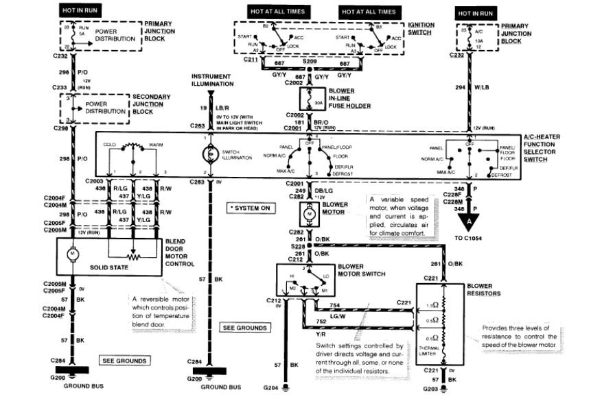
I just bought the car listed above (XR7 model). Last night, my blower was working fine then stopped. Today, I went to AutoZone, purchased a new blower motor, plugged it in, still nothing. So I ordered a new resistor for the motor. This one has a lot crud up. I also checked the fan control, and it seems to be okay. Help what can I do? Fuses are all fine, and in place. All connections are good.
Feb 18, 2018 at 1:38 PM
