The front blower motor is not working?

2010 FORD EXPEDITION
197,000 MILES • 5.4L • V8 • 2WD • AUTOMATIC
Avatar
GERMANSTEVEN
  • MEMBER
  • 4 POSTS
I replaced the blower motor, resistor, and checked fuses and relays. It seems to me like it is a grounding issue at this point. Any advice be appreciated. Oh, it is the manual climate control.
Sep 21, 2024 at 11:02 AM
Advertisement
Avatar
STRAILER
  • CERTIFIED EXPERT
  • 53,854 POSTS
Sure, the ground can go bad and cause this issue, here is a guide to help you test the ground and power circuits with a test light easy:

https://www.2carpros.com/articles/how-to-test-an-automotive-hvac-system-blower-fan-motor-a-detailed

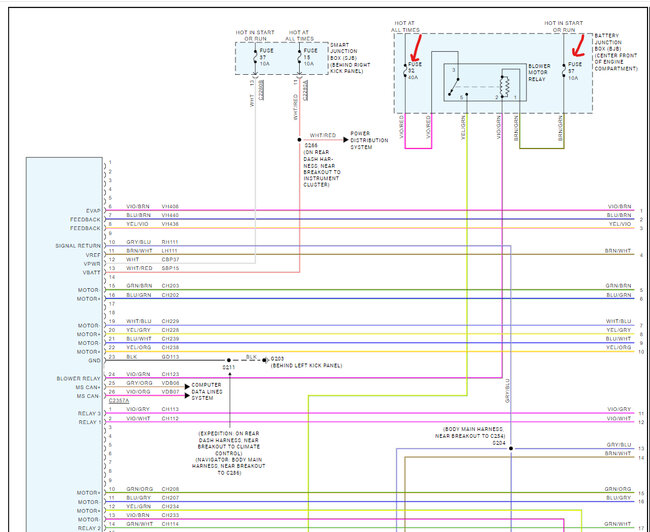
The G200 ground is behind the right kick panel, here are the blower motor wiring diagrams so you can see how the system works. Check out the images (below). Please upload pictures or videos in your response of any problems so we can see what to help you with.
Sep 21, 2024 at 11:53 AM
Avatar
GERMANSTEVEN
  • MEMBER
  • 4 POSTS
Thanks. I put a test light on the hot and there is power at the motor. There is no power at resistor. Also the climate control module has power but the switch does not output any to the resistor. Any idea where to look next?
Sep 24, 2024 at 10:33 AM
Advertisement
Avatar
STRAILER
  • CERTIFIED EXPERT
  • 53,854 POSTS
Power for the blower motor is supplied by the blower motor relay, they just vary the ground circuits. Did you check the HVAC module ground? if the ground is good then the HVAC control module has gone out. Check out the images (below). Let us know how it goes.
Sep 24, 2024 at 2:16 PM
Avatar
GERMANSTEVEN
  • MEMBER
  • 4 POSTS
Thanks. I have not had time to check further but today I was sitting in my car during lunch and 20 min with the ignition in on position the blower kicked in. I wiggled wires and it still worked. Moved all dials on control module and when I moved cold to hot it turned off. On drive him ac turned on while driving and worked all the way back home. Same result. Moved dial from hot to cold and it turned off.
Sep 26, 2024 at 4:33 PM
Avatar
GERMANSTEVEN
  • MEMBER
  • 4 POSTS
Thanks. I have not had time to check further but today I was sitting in my car during lunch and 20 min with the ignition in on position the blower kicked in. I wiggled wires and it still worked. Moved all dials on control module and when I moved cold to hot it turned off. On drive him ac turned on while driving and worked all the way back home. Same result. Moved dial from hot to cold and it turned off
Sep 26, 2024 at 4:33 PM
Avatar
STRAILER
  • CERTIFIED EXPERT
  • 53,854 POSTS
Okay, if the ground is good it looks like the HVAC control module is bad.
Sep 27, 2024 at 10:47 AM