Blinkers do not work but the flashers do work

2006 HYUNDAI ELANTRA
17,984 MILES • 4.0L
Avatar
KIETH SALYER
  • MEMBER
  • 9 POSTS
I replaced the flasher; I replaced the blinker switch arm control arm and still nothing.
Jan 26, 2022 at 11:23 AM
Advertisement
Avatar
JACOBANDNICKOLAS
  • CERTIFIED EXPERT
  • 110,175 POSTS
Hi,

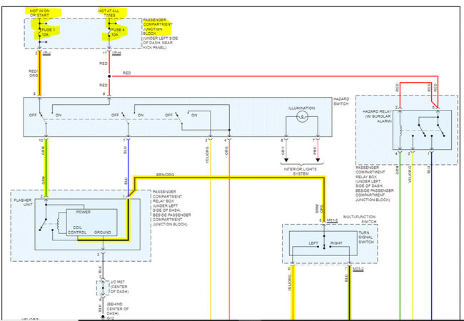
The hazard lights and turn signals are powered by two different supplies. Have you checked fuses?

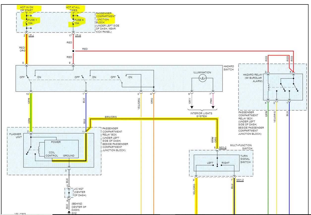
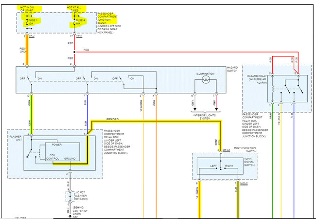
If you look below, I attached two pics from the exterior lighting circuits schematics. I highlighted two fuses which are located in the passenger compartment fuse box, left side under dash.

Check both fuses. One will only have power with the key in the run position (fuse 1). Fuse 4 will have power at all times. Inspect the fuses and then confirm both have power to and from them. Here is a link that you may find helpful.

https://www.2carpros.com/articles/how-to-check-a-car-fuse

Try this and let me know what you find. Note, it's important that even if a fuse appears good, you check for power in and out from it. The last pic shows the fuse locations in the box.
Jan 26, 2022 at 5:38 PM
Avatar
KIETH SALYER
  • MEMBER
  • 9 POSTS
Yes, I have checked both the fuses, they are both good. I have replaced the relay and I have replaced this blinker arm control which has the lights headlights on it. my hazards work, but I push the hazard button, but the blinkers do not work like there is no power whatsoever to them for some reason.
Jan 27, 2022 at 5:44 PM
Advertisement
Avatar
JACOBANDNICKOLAS
  • CERTIFIED EXPERT
  • 110,175 POSTS
Hi,

I need some clarification. You indicated, "I have replaced this blinker arm control which has the lights headlights on it my hazards work but I push the hazard button, but the blinkers do not work like there is no power..." Is it the turn signals or hazards that don't work? Reading the above, it sounds like the hazards work, but if you push the hazard button, they don't work. LOL

I'm sorry. I'm just trying to figure out exactly what doesn't work.

Thanks,

Joe.
Jan 27, 2022 at 7:02 PM
Avatar
KIETH SALYER
  • MEMBER
  • 9 POSTS
My blinkers do not work, but my hazards do. I have replaced the blinker arm I replace the relay I have checked the fuses they all work and are good.
Jan 29, 2022 at 10:48 AM
Avatar
JACOBANDNICKOLAS
  • CERTIFIED EXPERT
  • 110,175 POSTS
Okay, when you were saying binkers, I was confused because both circuits blink. If the turn signals are not working, we need to determine where power is lost.

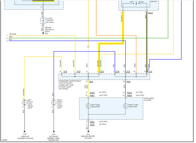
I attached a pic below and circled a wire at the turn signal switch that needs to be checked. It is a brown wire with an orange tracer. Check to see if it has power when the key is in the run position.

I'm recommending starting at this point because you confirmed the fuses are good and have power. I need to know if that power makes it to the switch itself.

Let me know.

Joe
Jan 29, 2022 at 1:59 PM
Avatar
KIETH SALYER
  • MEMBER
  • 9 POSTS
Hello Joe, this is Heath with the blinker problem. Sorry, it's been a while since I got back to you, but I've had things come up. my blinker issue is still a problem I'm not really sure how to check for power to the blinker. I pulled my wire connector loose from the blinker arm and I checked it with my voltage meter, but I got some wires that have power there's some that don't. I'm finding brown wires as your diagram explained, but I don't really see it orange wire there's a kind of a faded one, but I'm really not sure what to test to see if I do have the power. I checked my fuse relay, and I found the power down to it, but I still do not have blinkers. so, if you could please help me I would really appreciate it. thank you
Feb 7, 2022 at 7:13 PM
Avatar
JACOBANDNICKOLAS
  • CERTIFIED EXPERT
  • 110,175 POSTS
Hi,

The power supply will be a brown wire with an orange tracer. The wire is brown, but it will have an orange stripe going through it. Is that what you are finding?

Let me know.

Joe
Feb 8, 2022 at 7:00 PM
Avatar
KIETH SALYER
  • MEMBER
  • 9 POSTS
Yes, I found a brown wire with the orange stripe in it. I hope my texture to it and I have no power at that point.
Feb 10, 2022 at 11:17 AM
Avatar
JACOBANDNICKOLAS
  • CERTIFIED EXPERT
  • 110,175 POSTS
Okay, I need you to check two things. Power for the turn signals is provided via fuse 1 in the instrument panel fuse box. I need you to recheck that fuse. If the fuse appears good, confirm there is power on both sides with the fuse installed. Here is a link showing how that is done:

https://www.2carpros.com/articles/how-to-check-a-car-fuse

Note: Fuse 1 will only have power with the key in the run position. If the fuse is good and has power to both sides, move to the next check.

Next, I need you to confirm if the reverse lights are working. Power to the reverse lights is provided via the same fuse. If they don't work but the fuse checked out, we have an open circuit at some point. If they do work, either the flasher is bad, the switch is bad, or there is an open preventing power to the switch (which is the orange/brown wire). When I say switch, I'm referring to the hazard switch.

Afterthought: Also, check fuse 4 in the same box.

Let me know what you find.

Joe

See pic below.
Feb 10, 2022 at 5:48 PM
Avatar
KIETH SALYER
  • MEMBER
  • 9 POSTS
Hey Joe, on my flasher itself which one is the main power for the battery? is it 87 85 86 so on and so on? please let me know,
Feb 11, 2022 at 7:54 PM
Avatar
KIETH SALYER
  • MEMBER
  • 9 POSTS
Yes, I do have power to the fuse one and four and my reverse lights are working. still no blinkers and my hazard lights work when I push the hazard button.
Feb 11, 2022 at 8:04 PM
Avatar
JACOBANDNICKOLAS
  • CERTIFIED EXPERT
  • 110,175 POSTS
Hi,

Fuse 1 is for the turn signals. Fuse 4 is for the hazard lights and should have power at all times. The problem is we are losing power to the brown/orange wire between the flasher and turn signal switch.

You checked the brown/orange wire and indicated there was no power. I next need you to locate the green wire between the hazard switch and the flasher and check for power. We need to work backward to determine where power is lost.

In this case, if the green wire does have power with the key on, then I will ask you to check for continuity to ground via the black wire at the flasher unit. If both check good, green wire for power and black for ground, the flasher has to be bad.

I hope that makes sense. Let me know your findings, if you have questions, or if I can help in any way.

Take care,

Joe

See pic below.
Feb 11, 2022 at 10:22 PM
Avatar
KIETH SALYER
  • MEMBER
  • 9 POSTS
Where would the hot wire go on which terminal on the flasher?
Feb 11, 2022 at 11:14 PM
Avatar
JACOBANDNICKOLAS
  • CERTIFIED EXPERT
  • 110,175 POSTS
Keith, that doesn't look like a turn signal flasher. I looked it up when I saw your pic. The manual shows me a 3-pin connector. See attached pic.

Here is a link that explains how to test a relay and identify pins. Note, they are set up differently on some and usually, there is a schematic on the side of the relay indicating power supply. Just looking at the bottom, I can't be sure.

https://www.2carpros.com/articles/how-to-check-an-electrical-relay-and-wiring-control-circuit


Let me know. What you have in the picture appears to be a relay.

Take care,

Joe
Feb 12, 2022 at 8:24 PM