Air conditioner turns off and on while driving, codes of 24 and 36

1995 CHRYSLER CONCORDE
55,057 MILES • 3.3L • V6 • 2WD • AUTOMATIC
Avatar
SPUDCHUCKER309
  • MEMBER
  • 1 POST
Hello there. I ran the diagnostic test on my car cause the A/C cuts in and out while driving. And will randomly turn on at times while driving. I got an error code of 24 and 36. A/C head unit. How would I go about fixing this issue?
May 18, 2021 at 2:28 PM
Advertisement
Avatar
KASEKENNY
  • CERTIFIED EXPERT
  • 18,907 POSTS
The code 24 is not related as that is for the throttle position sensor. However, code 36 is basically an ATC control head failure.

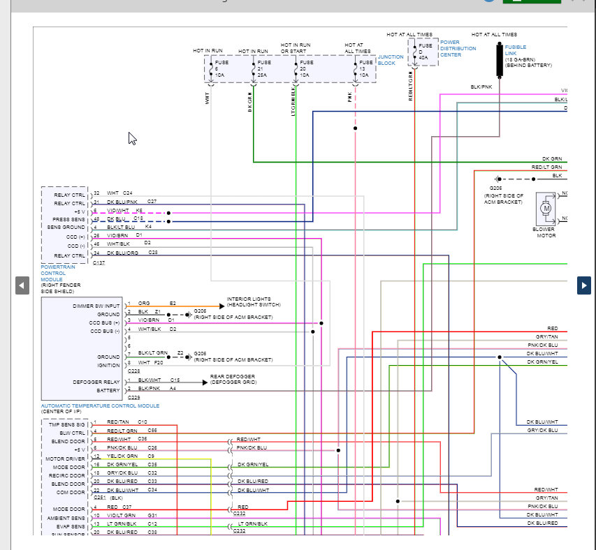
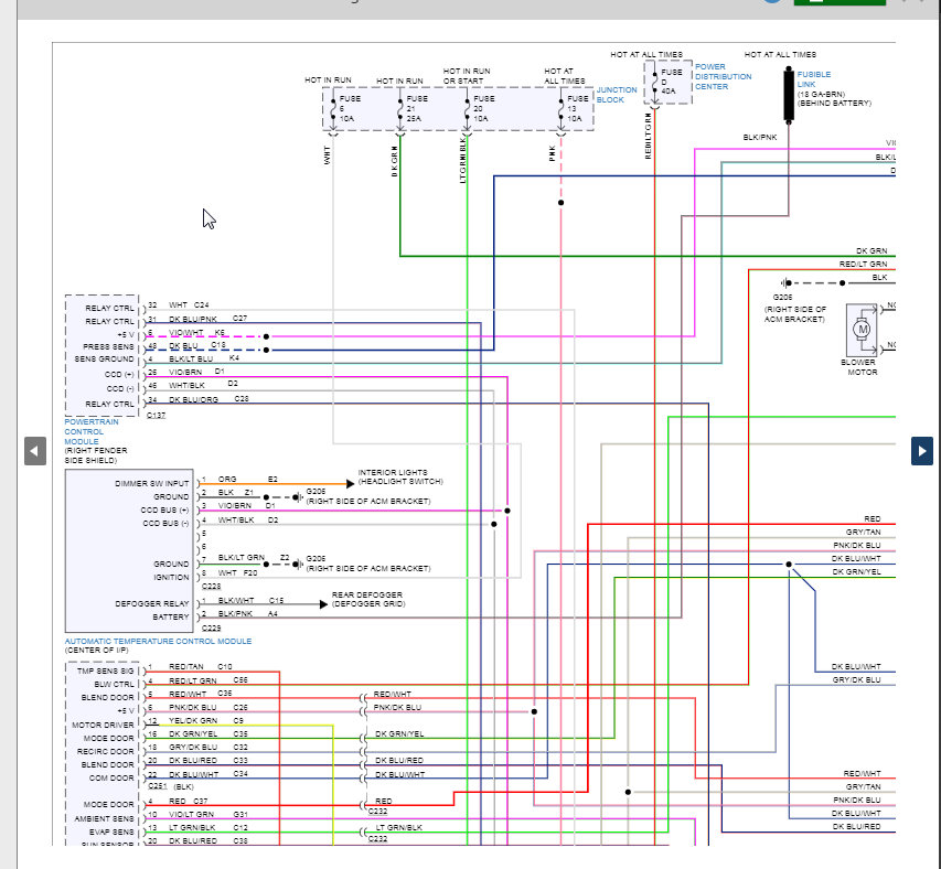
This would explain the issues that you are seeing. Looks like the control panel will need to be replaced. Please run through this material and let us know if you have other questions. Thanks
May 19, 2021 at 12:46 PM