major electrical fire ruined radio wiring harness

2002 OLDSMOBILE BRAVADA
229,467 MILES • 4.2L • 6 CYL • 2WD • AUTOMATIC
Avatar
DMTOWNSEND1
  • MEMBER
  • 21 POSTS
I recently bought my very first car but also my second vehicle. This was part of the list of my dream cars as a child. I bought this truck as a backup vehicle for my 1989 Mercedes-benz 260e. The goal was to have a backup vehicle in case a certain car needs repairs. In that case I thought the truck would be cheaper since it is an American made vehicle. As soon as I purchased the truck it has been having several electrical and mechanical problems. The previous owner was not taking care of this vehicle properly. It was misfiring like mad. It is over powered. Drinking a lot of gas. Truck gets hot quick but does not overheat. My license plate lights will not work nor the wipers nor will it even open or lock the back door. it tries to stall when i turn on the A/C. I also had the air bags light on the dash along with the "service engine soon" lights. have no e-brakes. Plus my cruise control only works once in awhile. But after this past weekend it just altered my plans. My cigarette lighter had some sort of malfunction and it caused it to start a fire under my dash. I had to put it out with water. The fire destroyed my radio, my climate control, almost all the wires in there is burnt. The charger port was still working, there was this little switch I had? I do not know if it was the traction control switch or something to open up a fan? But I am not sure about how bad it was. the truck cranked twice fine, until later the day it lost bout all of its power. I think it drained my battery. I tried jumping it off? And it said "unknown driver". it does not crank nor start at all. now I do not even know if I am going back to school or not. I feel that this entire truck needs to be rewired and my insurance will not cover it since I no longer have full coverage. And I am thinking second thoughts about my car warranty. Now I am stuck in a rock in a hard place. I just bought the fuel pump, fuel regulator, oxygen sensor, and the catalytic converter. Now I do not know what else I need. I am running out of options. Before the fire it given me a Po300 and another code for my camshaft sensor. Oh and I just replaced the camshaft sensor, along with the column switch, the throttle body and the I just put a brand new starter on this thing. So I can rule out that. it is definitely not the starter. But that is all I can think off here. I need help bad.
Jul 5, 2017 at 12:37 AM
Advertisement
Avatar
HMAC300
  • CERTIFIED EXPERT
  • 48,601 POSTS
first thing is your dealing with a truck that is fifteen years old to begin with. with harness that is burnt up you need to replace that as it may straighten out a few of your problems even running.maybe not. try a junk yard for the harness for the heater it will probably be the whole dash harness and replace the control as well as that is probably fried as well. It will need to be programmed to your truck. until that is done it is absolutely worthless to have a mechanic hook up his scanner to see what is wrong because it may effect so many modules. check all fuses under hood and inside car to see if any are damaged and probably are. I hope you got this vehicle cheap because it may take a bunch of money to straighten this out unless you are able enough to fix things.
Jul 5, 2017 at 6:44 AM
Avatar
DMTOWNSEND1
  • MEMBER
  • 21 POSTS
Update. I realised that I made an error on changing certain fuses just a month and a half prior. Only 1 fuse got melted during the fire. I just replaced the fuse to a smaller voltage fuse. But I charged the battery up and she doesn't even crank. Just tried jumping it but doesn't help. When i disconnect my cables and she thrown all the battery. So i know it's the alternator because I just changed that starter not too long ago. But along with that I get this unknown driver info. It doesn't detect my obd2 scanner. My windows doesn't work. But now I'm thinking I need some wires, new cigarette lighter, new radio and wires, and new climate control and wiring, new rear wiper thingy and an alternator. I can get them cheap from the junkyard. But really thats all I can think of really.
Jul 16, 2017 at 6:29 PM
Advertisement
Avatar
HMAC300
  • CERTIFIED EXPERT
  • 48,601 POSTS
because the harness was burnt hard telling what was destroyed. you could have burnt up modules as well. until the harness is replaced you can try a security system reset but if it still won't start this is something that will have to be done correctly with another harness try a junkyard for that. it hasto be from a bravado as well. see pic.
Jul 17, 2017 at 7:10 AM
Avatar
DMTOWNSEND1
  • MEMBER
  • 21 POSTS
I just grabbed the wiring harness from an 04 Buick rainier. They didn't have any bravadas in the yard and I figure since that the newer buick has almost the same setup. I know how to solder and that's not a problem now. The problem is that how should I migrate wires from the rainier to the bravada?
Oct 17, 2017 at 7:48 PM
Avatar
STRAILER
  • CERTIFIED EXPERT
  • 53,854 POSTS
Are you planning on replacing the entire harness or just patching it in?
Oct 18, 2017 at 12:29 PM
Avatar
STRAILER
  • CERTIFIED EXPERT
  • 53,854 POSTS
I can send you wiring diagrams or what ever you need to get the job done, just let me know
Oct 19, 2017 at 10:53 AM
Avatar
DMTOWNSEND1
  • MEMBER
  • 21 POSTS
Yes
Oct 19, 2017 at 8:00 PM
Avatar
DMTOWNSEND1
  • MEMBER
  • 21 POSTS
Also patching it on
Oct 20, 2017 at 12:20 AM
Avatar
STRAILER
  • CERTIFIED EXPERT
  • 53,854 POSTS
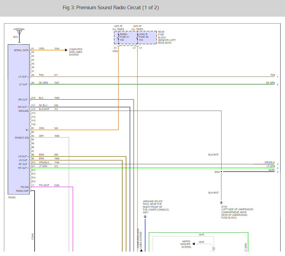
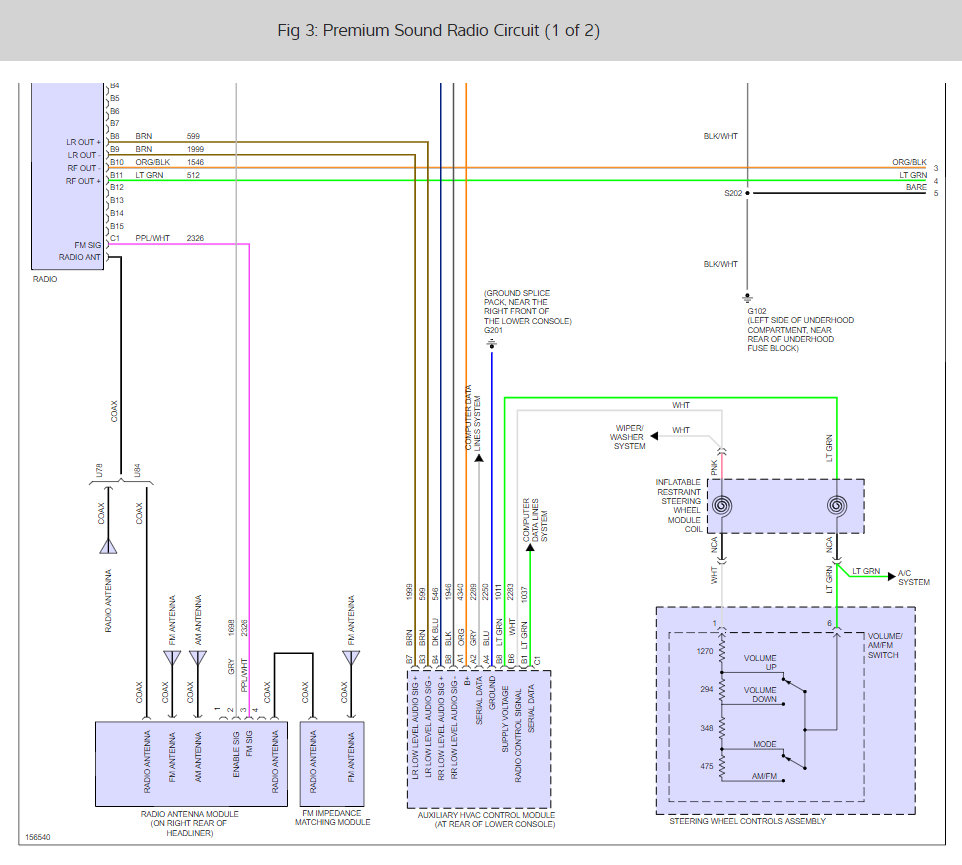
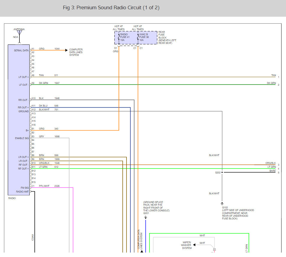
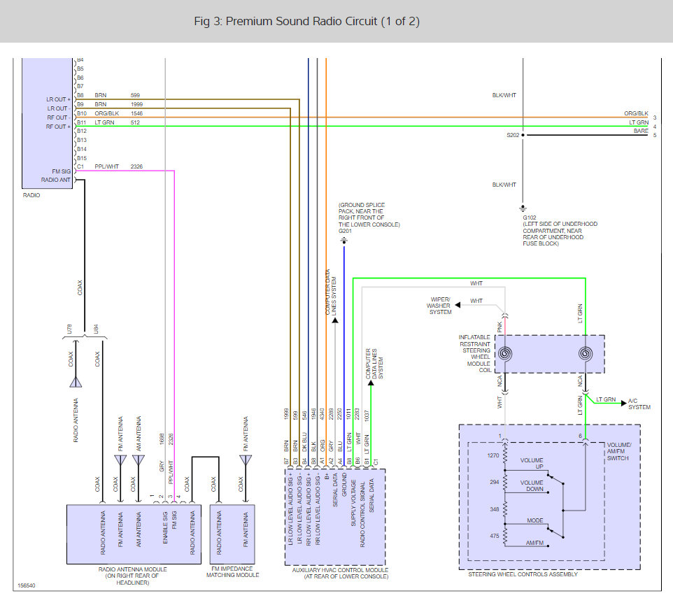
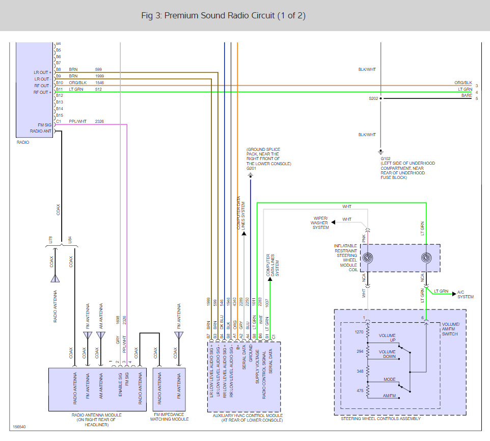
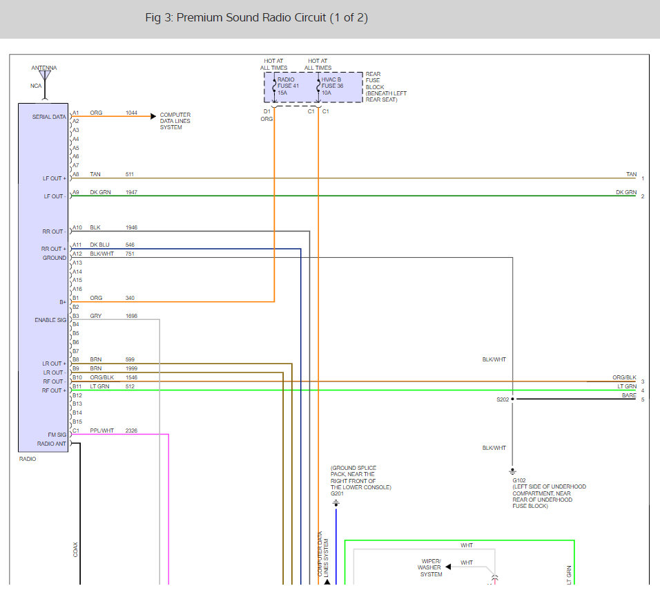
No problem here is the radio wiring diagram for the sound system. Let me know if you need anything else to get the problem fixed.

Please let us know what happens.

Cheers, Ken
Oct 20, 2017 at 12:17 PM
Avatar
DMTOWNSEND1
  • MEMBER
  • 21 POSTS
Okay. I'll print this out. But I meant I bought the harness (from the fuse box to the center dash. My old wires got melted and that 1 wre caused damage to other wires. Thats why it stopped cranking so I had to do some cutting to get the old set out. But instead i rather let my guy deal with it. But this would help him a lot. I need the diagram from the fuse box to the center dash. It's not really a full harness however I captured I think this 2wd module or something like that came from the Buick. I need whatever diagram you can give me that I can migrate for this bravada. I need more diagrams asap.
Oct 22, 2017 at 8:24 PM
Avatar
STRAILER
  • CERTIFIED EXPERT
  • 53,854 POSTS
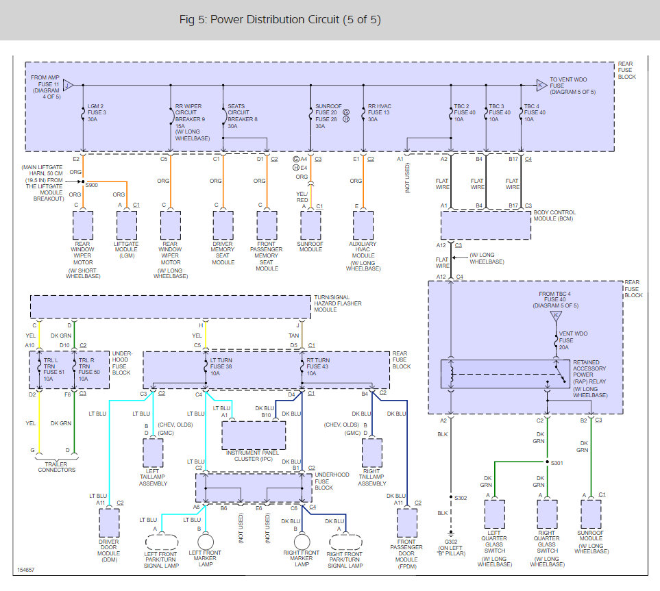
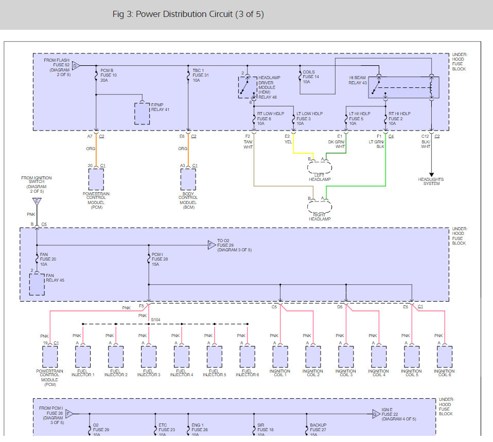
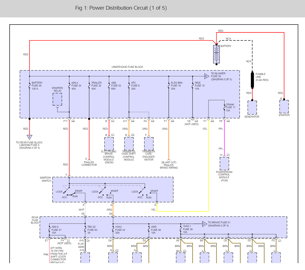
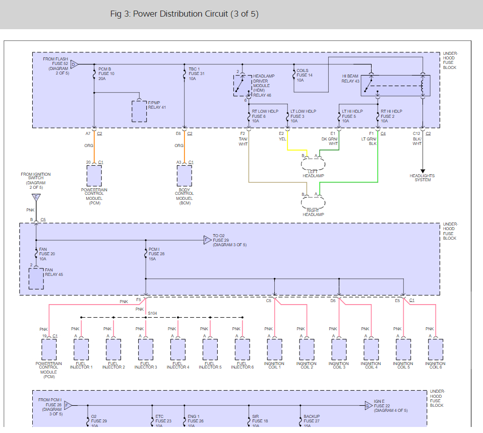
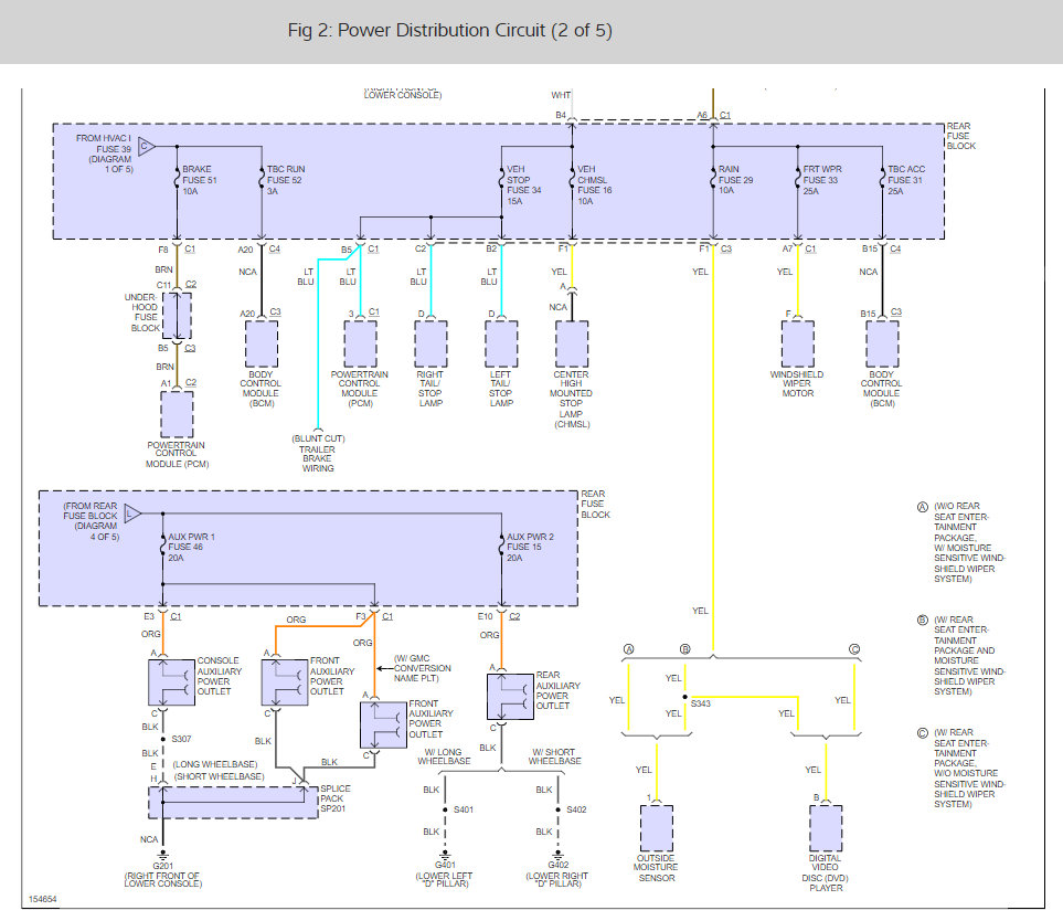
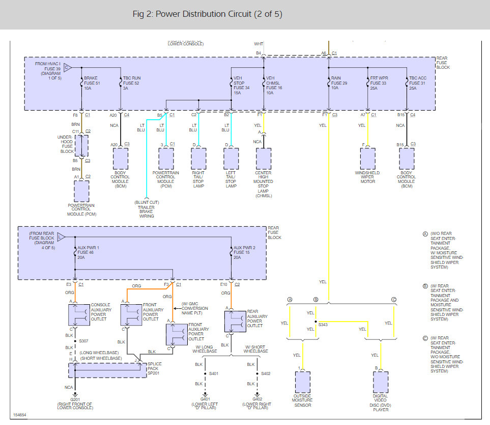
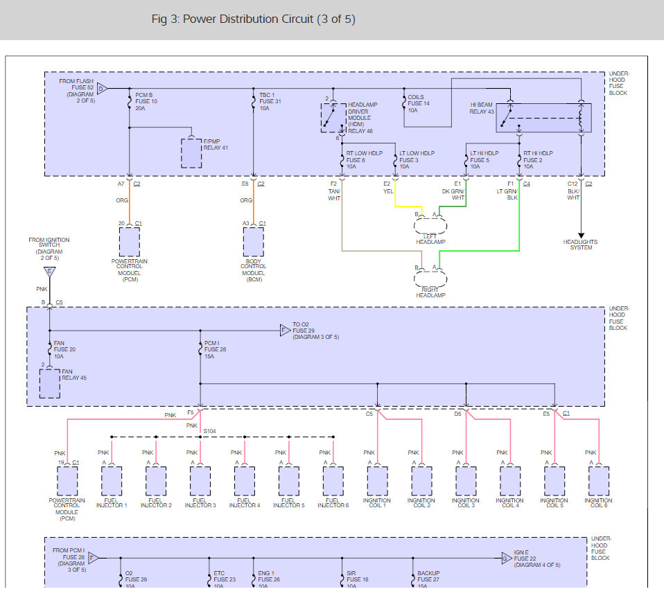
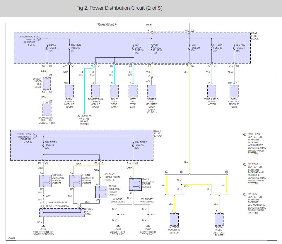
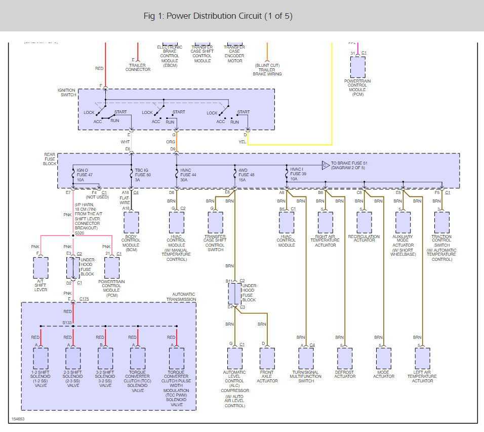
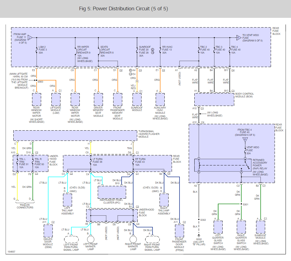
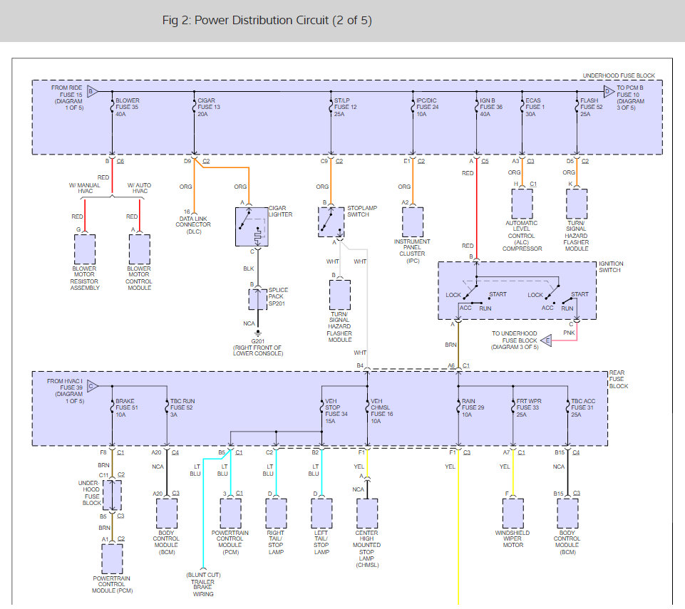
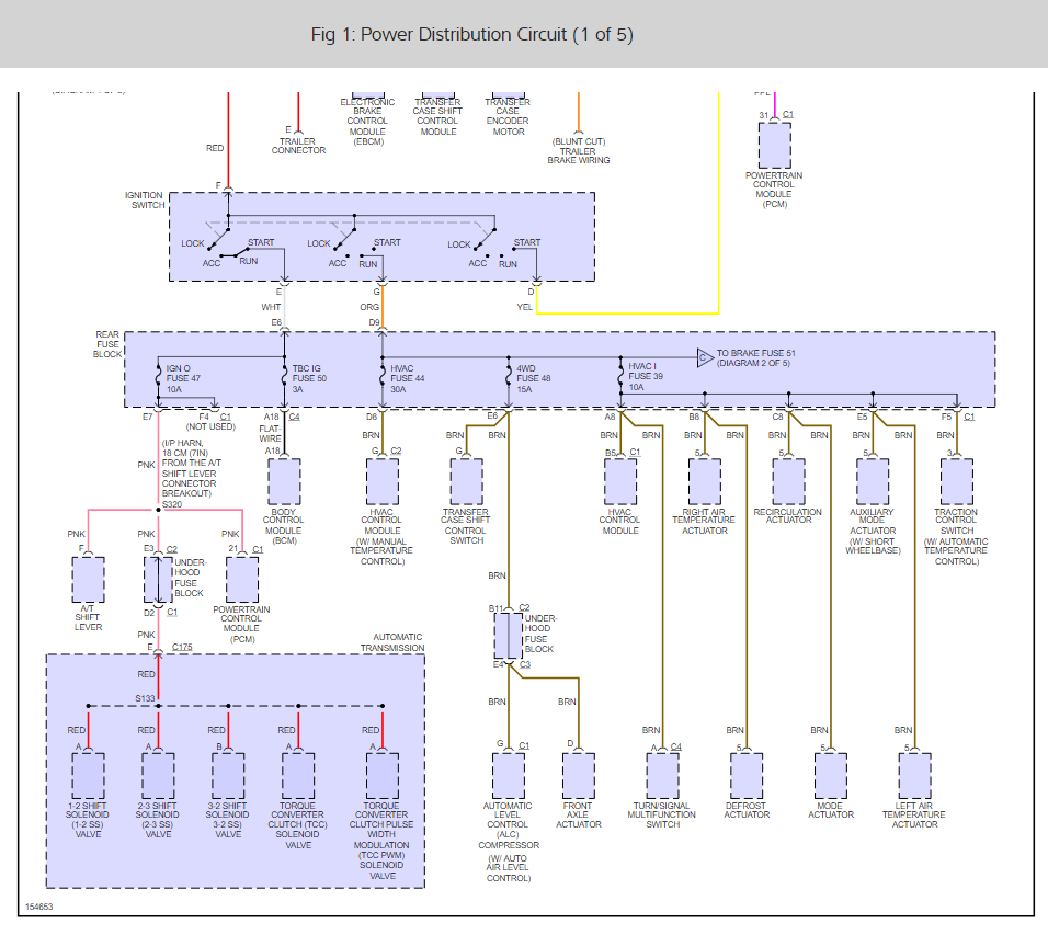
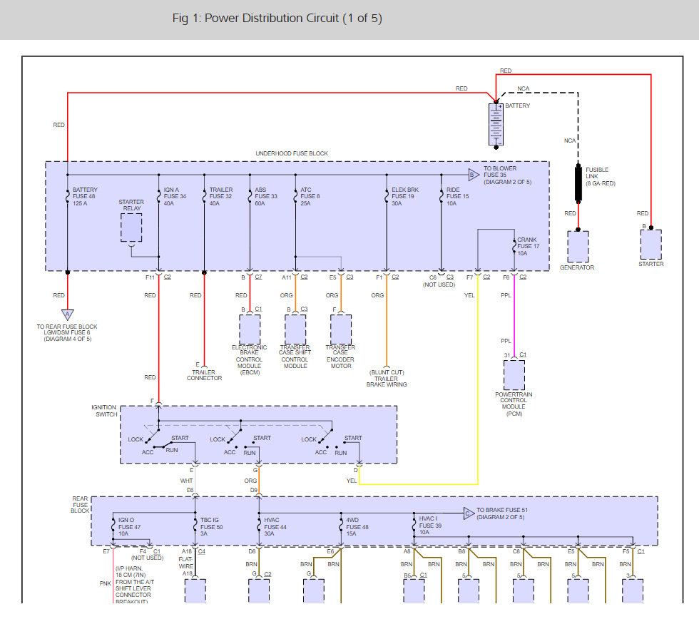
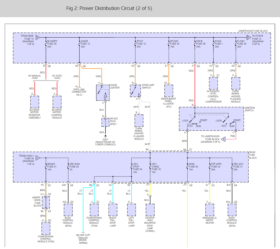
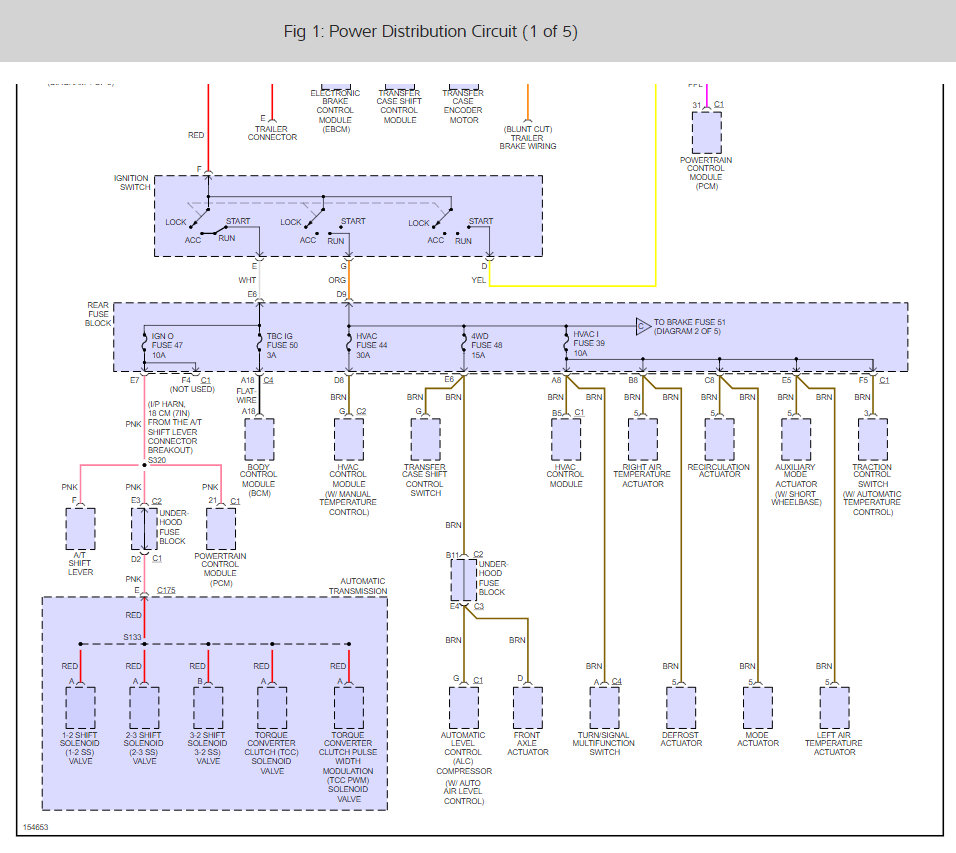
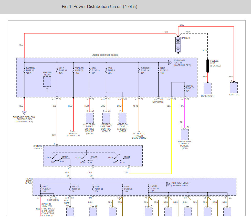
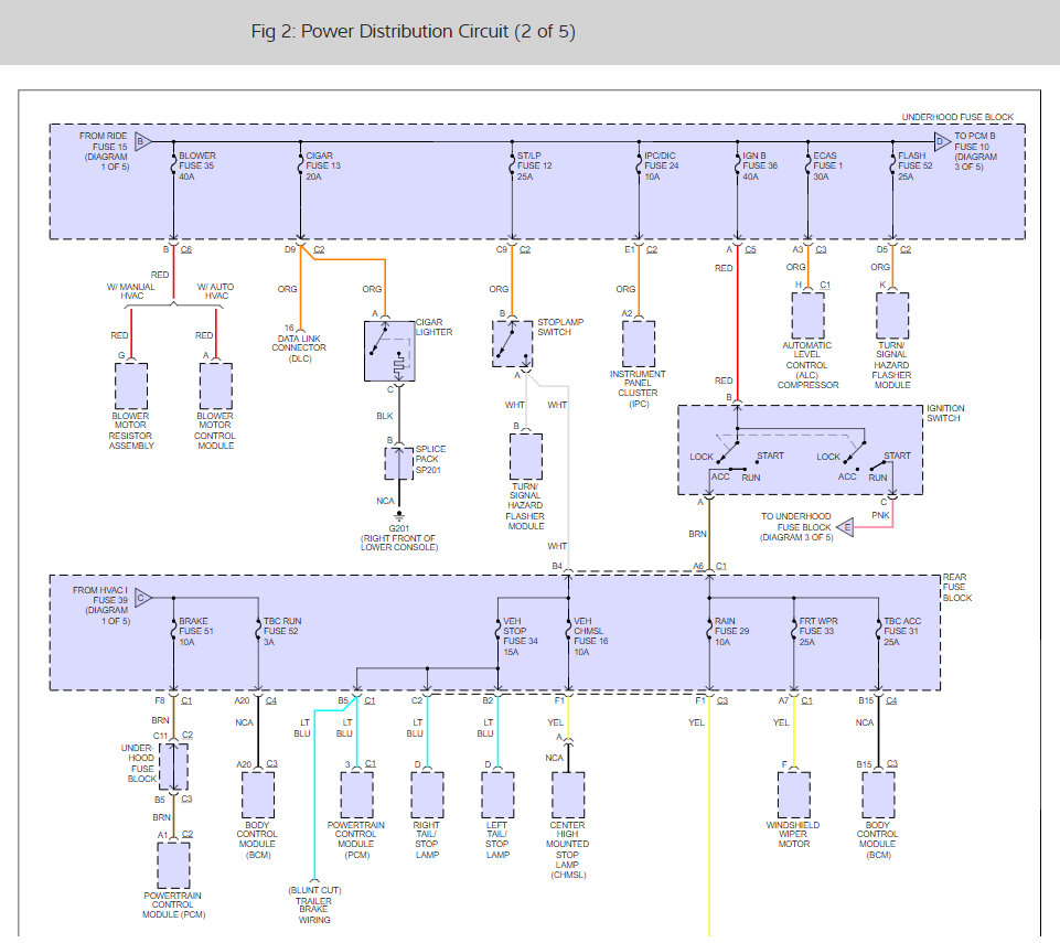
Here are the fuse plane and power distribution wiring diagrams so you can take a look. Please let me know if you need more wiring diagrams (below)

Upload pictures of the problem will help

Please let us know what happens.

Cheers, Ken
Oct 23, 2017 at 11:40 AM