Hello,
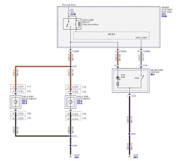
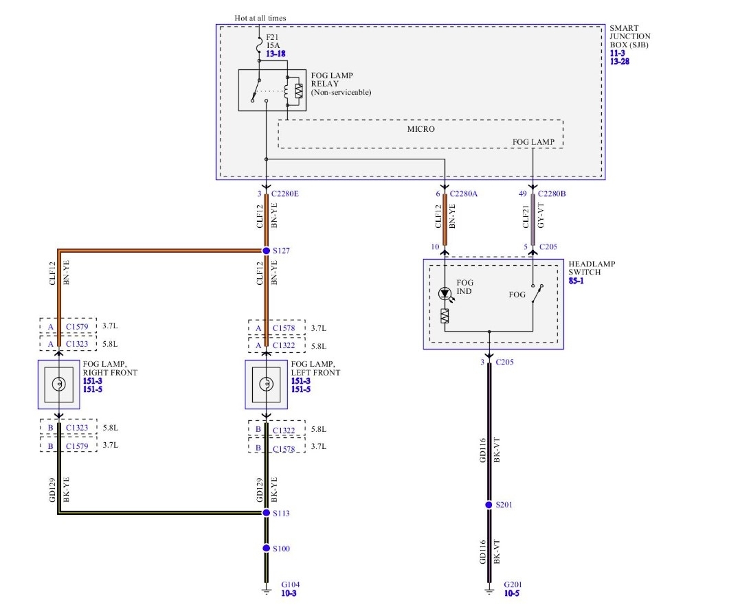
I really need the pinout for 2014 Ford Mustang's C2280B connector. I want to use the original switch for front fog lights to activate rear fog light (EU conversion). I saw the videos, where two wires go to the switch, and one to the white wire on pin 13 on C2280B in SJB. Unfortunately it seems this particular diagram is not anywhere online, I searched for a few hours now. Answer will be greatly appreciated, cheers!
I really need the pinout for 2014 Ford Mustang's C2280B connector. I want to use the original switch for front fog lights to activate rear fog light (EU conversion). I saw the videos, where two wires go to the switch, and one to the white wire on pin 13 on C2280B in SJB. Unfortunately it seems this particular diagram is not anywhere online, I searched for a few hours now. Answer will be greatly appreciated, cheers!
Sep 18, 2025 at 12:21 PM




