Fuel gauge is full, low fuel sign is on

2003 FORD MUSTANG
200,000 MILES • 4.6L • V8 • 2WD • MANUAL
Avatar
SUMA2
  • MEMBER
  • 1 POST
Hey guys, I have the car listed above and the problem is that I filled the fuel tank and I was going uphill while the low fuel sign appears suddenly and the car stalls, in the same time the fuel gauge is full! Then when I came down the sign disappeared and I could start her again, Can any one help me please?
Nov 14, 2019 at 9:25 PM
Advertisement
Avatar
SCGRANTURISMO
  • CERTIFIED EXPERT
  • 4,897 POSTS
Hello,

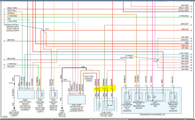
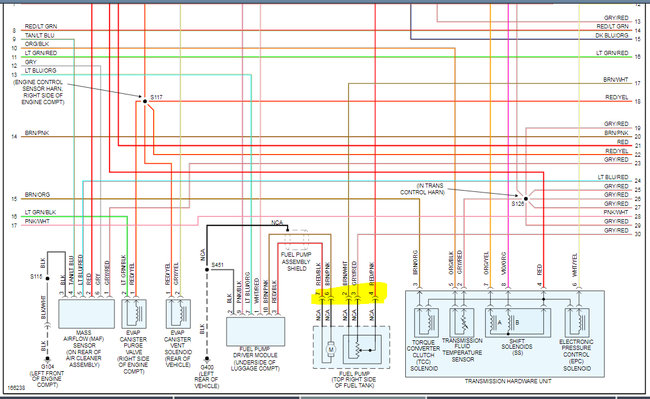
This sounds to me like you have an intermittent or poor electrical connector in the circuit that goes to the fuel pump and the fuel level sending unit to your vehicle. In the diagrams below I have included the engine management wiring diagrams for your vehicle showing the fuel pump and fuel level sending unit as well as a pinout diagram of the fuel pump electrical connector, and guides on intermittent and poor electrical connectors, and how to probe an electrical connector for testing. You will have to use a Digital Multi-meter [DMM] to do these tests, so here is a link below explaining how to use one, if needed:

https://www.2carpros.com/articles/how-to-use-a-voltmeter

Please go through these guides and get back to us with how everything turns out.

Thanks,
Alex
2CarPros
Nov 15, 2019 at 2:12 AM