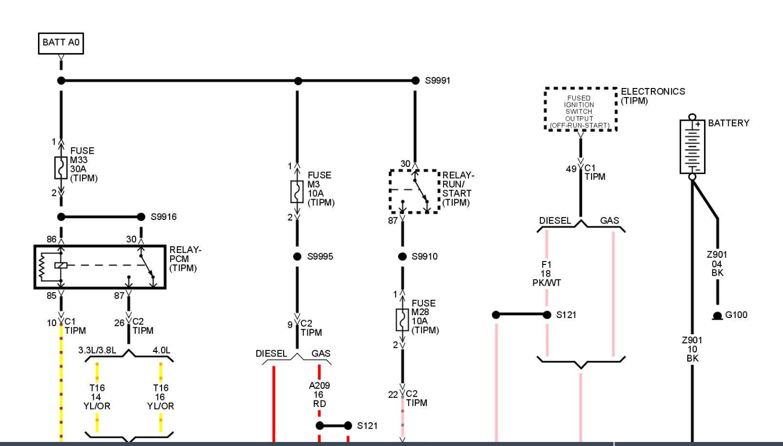
About five months back my speedometer began to malfunction by spiking up and down while driving. At the same time all the panel lights came on. It would alternate from this state to being completely normal again for roughly a week each time. Eventually the lights started to stay on all the the time now. And the speedometer quit working all together. And shortly after that the odometer stopped counting any further. I had a newly rebuilt battery installed a few months ago and been having a constant issue with it drains quickly over the last two months. It will completely drain if I don't drive it at least once per day now and then need to jump it. Had the system checked at a local auto parts store and said the alternator and battery showed normal but the starter was low. So after that I had a friend help me replace the PCM. Then rechecked it at the parts store and now said the starter is back to normal. But since then somehow the battery still drains the same. Recently took it to AutoZone to be scanned and it came up with four codes. P0562-System Voltage Low, U1110- A/C CAN Timeout/Not equipped, U1120-Lost Wheel Distance Message, P0501-Vehicle Speed Sensor A Range/ Performance. Another thing I've noticed is that the vehicle does some very abnormal shifting while driving around 40 mph or less.
Mar 10, 2019 at 1:45 PM










