Due to be a 20+ years old multifunction switch wires, came loose need colors and locations on replacement harness connector
Aug 15, 2025 at 12:20 PM
Advertisement
STRAILER
CERTIFIED EXPERT
53,854 POSTS
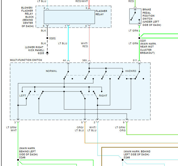
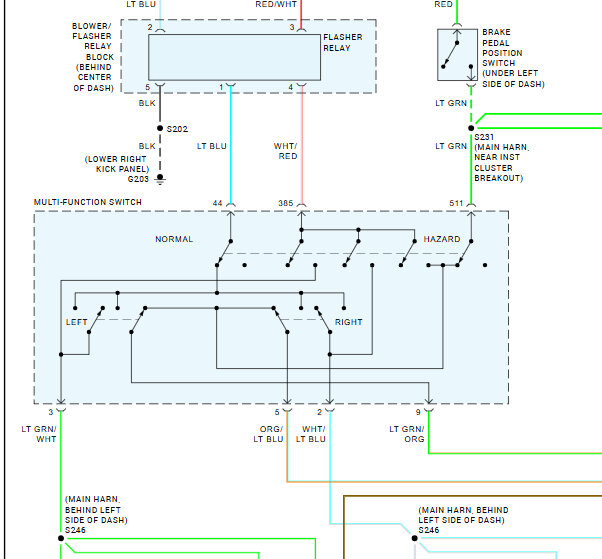
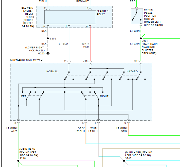
So, this switch has three functions, turn signals, headlights and wipers, here is all three so you can see which wires go where of each system. Check out the images (below). Let us know if you need anything else.
Images (Click to enlarge)
Aug 16, 2025 at 9:06 AM
JUAN ORTIZ
MEMBER
1 POST
Needed actual color to position on connector, view of connector with wires located or view of rear of multi function switch with colors to connector pins located.
Aug 17, 2025 at 12:45 PM
Advertisement
STRAILER
CERTIFIED EXPERT
53,854 POSTS
Gotha, I found this I think this i what you need. Check out the images (below). Let us know if you need anything else.