Installed a new engine will not crank over?

2012 RAM 1500
100,000 MILES • 5.7L • V8 • 4WD • AUTOMATIC
Avatar
COLTDUBA45
  • MEMBER
  • 6 POSTS
I put a new motor in my truck listed above and when I go to start it, it just makes a click sound, I made sure the battery connections are tight and clean. The ground connections on the frame are clean and tight. It has a new starter and battery.
Mar 18, 2025 at 9:25 PM
Advertisement
Avatar
STRAILER
  • CERTIFIED EXPERT
  • 53,854 POSTS
Okay, I would check the rotation of the engine manually, this video can help:

https://www.youtube.com/watch?v=oN42gZN6gOE

If you can turn the engine over by hand it sounds like you have a defective starter motor which is common. If the start trigger wire is getting power and the main power is connected allow with the main ground from the battery to the engine the starter is bad. Can I ask if the battery is in good shape?

Please go over this video as well:

https://www.youtube.com/watch?v=6YRW8fyNudY&t

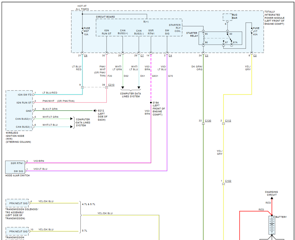
Here are the wiring diagrams for the starter motor so you can see how the system works.

I marked the wiring diagrams to show you which wire to test for power while in the crank position.

https://www.2carpros.com/articles/how-to-use-a-test-light-circuit-tester

You may have a starter relay that is not working, but we will get to that once you run these tests. Please upload a video in your response. Check out the images (below).


Mar 19, 2025 at 11:17 AM
Avatar
CARADIODOC
  • CERTIFIED EXPERT
  • 34,306 POSTS
A good place to start is by checking if that is the starter relay you hear clicking. The drawing below points out that relay in the under-hood fuse box. Put your fingertip on it, then have a helper try to crank the engine. Whether that relay is the one that's clicking will tell us where to go next. Usually it's easy to feel, but if you aren't sure, unplug it, then see if you still hear the same clicking. Let me know what you find.
Mar 19, 2025 at 11:33 AM
Advertisement
Avatar
CARADIODOC
  • CERTIFIED EXPERT
  • 34,306 POSTS
Oops. Hi Ken. I'll wait to see if you guys need my wondrous wisdom.
Mar 19, 2025 at 11:34 AM
Avatar
COLTDUBA45
  • MEMBER
  • 6 POSTS
Yes is in good shape it's brand new.
Mar 19, 2025 at 12:30 PM
Avatar
COLTDUBA45
  • MEMBER
  • 6 POSTS
This is what is did when i try to start it.
Mar 19, 2025 at 12:37 PM
Avatar
STRAILER
  • CERTIFIED EXPERT
  • 53,854 POSTS
No worries, Randy, please feel free to jump in anytime :)
Mar 21, 2025 at 8:13 AM
Avatar
STRAILER
  • CERTIFIED EXPERT
  • 53,854 POSTS
Yep, it sounds like the start motor is engaging, did you try to turn the engine over by hand as in the video above?
Mar 21, 2025 at 8:14 AM
Avatar
COLTDUBA45
  • MEMBER
  • 6 POSTS
Yes I got it too start in neutral, but it won't start in park.
Mar 21, 2025 at 9:12 AM
Avatar
STRAILER
  • CERTIFIED EXPERT
  • 53,854 POSTS
When this happens the gear range sensor is not working correctly which is inside the transmission. Here is what it looks like. Check out the images (below).

Mar 21, 2025 at 9:44 AM
Avatar
COLTDUBA45
  • MEMBER
  • 6 POSTS
Where is the neutral safety switch location on a 2012 ram 1500 5.7 hemi?
Mar 21, 2025 at 9:45 AM (Merged)
Avatar
STEVE W.
  • CERTIFIED EXPERT
  • 15,113 POSTS
It is inside the transmission as part of the solenoid pack. To get to it you need to drain the transmission fluid, then remove the filter and then you remove the valve body. Next you flip it over and remove the bolts that retain the TRS. Now you reverse the process to install the replacement. Once it's all back together you refill the transmission and then use a scan tool to do a relearn. Then you should be done. What is the issue you are having.
Mar 21, 2025 at 9:45 AM (Merged)
Avatar
COLTDUBA45
  • MEMBER
  • 6 POSTS
It will only start in neutral
Mar 21, 2025 at 9:45 AM (Merged)
Avatar
STEVE W.
  • CERTIFIED EXPERT
  • 15,113 POSTS
Okay, as it only starts in neutral it is either that the internal switch the transmission is bad or that the cable isn't adjusted to move far enough to trigger the park position. It won't be external like wiring or relay as the PN circuit uses the same wire for everything. As you just swapped in the engine I would start with the latter and check the manual shift cable first. That is done inside the truck at the steering column. On the top of the cable where it attaches to the column there is a clip (circled) that allows the cable to be adjusted. Start by lifting that clip up so the cable is free. Now make sure that the shifter is fully in park, then go under the truck and move the manual lever so that it is fully in park. Then you push the clip back in. Now on a used cable you may run into a problem as the clip would have made a groove where it was and may not adjust properly. However, to test the issue, with the transmission set up in park, try to start the truck. If it starts now, then it was the adjustment. Try seating the clip and see if it stays in the new location. If it doesn't then you may need to replace the cable so it will stay in place or work out a different way to secure the cable. If on the other hand it doesn't start, you know you need to look at the electronics inside the transmission.
Mar 21, 2025 at 6:26 PM