Sorry about that. I attached them after I already sent the post. They should be there now. If they still aren't available to you, let me know.
________________________
Next, here are the directions for adjusting timing. My specs don't show 0. Where did you get that?
Take a look through this and see if it is what you are doing. The pics attached correlate with the directions.
_______________________
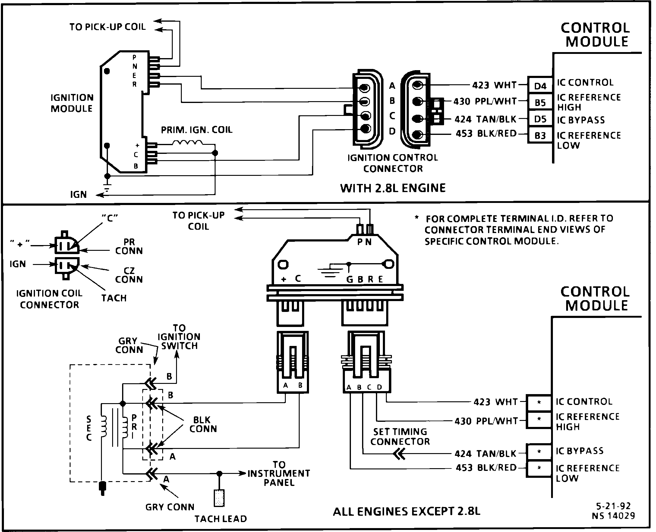
1992 Chevy Truck C 1500 Truck 2WD V8-350 5.7L
Ignition Timing Adjustment
Vehicle Powertrain Management Ignition System Ignition Timing Adjustments Ignition Timing Adjustment
IGNITION TIMING ADJUSTMENT
NOTE: Timing specifications are listed on the Vehicle Emissions Control Information label under the hood. Always follow the Vehicle Emissions Control Information label procedures first before using the following procedure.
Timing Mark
pic 1
PROCEDURE:
Set timing under the following conditions:
^ Normal operating temperature.
^ Air cleaner installed.
^ A/C "OFF".
^ Transmission in neutral.
Battery Junction Block And Relay Wiring
pic 2
^ Disconnect SET TIMING connector (C114, tan/black wire) located in center of cowl, under battery junction block cover. DO NOT disconnect 4 wire connector at distributor.
Connect timing light and adjust as necessary by loosening hold down bolt and rotating distributor. For specification, refer to SPECIFICATIONS/TIMING MARKS. Tighten hold down and recheck the timing. Stop the engine and connect SET TIMING connector. Clear ECM trouble code by disconnecting ECM power source. With engine at operating temperature, drive vehicle at part throttle with moderate acceleration and decelerate to idle condition. This will "teach" the ECM/VCM and return the engine to normal performance.
Let me know.
Joe
Images (Click to enlarge)
Dec 12, 2019 at 5:47 PM