Hello again,
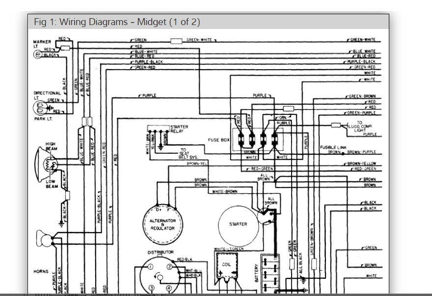
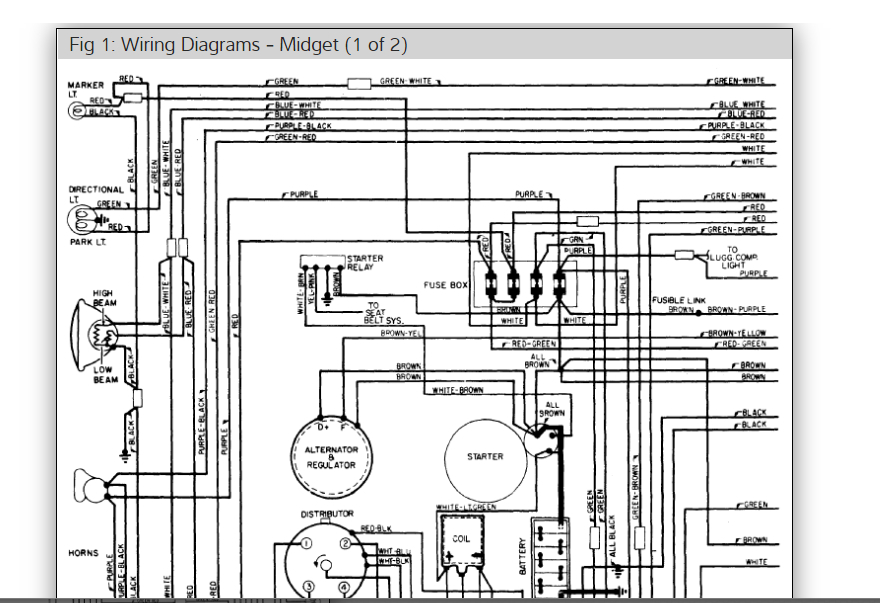
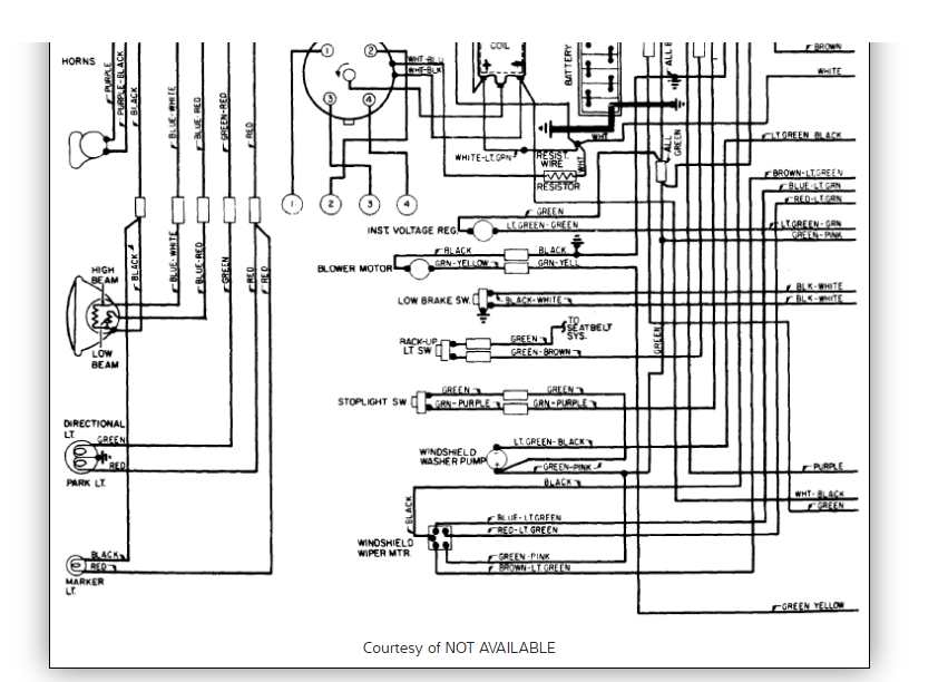
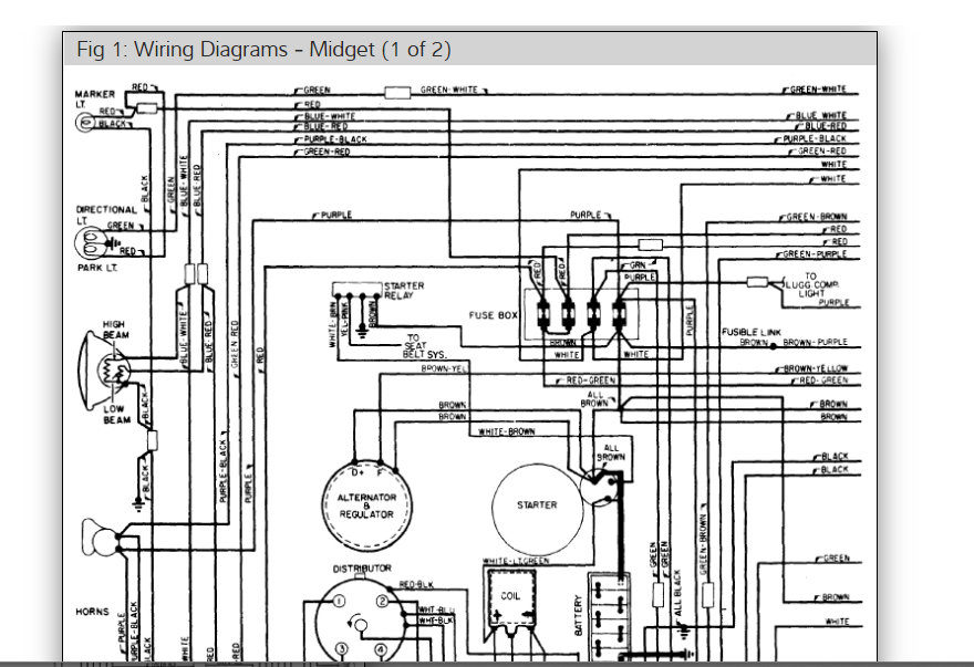
Okay, so to test the battery you can take a voltage reading across the terminals with a Digital Multi-meter (DMM). A healthy battery should return a reading of 12.6 volts. 12.45 volts is 75%, 12.3 volts is 50%, 12.15 volts is 25% charged, and 12 volts and under is technically considered dead. This, of course, is a quick test, the proper way to test is with a load on the battery, but it will give you some idea of where your battery's charge is at. In the diagrams down below I have included a wiring diagram for the starting system of your vehicle. With the help of an assistant, and some jumper extension wires, could you do a voltage drop test on the white/brown wire going from the starter to the battery. I have included a guide explaining how to do a voltage drop test in the diagrams down below for you as well. This test will give an accurate reading as to the health of this wire which supplies the starter with battery voltage. Also check the connections at the battery and starter for any corrosion, and make sure that they are clean and tight. Please go through these guides and get back to us with what you are able to find out.
Thanks,
Alex
2CarPros
Images (Click to enlarge)
Sep 6, 2019 at 12:08 AM