Engine swap?

2013 KIA RIO
215,000 MILES • 1.6L • 4 CYL • 2WD • AUTOMATIC
Avatar
JOJO330
  • MEMBER
  • 5 POSTS
I have the vehicle listed above, I’ve been thinking about swapping the motor, it has VIN 3 8th digit. I noticed other vehicles have the same motor and same VIN 3 8th digit. Do they fit in my Kia, or do I have to stay with motors from a Kia rio?? Thank you in advance.
Jul 2, 2024 at 11:50 AM
Advertisement
Avatar
STRAILER
  • CERTIFIED EXPERT
  • 53,854 POSTS
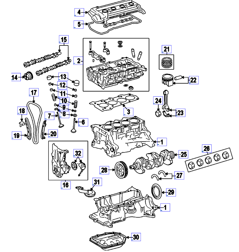
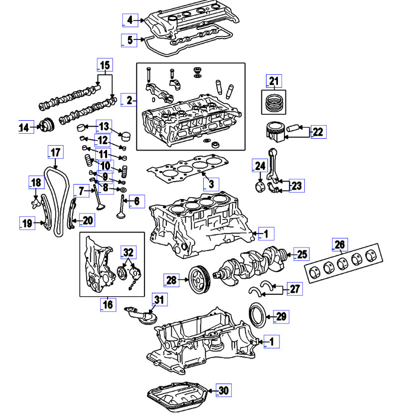
While engines from other vehicles with the same VIN 3 (8th digit) are likely to fit, it's crucial to verify all aspects of compatibility beyond just the engine block. I would inspect the engine you feel will fit and then look at bolt patterns, sensor locations. But the best way I have found is to call the wrecking yards, they have special software that tells which engine fits in what. Check out the images (below). Let us know if you need anything else.
Jul 2, 2024 at 3:33 PM