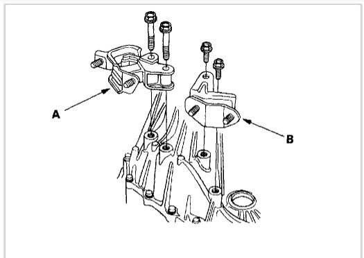
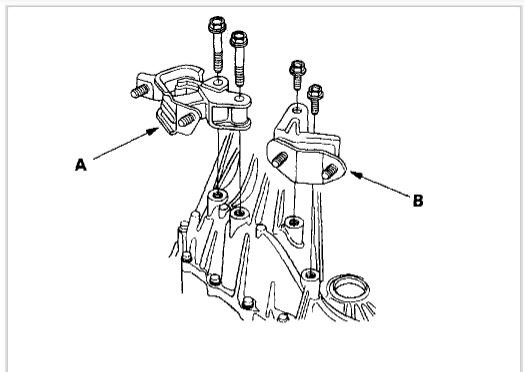
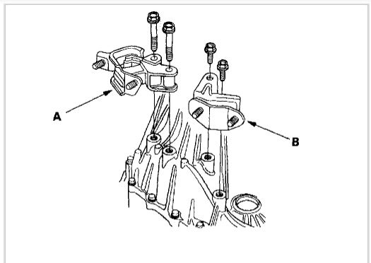
Replace the front motor mount but I saw you on a forum. how do you adjust the front motor mount? it vibrates in drive if I put it in neutral it doesn’t vibrate. once I put it back in drive it’s vibrating the whole steering wheel on my car. I have to change the left motor mount on my passenger side and in the rear motor mount. would that help my car or do I have to change the all motor mounts and transmission mounts?
Aug 27, 2020 at 2:06 PM










