Motor mount part name needed

2003 BUICK PARK AVENUE
215,000 MILES • 3.6L • 2WD • AUTOMATIC
Avatar
DANIELLE STAIRS
  • MEMBER
  • 11 POSTS
I need to have a motor mount replaced on my car (non ultra). I found somebody that's going to replace my broken front motor mount but I am having a problem ordering the part because I don't know the correct name for it. It is the front motor mount that sits right behind my radiator almost in the center, can anybody please tell me what the name of it is? Everywhere I go online to order a part says either passengers side front or driver's side front, and I am a girl and don't know a whole lot about cars. my father passed away so I have no one else to ask. I feel stupid for even asking but I didn't know what else to do.
Mar 28, 2019 at 7:09 PM
Advertisement
Avatar
JACOBANDNICKOLAS
  • CERTIFIED EXPERT
  • 110,175 POSTS
Welcome to 2CarPros.

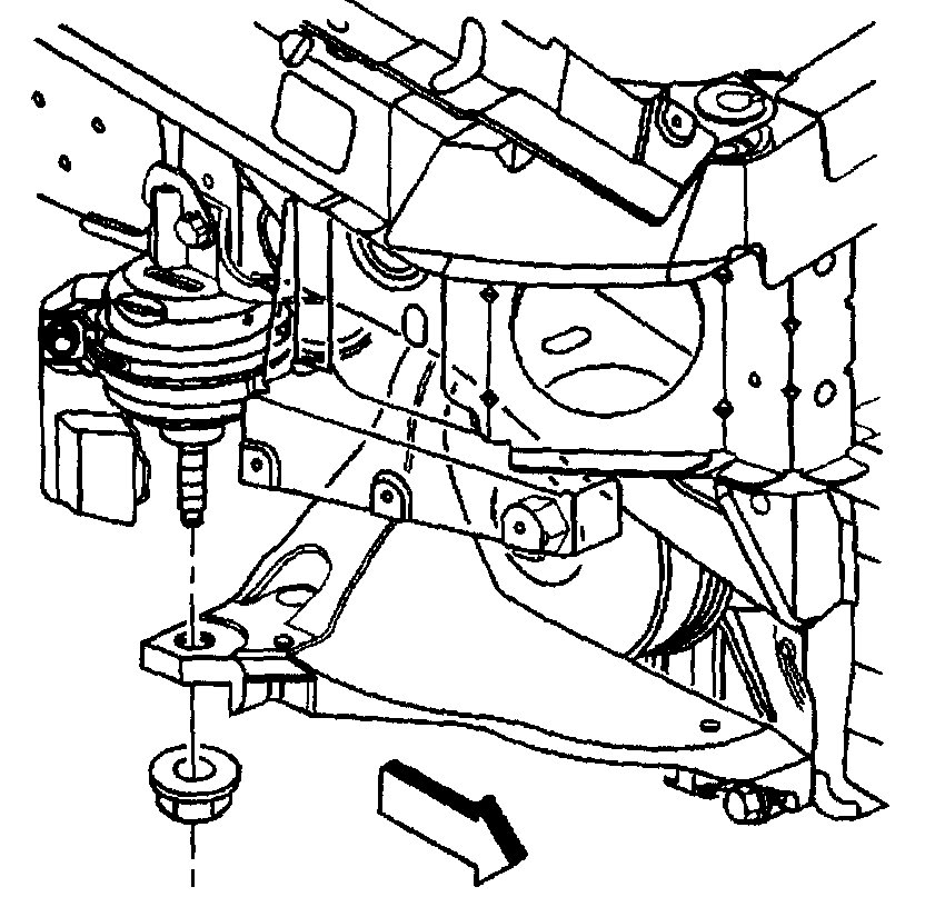
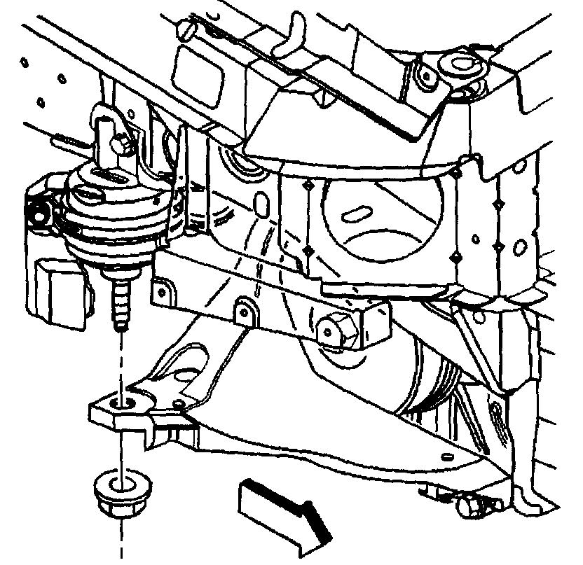
Can you upload a picture of the one you are referring to? There really is only a left and right mount. However, some have a mount that is often referred to as a dog bone because of its shape.

I attached a picture of the right mount for you to see. Let me know if that is what you are looking for or if possible, upload a picture for me to see.

Take care,
Joe
Mar 28, 2019 at 7:23 PM
Avatar
KENW1
  • CERTIFIED EXPERT
  • 213 POSTS
Thanks for visiting 2CarPros.

It's called the front mount and is #5 in the link below:

https://www.gmpartsonline.net/auto-parts/2003/buick/park-avenue/base-trim/3-8l-v6-gas-engine/engine-cat/engine-and-trans-mounting-scat
Mar 28, 2019 at 7:24 PM
Advertisement
Avatar
DANIELLE STAIRS
  • MEMBER
  • 11 POSTS
I can't take a picture of it right now because it is dark, but I will in the morning. actually I can do better, there is a YouTube video that shows exactly where mine is, it's the same kind of car, I'll include the link.

https://youtu.be/oGCIkHEqXuY
Mar 28, 2019 at 8:02 PM
Avatar
DANIELLE STAIRS
  • MEMBER
  • 11 POSTS
KENW1: I think you are right I think that's it. thank you so much!
Mar 28, 2019 at 8:05 PM
Avatar
JACOBANDNICKOLAS
  • CERTIFIED EXPERT
  • 110,175 POSTS
Isn't that a transmission mount? What is being replaced a transmission mount or motor mount? I'm getting confused.
Mar 28, 2019 at 8:28 PM
Avatar
DANIELLE STAIRS
  • MEMBER
  • 11 POSTS
By the way KENW1 was right, that was the mount I needed. I went to my local auto parts store and they had it listed as a transmission mount!? But either way thank you everybody.
Jan 21, 2020 at 5:01 PM
Avatar
JACOBANDNICKOLAS
  • CERTIFIED EXPERT
  • 110,175 POSTS
I had a feeling that is what you were referring to. Regardless, I'm glad it's fixed. Let us know if you have questions in the future.

Take care,
Joe
Jan 21, 2020 at 5:15 PM