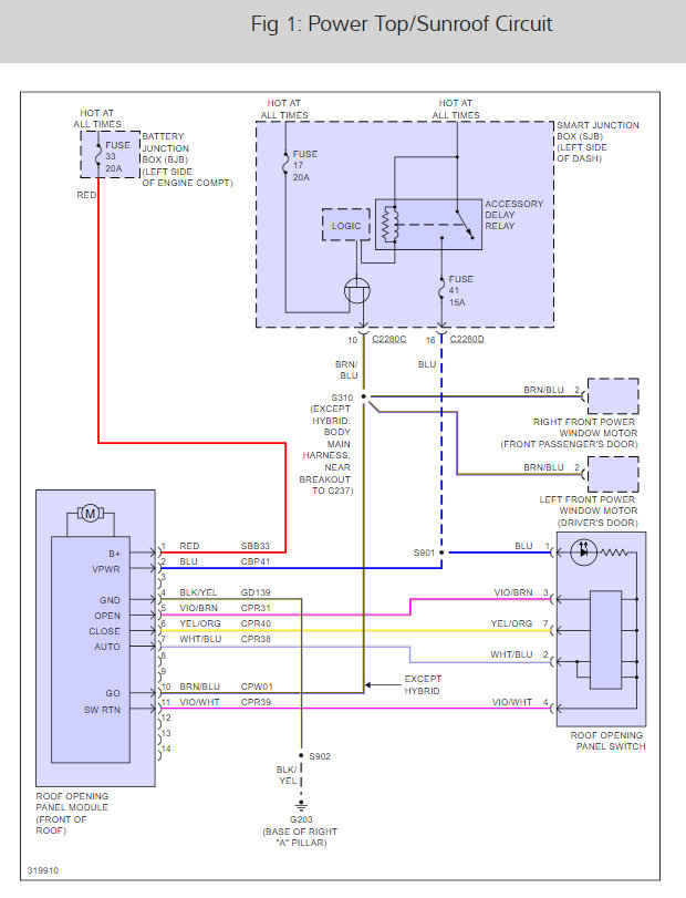
I have a SEL. I noticed some wind noise the other day while my moon-roof was shut. Upon closer inspection, my moon-roof did not shut all the way in the front. It would not vent. It will open and shut, but not shut flush like before or vent. Upon further investigation, it appears that the deflector bar or plate on the front side, which is held up by three metal strings of some sort, will not go down when the glass tries to shut. If I hold it down with a screwdriver until the glass engages and then quickly get the screwdriver out of the way, it shuts perfect. It vents afterwards, too. But then, if I open the retract the glass back again, back to square one.
So, the problem appears to be this deflector plate and getting it down so that the glass engages and seals. Any clue how to do so?
By the way, I have tried the relearning process posted elsewhere, and it did not help.
So, the problem appears to be this deflector plate and getting it down so that the glass engages and seals. Any clue how to do so?
By the way, I have tried the relearning process posted elsewhere, and it did not help.
Jun 17, 2013 at 6:58 PM






