Cigarette Lighter

2007 MITSUBISHI OUTLANDER
Avatar
PMGLADSTONE
  • MEMBER
  • 1 POST
Electrical problem 6 cyl Two Wheel Drive Automatic 103900 miles

After plugging in an adapter and running a computer as well as a navigation system, the cigarette lighter ceased to work. Replaced the fuse even though it did not appear to be blown, and still not working. Any other troubleshooting tips? Or will I need to get the cigarette lighter replaced?
Sep 19, 2010 at 6:11 PM
Advertisement
Avatar
STRAILER
  • CERTIFIED EXPERT
  • 53,854 POSTS
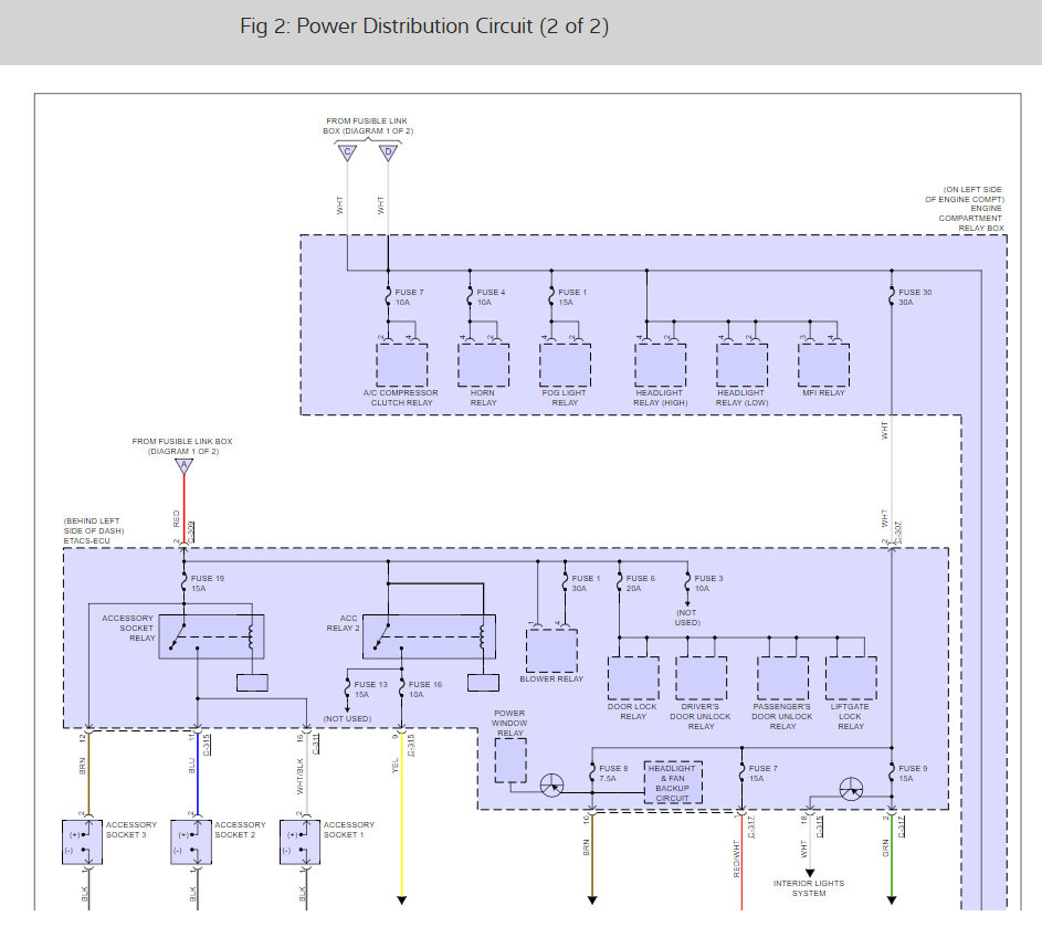
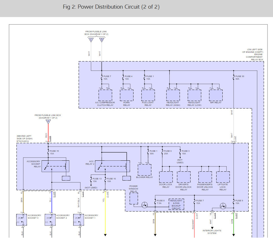
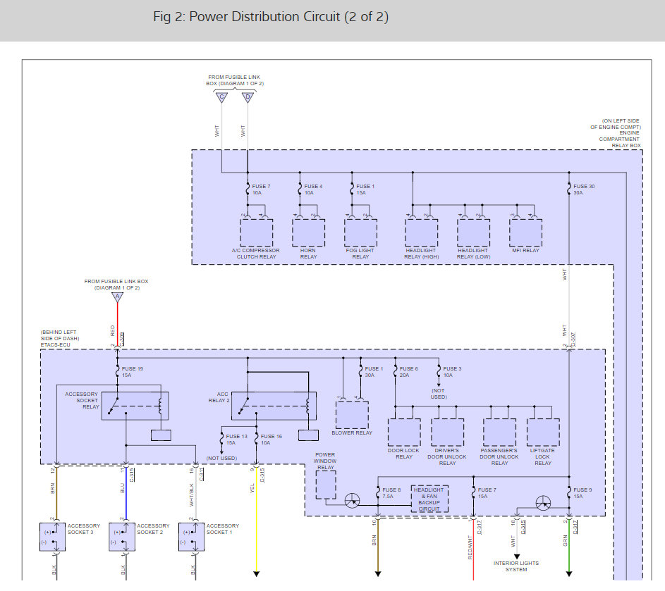
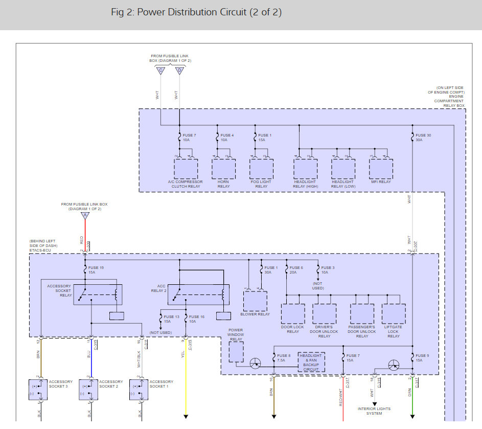
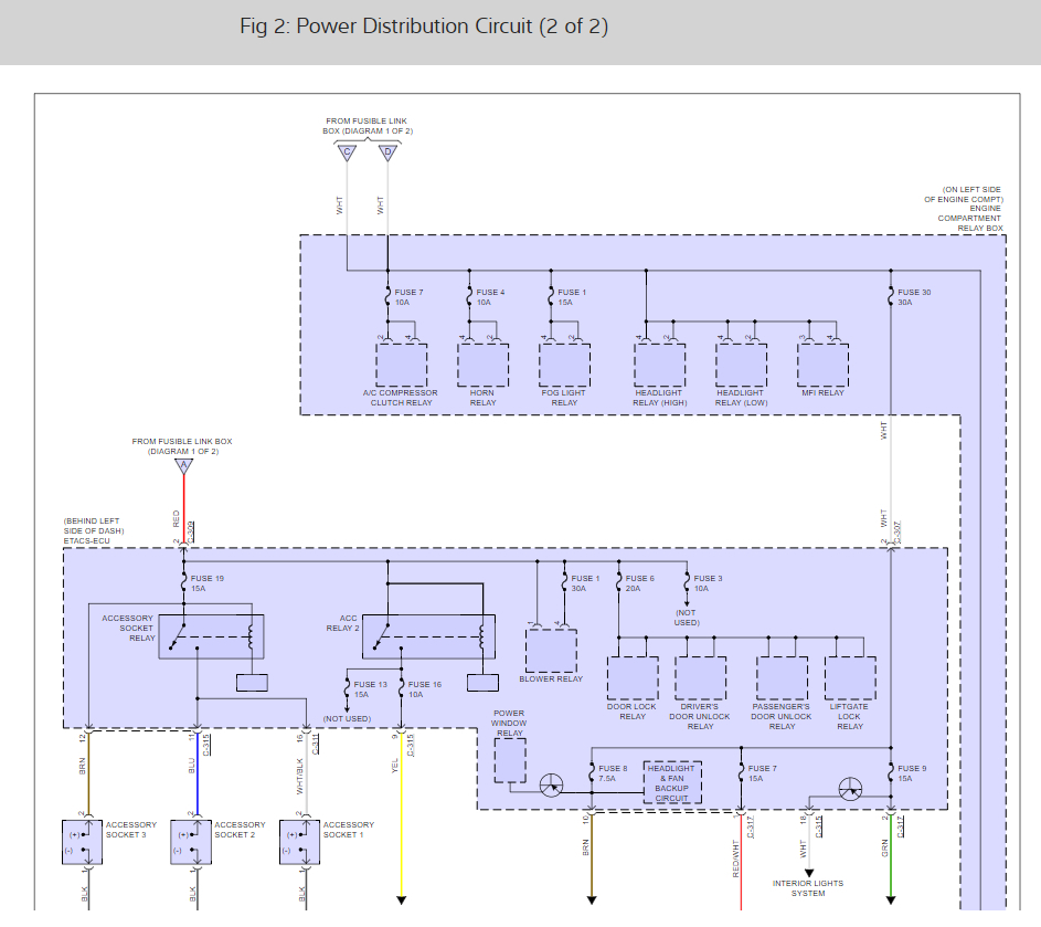
There is an accessory relay that is on the left side of the dash relay panel that needs to be checked or replaced. There are 3 accessory sockets in the car all controlled by the relay.

Here is a guide to confirm the failure.

https://www.2carpros.com/articles/how-to-check-an-electrical-relay-and-wiring-control-circuit

Here are the cigarette lighter wiring and fuse panel, and relay location diagrams (below)

Check out the diagrams (Below)

Please let us know what happens.

Cheers, Ken
Dec 24, 2017 at 12:26 PM