Car start problem - Key? Ignition

2006 MITSUBISHI OUTLANDER
130,000 MILES • 4 CYL • 2WD • MANUAL
Avatar
APPSOLUTE
  • MEMBER
  • 2 POSTS
This problem started several months ago and has worsened recently.

When I go to start the car, and turn the key, you can hear a clicking of the relay, but the car will not start (no attempt to crank at all). Repeated tries to start, usually result in the car starting right up (some times the 2nd try, some times after the 15th!)

For a month or so, I discovered that if I wiggled the key just so, it would fire up first try, every time. But then it went back to not starting. Usually I have to try turning the key several times before it will start. It seems worse after the car has been parked for a short amount of time (doesn’t want to start at gas stations). If parked overnight, it seems to start on the first try more often.

Sometimes I just can not get it to start with a turn of the key, and have to result to push starting. It ALAWAYS starts when push started.

Any suggestions? Battery is new, otherwise car is due for tune up.
Nov 4, 2010 at 1:04 PM
Advertisement
Avatar
KHLOW2008
  • CERTIFIED EXPERT
  • 41,814 POSTS
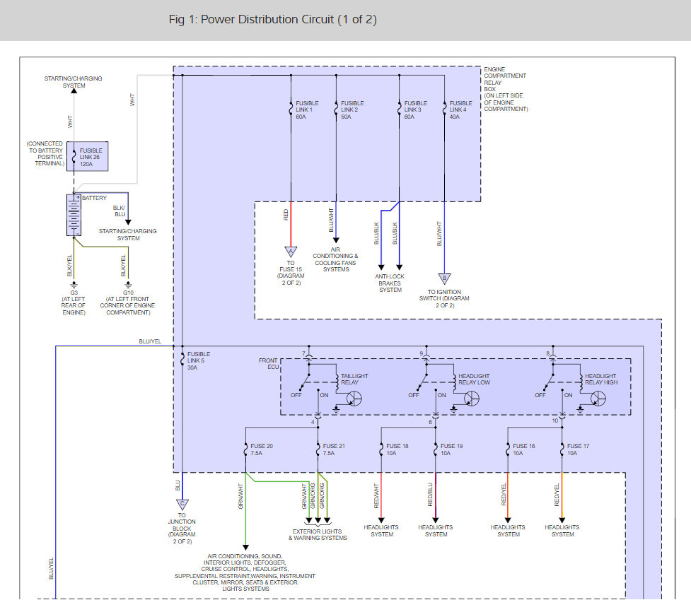
Hi appsolute, The fault lies in the starting circuit and possible causes are : 1. Faulty ignition switch. When starter does not crank, test the Blacl/Yellow wire from ignition switch for battery voltage with ignition turned to START positioon. If battery voltage is not available, the ignition switch is faulty. 2. Faulty clutch interlock switch. Disconnect the clutch interlock switch connector and bridge the teminals. If starter cranks, test the switch for continuity with pedal depressed. If continuity is not available, switch is faulty. 3. Starter. Disconnect the starter solenoid wire and use a remote wire to apply battery voltage. Test it a few ttimes and if starter cranks each time, it is good. You can test the ignition switch and starter from the starter relay. Unplug the relay and attach a tst lamp to terminal 3 or 5. When ignition is turned on, the test lamp should light up if the ignition switch is good. If applying battery voltage to terminal # 2 cranks the starter, the starter is good. Note: Sometimes the voltage from ignition switch might be lower than expected due to wiring or poor ignition switch contacts and under this condition, power supply test works but the voltage is insufficient to crank the starter. 4. Loose wire connectors. Check the connectors between the ignition switch and fuse box for signs of overheating at connectors. 5. Faulty Starter relay. Try swapping the relay with the headlight relays to see if it works. This guide cn help https://www.2carpros.com/articles/car-cranks-but-wont-start


https://www.2carpros.com/forum/automotive_pictures/192750_StartingCircuit06OutlanderFig42a_1.jpg


https://www.2carpros.com/forum/automotive_pictures/192750_StartingCircuit06OutlanderFig42b_1.jpg

Here is a guide and diagrams so you can confirm the problem https://www.2carpros.com/articles/how-to-use-a-test-light-circuit-tester Larger diagrams (below) Please let us know what happens. Cheers,
Nov 4, 2010 at 11:56 PM
Avatar
APPSOLUTE
  • MEMBER
  • 2 POSTS
This is very helpful. I had a feeling it could also be related to the clutch.

I am going to do your suggested tests this week, and I will be back if I do not find the solution.
Nov 5, 2010 at 10:11 AM
Advertisement
Avatar
KHLOW2008
  • CERTIFIED EXPERT
  • 41,814 POSTS
Keep updated of the outcome.
Nov 5, 2010 at 10:26 AM
Avatar
ROBERTO321
  • MEMBER
  • 1 POST
Hello, I'm having similar issue with my 2006 oulander, did you find the solution ?
Nov 3, 2014 at 11:34 AM
Avatar
ASIFFOUZI
  • MEMBER
  • 2 POSTS
Hi, i have a similar problem. It seems to get worse in warm conditions. Please please let me know if anyone found a solution? I got my starter tested and it passed. Battery is brand new.
Apr 5, 2015 at 7:04 PM
Avatar
QLDAH
  • MEMBER
  • 1 POST
Hello, I had exactly the same problem as described in my 2005 outlander . Took it to an auto elect and he found the ignition switch to be faulty. replaced it for $200 ($100 for switch) and have had no problems since : )
Jun 4, 2015 at 4:13 PM
Avatar
RMUKO
  • MEMBER
  • 1 POST
Hi, I am experiencing similar trouble with my 2006 Outlander. Morning start is good, but gets 'moody' during the day. What worked for Appsolute?
Oct 16, 2016 at 12:51 AM
Avatar
JOE DO
  • MEMBER
  • 1 POST
I had the same problem with my 2005 outlander not cranking every time it was the ignition switch which was $75 australian dollars and took 5 mins to do there are 4 screws to undo and a wire clip ...THEN being a tinkerer i opened the switch and had a dig around and noticed the starting pin was dirty and not getting a good connection so i cleaned it off and it was working well again so i spent $75 for nothing in the long run but now i have a spare JOE

Sep 25, 2017 at 8:54 PM
Avatar
STRAILER
  • CERTIFIED EXPERT
  • 53,855 POSTS
Great addition to this thread! :)

Here are some diagrams I found to help people that want to replace the ignition witch

Cheers, Ken
Sep 26, 2017 at 1:31 PM
Avatar
GONZO876
  • MEMBER
  • 1 POST
Will not start. has power and will turn over.
Nov 1, 2019 at 10:05 AM (Merged)
Avatar
RASMATAZ
  • CERTIFIED EXPERT
  • 75,992 POSTS
This sounds like you have crankshaft angle sensor that is not working which when they go out do not set a check engine light here is a guide to give you an idea of what you are in for when doing the job and diagrams below to show you car's location.

https://www.2carpros.com/articles/crankshaft-angle-sensor-replacement

Check out the diagrams (Below). Please let us know what happens.

Cheers
Nov 1, 2019 at 10:05 AM (Merged)
Avatar
RAGAN175
  • MEMBER
  • 1 POST
2005 Outlander, Same issue, died all of sudden, now cranks but will not start. Tried to jump start eliminated battery & alternator as problem. Did spark test get no spark when crank key and have plug out against bolt head in fire wall, did with two plugs. So I followed this post and found the crankshaft sensor was not to bad to replace, it fixed the problem thank god! thanks to all who helped me I love this site.
Nov 1, 2019 at 10:05 AM (Merged)
Avatar
JMSEIBE
  • MEMBER
  • 1 POST
Replaced water pump. Which requires taking timing belt off.
Lined up timing marks and it will not fire it turns over but won't start.

Could it be the sensor which is integrated into the cover?
Or what?
All marks are lined up and she won't go......
Nov 1, 2019 at 10:05 AM (Merged)
Avatar
KHLOW2008
  • CERTIFIED EXPERT
  • 41,814 POSTS
https://www.2carpros.com/articles/car-cranks-but-wont-start

You need to find out what is missing. It could be the crank or cam sensor depending on condition. Recheck your work and see if any wire connector has not been fully plugged in.
Nov 1, 2019 at 10:05 AM (Merged)
Avatar
BUDGIESANTOS
  • MEMBER
  • 4 POSTS
Good day gentlemen, it starts great every morning, idle is good and drives perfectly. Problem occurs when I stopped the engine after running for a while, and when I stop and start the engine, say after 5 minutes from halt, it would crank good but will not start. But if you follow up turning the key for the second time it will crank and start. I did some solutions like replacing my ignition coils, cam and crank shaft sensors, spar plugs even the MAF, and clean the battery connectors, yet the issue still prevail.
Nov 1, 2019 at 10:05 AM (Merged)
Avatar
HMAC300
  • CERTIFIED EXPERT
  • 48,601 POSTS
check fuel pressure with a gauge auto parts rent it.
Nov 1, 2019 at 10:05 AM (Merged)
Avatar
BUDGIESANTOS
  • MEMBER
  • 4 POSTS
Thank you sir for replying. Fuel Pressure gauge for rent is not available in our place. About 2 year ago, had my electronic gas pump replaced. Yesterday, I had 3 temperature sensors replaced. Still the issue persists. Thank you again sir
Nov 1, 2019 at 10:05 AM (Merged)
Avatar
HMAC300
  • CERTIFIED EXPERT
  • 48,601 POSTS
It sounds like a fuel pump issue.
Nov 1, 2019 at 10:05 AM (Merged)
Avatar
BUDGIESANTOS
  • MEMBER
  • 4 POSTS
Dear Sir,

Indeed, the problem was fuel pressure. The electronic gas pump was faulty. Thanks a lot
Nov 1, 2019 at 10:05 AM (Merged)
Avatar
ASIFFOUZI
  • MEMBER
  • 2 POSTS
My 2004 outlander has recently developed intermittent starting problems. It seems like it worsens as the temperature rises. Problem started when winter was setting in but I pretty much went through the winder without any problems. But now that summer has arrived, the problem is back and getting worse. Sometimes it starts right up and at others, it takes multiple attempts. I got the starter checked and it passed the test although I did observe that there was a lot of play in the gears. The battery is brand new. I did testing with a test light and the terminal on the starter gets power every time the ignition key is turned to starting position. Another little detail and It could be circumstantial, but it does seems like the car seems to start up on many occasions after I lock/unlock the car doors using the switch on the driver door . However, this doesn't work every time. I did test the starter motor and solenoid a few times using jumper cables after I extracted it, everything seemed to work as it should every time.
Please help! I want to do this myself as I am short on money to pay for a lengthy diagnosis
Nov 1, 2019 at 10:05 AM (Merged)
Avatar
HANNIBALCAIN
  • MEMBER
  • 1 POST
I ran into this problem on my son's 2003 Mitsubishi Outlander AWD 2.4L. It turned out to be the Camshaft Position Sensor. You can test it easily. The sensor is on the right side of the top of the engine, right above the end of the camshaft. 10mm bolt. When it is hot and won't start pull the Sensor out clean it and put it back in. If your car starts then it is the sensor. I got the import replacement at O'Reilley's for $59.99.
Nov 1, 2019 at 10:05 AM (Merged)
Avatar
STRAILER
  • CERTIFIED EXPERT
  • 53,855 POSTS
Great addition to this thread!

Here are some helpful guides and diagram (below) to get the problem fixed:

https://www.2carpros.com/articles/camshaft-angle-sensor-replacement

Cheers, Ken
Nov 1, 2019 at 10:05 AM (Merged)
Avatar
GINGERGRAYSHINN
  • MEMBER
  • 3 POSTS
computer readout said cam shaft sensor, changed that and changed spark plugs and wires still will not start
Nov 1, 2019 at 10:06 AM (Merged)
Avatar
SATURNTECH9
  • CERTIFIED EXPERT
  • 30,869 POSTS
What are the exact code numbers you have after replacing the sensor and clearing the codes?I need the exact code numbers not code descriptions?
Nov 1, 2019 at 10:06 AM (Merged)
Avatar
GINGERGRAYSHINN
  • MEMBER
  • 3 POSTS
P0118 the other sensor has been replaced. Thanks
Nov 1, 2019 at 10:06 AM (Merged)
Avatar
SATURNTECH9
  • CERTIFIED EXPERT
  • 30,869 POSTS
Thats the code for coolant temp sensor high input check the connector going to the coolant tempo sensor.Do you have a scan tool that will read live engine data?Also do you have a multimeter?
Nov 1, 2019 at 10:06 AM (Merged)
Avatar
LEEANN1313
  • MEMBER
  • 1 POST
One day the car started to stutter and then it died and has not been able to start since... Was told it was fuel pump but not sure. Any ideas?
Nov 1, 2019 at 10:06 AM (Merged)
Avatar
JACOBANDNICKOLAS
  • CERTIFIED EXPERT
  • 110,175 POSTS
It could be the fuel pump. Have you checked to see if the pressure is within the manufacturer's specs? Have you checked to see if the plugs are getting spark?
Nov 1, 2019 at 10:06 AM (Merged)
Avatar
MISSKANDIE
  • MEMBER
  • 1 POST
My 2003 mitsubishi outlander will not start the lights and everything come on and it makes a funny noise when trying to start.
Nov 1, 2019 at 10:06 AM (Merged)
Avatar
MHPAUTOS
  • CERTIFIED EXPERT
  • 31,937 POSTS
Hi there,

What type of noise is this, do you feel that it may be a starter problem, is there a click or aloud clunk when you turn the key? or is the a grinding noise as it is trying to crank over? try and describe this noise as it is a bit hard when i can't hear it.

Mark (mhpautos)
Nov 1, 2019 at 10:06 AM (Merged)
Avatar
PABLO GAYTAN
  • MEMBER
  • 2 POSTS
My wife was driving on free way it just shut off now when i turn the key it just clicks was told the fuel pump but redid it still wont start was told was the timing but unsure havent been able to start it since
Jan 3, 2025 at 1:20 PM
Avatar
STRAILER
  • CERTIFIED EXPERT
  • 53,855 POSTS
If the key just clicks I don't think it is the fuel pump, so you say the engine does not crank over it may have had a mechanical failure. Can you rotate the engine by hand. This video can help us.

https://www.youtube.com/watch?v=oN42gZN6gOE&t

Also, this video can help as well

https://www.youtube.com/watch?v=6YRW8fyNudY

Please go over these guides and get back to us.
Jan 4, 2025 at 11:18 AM