turn signal not working

1997 MITSUBISHI MONTERO
120,000 MILES • 6 CYL • 4WD • AUTOMATIC
Avatar
DAYLANI
  • MEMBER
  • 1 POST
My left turn signal will not turn on. My hazard lights however do work. How do I fix this problem?
Feb 6, 2009 at 11:08 AM
Advertisement
Avatar
BLUELIGHTNIN6
  • CERTIFIED EXPERT
  • 16,542 POSTS
Hello,

Suspect faulty turn signal flasher. It is located in the front seating area, driver side, under dash, mounted on upper part of fuse block on kick panel. If flasher is okay, signal switch will need replaced on steering column.


Thanks for using 2CarPros.com!
Feb 6, 2009 at 12:29 PM
Avatar
99MONTEROSPORT
  • MEMBER
  • 1 POST
1998 Montero Sport LS.
I have checked the bulbs, I have changed the relays and the turn signal switch and my turn signals still don't work. What is the issue?
Apr 30, 2020 at 10:48 PM
Advertisement
Avatar
STRAILER
  • CERTIFIED EXPERT
  • 53,855 POSTS
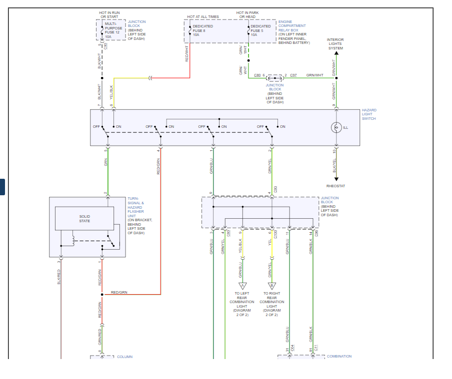
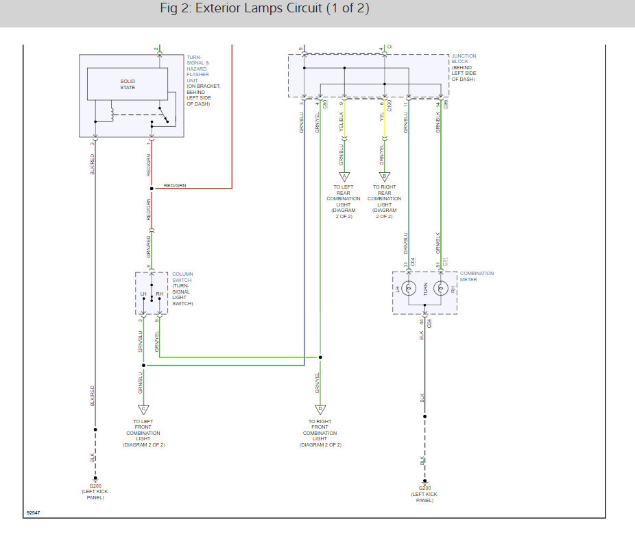
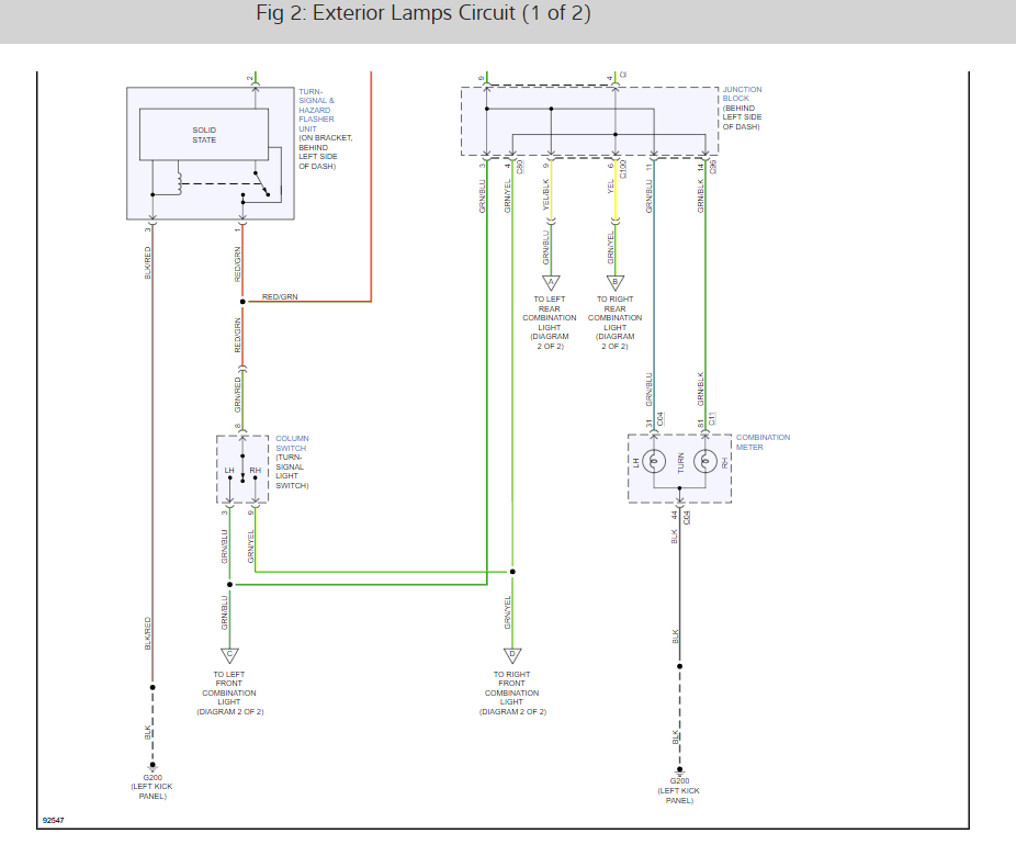
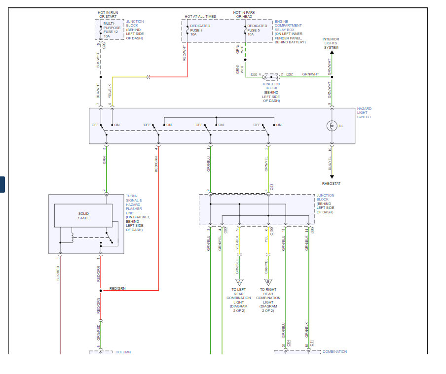
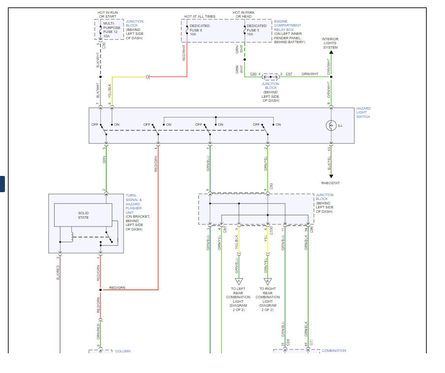
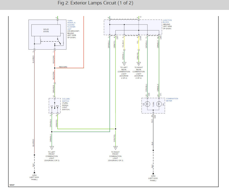
It sounds like you lost power or ground. here is the wiring diagrams so you can see how the system works and which wires to test. I would test through the flasher they go out all the time.

https://www.2carpros.com/articles/how-to-use-a-test-light-circuit-tester

Check out the diagrams (below). Please let us know what happens.

May 1, 2020 at 10:50 AM