ive changed my blubs but my right turn signal flashes rapidly plus my right rear brake light wont turn on ive also checked the fuses
May 4, 2009 at 12:43 PM
Advertisement
ATKAPARKING
MEMBER
64 POSTS
Check the inside of the bulb housing itself for power and ground, using a volt/ohm meter or a test light that will also diagnose ground circuit. If you are missing one of these (and I suspect it's the ground) check the wires to the housing to verify if the problem is in the housing. Sounds like a bad ground. this guide can help us fix it
Do i have to remove the steering wheel to replace the turn signal switch or can i get to it by removing the steering column covers?
Feb 18, 2021 at 12:39 PM
(Merged)
Advertisement
GUAIRDEAN
MEMBER
1 POST
No, it's not necessary to remove the steering wheel. Remove the three screws underneath the cover, unclip the switch (one at the top and one at the bottom) with your fingers and pull it out. Insert the new switch and replace the covers. Leave the steering column adjusting lever down to facilitate moving the column when removing the covers.
Feb 18, 2021 at 12:39 PM
(Merged)
STRAILER
CERTIFIED EXPERT
53,855 POSTS
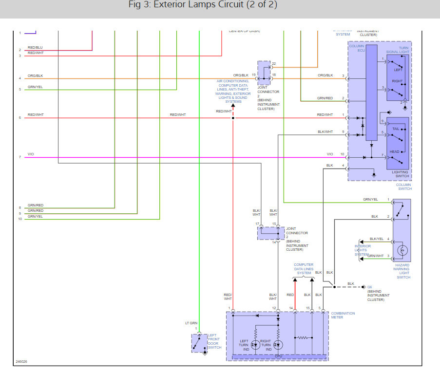
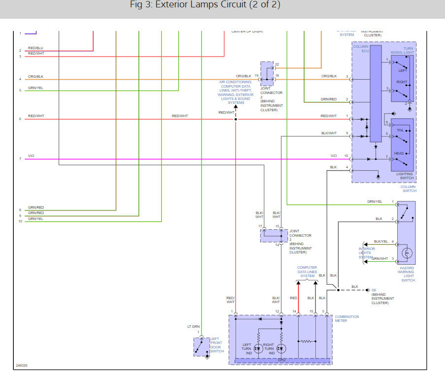
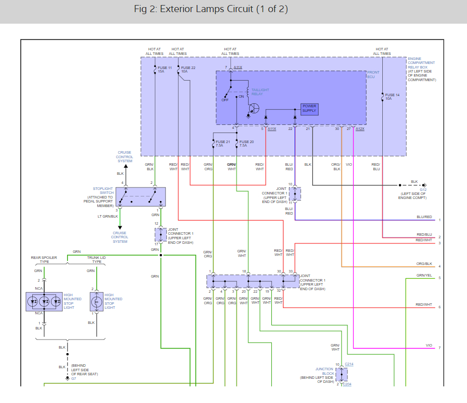
Here are diagrams to help you see what needs to be done. Excellent addition to this thread! Please feel free to help out whenever you are on the site :) Check out the diagrams (Below). Please let us know if you need anything else to get the problem fixed.
Image (Click to enlarge)
Feb 18, 2021 at 12:39 PM
(Merged)
TOLBERTRATLIFF
MEMBER
3 POSTS
Turn signals and hazard flashers stopped working. I replaced the headlight, turn signal switch and still no lights. Is there a relay? It's my step-daughters car and her Dad can't find owners manual. I'm an injured police officer and I would donate but don't have money right now. Please help!
Feb 18, 2021 at 12:39 PM
(Merged)
DOCFIXIT
CERTIFIED EXPERT
18,828 POSTS
Flashing control is by the ETACS ECU are dash indicators out also? see diagram for location
This guide can help us fix it
https://www.2carpros.com/articles/turn-signals-not-working-blinker
Please run down this guide and report back.
Feb 18, 2021 at 12:39 PM
(Merged)
TOLBERTRATLIFF
MEMBER
3 POSTS
Yes, dash indicators are out also.
Feb 18, 2021 at 12:39 PM
(Merged)
TOLBERTRATLIFF
MEMBER
3 POSTS
Thank you for your help.
Feb 18, 2021 at 12:39 PM
(Merged)
ERIKV11
MEMBER
1 POST
Our Galant has the same problem.
Can the ETACS ECU can be swapped between a 6cyl and a 4 cyl?
I know the 99-03 galants have generally interchangeable parts, but unsure about 6 cyl and 4 cyl for the ETACS ECU.
Feb 18, 2021 at 12:39 PM
(Merged)
TEDWILLIAMS2260
MEMBER
6 POSTS
looking for the turn signal flasher on 97 galant. Looked under dash, drivers side, all around fuse panel and can't seem to find it. There are 2 plastic gray colored relays beside fuse panel that won't come out. Is one of them the flasher or is it somewhere else?
Feb 18, 2021 at 12:39 PM
(Merged)
KHLOW2008
CERTIFIED EXPERT
41,814 POSTS
Hello,
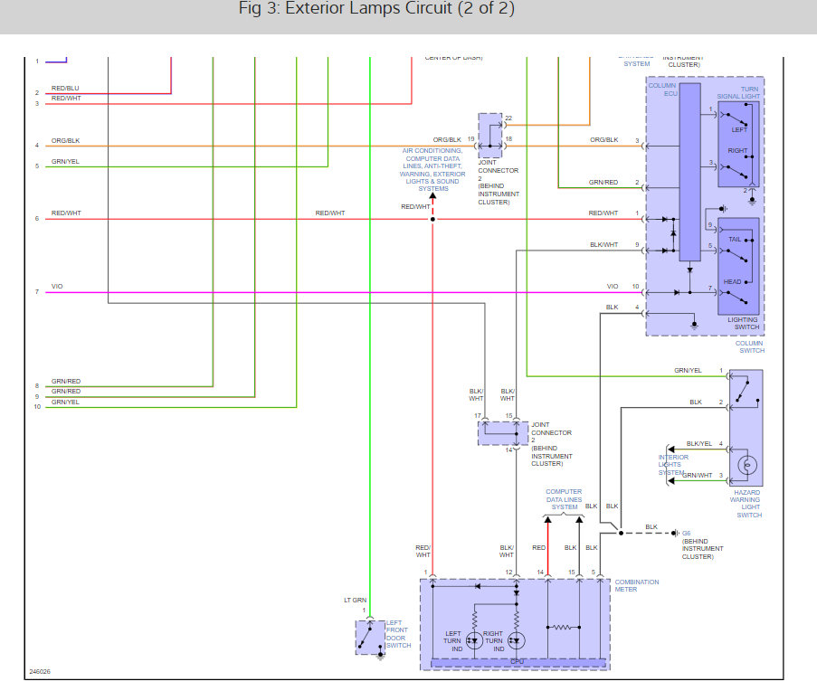
The turn signal flasher is located at lower left side of dash. Check out the diagrams (Below). Please let us know if you need anything else to get the problem fixed.
Image (Click to enlarge)
Feb 18, 2021 at 12:39 PM
(Merged)
LISA BROOKS
MEMBER
1 POST
I own a 1997 Mitshibshi Galant. I am trying to locate the turn signal flasher. I saw a diagram on this web site showing where it is supposed to be located. To the right of the fuse panel under the dash, but, it's NOT there. I see NOTHING close to it?
thanks for this site :-)
Feb 18, 2021 at 12:39 PM
(Merged)
JACOBANDNICKOLAS
CERTIFIED EXPERT
110,175 POSTS
It should be low on the steering column or to the left of it.
Feb 18, 2021 at 12:39 PM
(Merged)
DAVIDECHEN
MEMBER
1 POST
my blinkers and hazard signals we are not working on my 2006 Mitsubishi Galant ES. I replaced the 10A fuse for the hazards that is located in the fuse box under the hood by the driver side engine compartment.
Image (Click to enlarge)
Sep 22, 2022 at 4:16 PM
STRAILER
CERTIFIED EXPERT
53,855 POSTS
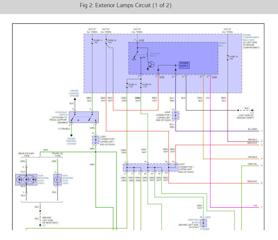
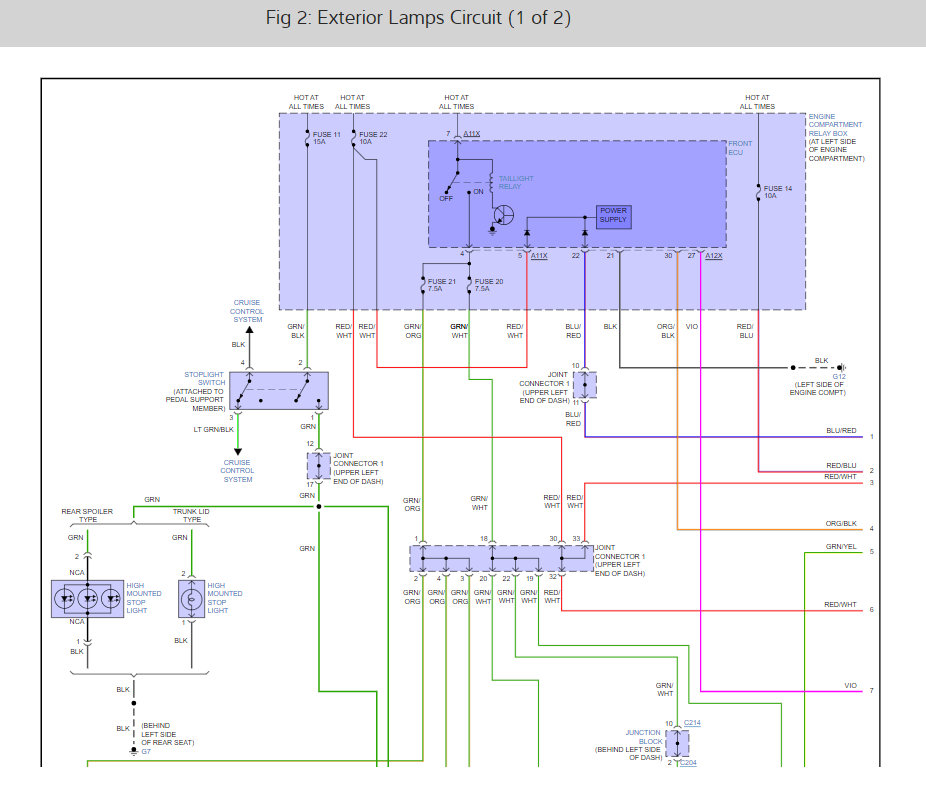
There are 7 fuses that run the blinker system. here is a wiring diagram for the blinkers and hazard lights so you can see how the system works and which fuses to check with a guide to show you how to check for power at the fuses.