Ignition No Spark?

1999 MITSUBISHI ECLIPSE
189,000 MILES • 4 CYL • FWD • MANUAL
Avatar
DOMEZTIK
  • MEMBER
  • 3 POSTS
My eclipse shut off on the highway last year for 5 mins and fired back up. Now it did the same thing a few days ago intermittently. Now it wont start at all. I dont have the cash to shotgun this thing and start throwing parts at it. I know im getting fuel you can smell it and i used a niode light to confirm pulse. I've heard of the ASD relay problem on the fire wall, bypassed the relay, same prob. I've seen a hundred people with the same problem with no real answer. I keep telling myself its the CKP sensor ($60 autozone) but its seems from reading forums that it probably wont fix my problem.
I dont have access to mitchell anymore so i was wondering if i can just test for reference voltage to and fro? There are three wires i guessing its power ground and signal return? Not sure which wire is which. Also i've heard that if the tach doesn't move when you crank then the CKP is bad. Any input would be great
Oct 1, 2010 at 7:27 PM
Advertisement
Avatar
KHLOW2008
  • CERTIFIED EXPERT
  • 41,814 POSTS
Hi domeztik,

Have you tried to retrieve for trouble codes? These guides can help us fix it

https://www.2carpros.com/articles/how-to-test-an-ignition-system

and

https://www.2carpros.com/articles/checking-a-service-engine-soon-or-check-engine-light-on-or-flashing

Please run down these guides and report back.

Replacing parts and hoping that it would work can be a rather expensive and tiring job.

Is your engine with turbo?

Perfom the following test to see if you can come up with any results.

DISTRIBUTORLESS IGNITION SYSTEM (DIS - 4-CYLINDER)
Ignition Coil Resistance (Eclipse)

1. On Eclipse 2.0L non-turbo, go to step 3 . On Eclipse 2.0L turbo and 2.4L, disconnect ignition coil connector. Go to next step.

2. On Eclipse 2.0L turbo, use DVOM to measure primary coil resistance between ignition coil connector terminals No. 2 and 3 (coil for cylinders No. 1 and 4) and terminals No. 1 and 3 (coil for cylinders No. 2 and 3). See Fig. 2 or Fig. 3 . On Eclipse 2.4L, use DVOM to
measure primary coil resistance between ignition coil terminals. Go to step 4 .

3. Disconnect ignition coil connector. Using DVOM, measure primary coil resistance at coil (component side) 3-pin connector. Measure between center and right terminals of connector for cylinders No. 1 and 4, and between center and left terminals of connector for cylinders No. 2 and 3.

4. On all models, remove ignition wires from coil. Measure secondary coil resistance between coil towers for cylinders No. 1 and 4 and between coil towers for cylinders No. 2 and 3. Primary and secondary coil resistance should be within specification. See
ECLIPSE IGNITION COIL RESISTANCE table. Connect coil harness connector. Connect ignition wires to coil.

ECLIPSE IGNITION COIL RESISTANCE - Ohms @ 68°F (20°C)
Application / Primary / Secondary
2.0L
Non-Turbo / 0.51-0.61 / 11,500-13,500
Turbo / 0.70-0.86 / 11,300-15,300
2.4L / 0.74-0.90 / 20,100-27,300
Oct 3, 2010 at 5:10 AM
Avatar
DOMEZTIK
  • MEMBER
  • 3 POSTS
Thanks alot for your detailed reply, sorry i wasnt specific about the engine was turbo or NA, mine is the NA. And i didnt specify a CEL. There were no codes.
I got antsy and bought the CKP, installed it, at first no spark but after continued crankiing it started to stumble, then start and stall, and eventually purrrred like a kitten.
So far so good, but one more question....

After you install a CKP does it take some cranking before it starts sending good pulse? That seemed like the case. It was weird, like the sensor needed time to "wake up" maybe because it was new. who knows?

Thanks for the help
Oct 7, 2010 at 6:25 PM
Advertisement
Avatar
KHLOW2008
  • CERTIFIED EXPERT
  • 41,814 POSTS
No, the CKP does not require any warming up time. Usually it would just fire up.

Keep your fingers crossed thet it is the cause.

Are you sure sparks was not available? One of the reasons it was difficult to start could be the engine compression had dropped and it requires some cranking to get it up.

The engine stalling after starting was because due to the excessive cranking, the cylinders were flooded and after clearing out, it ran smooth again.
Oct 8, 2010 at 8:01 AM
Avatar
DOMEZTIK
  • MEMBER
  • 3 POSTS
I agree with the CKP warm up thing, its not an H02s, it doesnt need to warm up and the flooding makes sense too. I had my fingers crossed but I just kinda figured the problem would come back and it did. I hate when something just starts working, i want to find a problem so i can say "THATS IT"
So now im going to be as detailed as possible.

When the car runs it runs perfect, there is no stuttering or stumbling no misfires or CEL. When its cold it will run fine until opererating temperature is reached. Then its like someone reaches under the dash and hits a toggle switch for the ignition. The spark is either on or off. Ok heres the weird part...When the car fires up it will idle for hours and hours w/o any problem. However as soon as you let out the clutch and transfer some power, BAM it shuts down. (it doesnt actually go bam there is no noise) While its idling im constantly wiggling wires trying to find a fault somewhere with no luck. That why im thinking ECM. I'm gonna check coil resistance like you said but this problem really doesnt seem like a coil issue. The coilpack on this car is a 2+2 type which shoots spark to 1-4 and 2-3 so when these fault the car usually misses on two cylinders.

Also on more weird phantom issue, this car never smoked a peep and before i bought it, i checked compression and it had 115 across the board which is rare for the pressure to be so accurate. So i knew i had a good engine. When i changed the timing belt about 10,000 miles ago the car smoked for about 10 miles and never smoked again. The smoke was white, but didnt smell sweet or like oil. My instructor at college told me that fuel problems could cause different colors of smoke and is often misdiagnosed.
My point being that the car is smoking a little not sure if it matters, not losing coolant or oil, think its fuel prob. But when the car is running normal before it shuts down there is zero smoke. remember no lean or rich codes, no P0420 catalyst codes. I think my Pcm is on the fritz but i just like second opinions.
Oct 8, 2010 at 2:45 PM
Avatar
KHLOW2008
  • CERTIFIED EXPERT
  • 41,814 POSTS
Even 2 + 2 type of coil can misfire on a single cylinder due to internal breakages at the spouts.

PCM would seldom give way after heating up, more often than not if fails when cold. However without any CEL, the best way is to plug in a diagnostic tool and go for a test drive. When problem occurs, note the funtions of the various sensors to see if any is out of specs.

Is it confirmed that whenever problem occurs, you do not get any sparks?

It could ba a bad wiring connection somewhere that is losing contact when it heats up.
Oct 9, 2010 at 6:13 AM
Avatar
2CP-ARCHIVES
  • MEMBER
  • 4,540 POSTS
My car won't start I changed my fuel pump and the coil because it had no spark now it's still no spark I don't what'd wroung
Oct 20, 2020 at 12:31 PM (Merged)
Avatar
JACOBANDNICKOLAS
  • CERTIFIED EXPERT
  • 110,175 POSTS
If it didn't have spark before, chances are you did nothing wrong. You need to check to make sure there is power to the coil. If there is, check the crank sensor.
Oct 20, 2020 at 12:31 PM (Merged)
Avatar
TCAMPTAC
  • MEMBER
  • 3 POSTS
My car will stall and then not start again. It's like I'm turning the key of. its keeps getting worse. if i disconnect the battery and reconnect it, the car will start and run for a few minutes. I replaced the fuel pump, the relays, the ignition coil, new plugs and wires, just to try and fix it. Any help would be greatly appreciated
Oct 20, 2020 at 12:31 PM (Merged)
Avatar
CARADIODOC
  • CERTIFIED EXPERT
  • 34,306 POSTS
The parts you listed are all over the place which suggests you haven't diagnosed anything. Throwing random parts at a problem is the least effective and most expensive way to diagnose it and it introduces new variables the Engine Computer has to contend with. It will be cheaper and faster to get a mechanic involved.

The first thing you have to do is determine if you're losing fuel pressure, spark, or both. Check for spark right after it stalls. If it's there but the engine won't restart, you can try a squirt of starting fluid to verify fuel is missing.

If spark is missing you can skip checking for fuel and go right to checking if the automatic shutdown (ASD) relay is turning on during cranking. Since you didn't list the engine size I don't know which ignition system you have or how many ignition coils it has. You'll have to figure out which wire is the 12 volt feed to one of the coils and monitor that with a test light. A digital voltmeter can work too but you have to watch it closely at first. You should see 12 volts on that feed wire for one second after a helper turns on the ignition switch, then it will go back to 0 volts. A lot of digital meters don't respond fast enough to catch that. That's why test lights work better for this test. What is important is whether that voltage comes back during engine cranking. If you had spark, it came back and there's no need to do this test. If the voltage doesn't come back during cranking the camshaft position sensor and the crankshaft position sensor are the main suspects. Normally there will be a diagnostic fault code set that will indicate which circuit needs further diagnosis.
Oct 20, 2020 at 12:31 PM (Merged)
Avatar
CHRIS PENDERGRAPH
  • MEMBER
  • 1 POST
Not getting fire threw the coil changed crank sensor cam sensor coil wiring harness and computer still nothing need help please
Oct 20, 2020 at 12:31 PM (Merged)
Avatar
AL514
  • CERTIFIED EXPERT
  • 5,465 POSTS
not sure if you replaced the entire wiring harness, but I had the same problem with an Eclipse, Start checking the wiring harness plugs everywhere. I found one that was completely corroded, I think it was the coil pack plug. it was a while ago so I remember exactly. but that was the problem. the car would intermittently stop running, losing spark. It took a while to find, but check every plug in the engine compartment. plus fuses, fuseable links and relays
Oct 20, 2020 at 12:31 PM (Merged)
Avatar
STRAILER
  • CERTIFIED EXPERT
  • 53,854 POSTS
To add to it, please check the grounds at the battery, if they become disconnected or corroded it will cause the computer system not to power up.

Let us know how it goes so it will help others.

Best, Ken
Oct 20, 2020 at 12:31 PM (Merged)
Avatar
WRSTEWART
  • MEMBER
  • 1 POST
I crank the car over and over and no spark. I have fuel, have compression, the timing is right. but there is no spark. I have replaced the coil pack, and coil wire connector, power transistor, replaced and tested the crank angle sensor wire the blue wire, replaced the cam angle sensor and replaced the connector. I replaced the PCM from a running 97 Avenger Engine Computer 05293014AC and still nothing. I also checked many grounds are there for the ignition. I checked the spark while cranking the engine and I am not getting no spark but I do have digital signal constant light on?
Oct 20, 2020 at 12:32 PM (Merged)
Avatar
JDL
  • CERTIFIED EXPERT
  • 16,098 POSTS
Are those two computers compatible with the same vehicle?

Did you check for applicable mil codes? You can do that yourself. You cycle the key, no crank, just turn key till dash lites come on. on--off, on--off, on, then the mil starts flashing, you count the flashes to get the codes. Your looking for two digit codes.

At the ignition coil, the black wire with red tracer should be hot with engine cranking, is it?

"A digital signal constant lite", from where?
Oct 20, 2020 at 12:32 PM (Merged)
Avatar
VICTORR14
  • MEMBER
  • 2 POSTS
hi i bout my car not so long ago and it don not start it cranks but no spark and when the ignition in on only belt, RSR, and fuel light go on the rest stays off can u pleas help me... thanks.
Oct 20, 2020 at 12:32 PM (Merged)
Avatar
FIXITMR
  • CERTIFIED EXPERT
  • 9,990 POSTS
check all relays and fuses for good.
Oct 20, 2020 at 12:32 PM (Merged)
Avatar
VICTORR14
  • MEMBER
  • 2 POSTS
thank you and yes i check all fuses and relays i found one fuse bad and replace and steel same. But some time it stats but most of time it dosn't like not check ignition no nothing. Is it posebel that some wiers might be melted and it dos not havegood contact ?
Oct 20, 2020 at 12:32 PM (Merged)
Avatar
MRFLINTSTONE27
  • MEMBER
  • 1 POST
trying to find out why my car is not getting spark or fuel i tap into the fuel pump it dose work but im not getting any spark does any 1 no whatit could be i cheack all of the fuse but not the relays dont no which 1 it could be. and i was wondering dose the car have a shut off switch like ford this the first prob i had ever had out of the car
Oct 20, 2020 at 12:32 PM (Merged)
Avatar
LEONU4
  • MEMBER
  • 15 POSTS
Is there an orange check engine light when you turn the key to the on position? If not, your computer isn't working. If there is, it is working. you say the fuel pump is working, so I would check for spark next. pull a plug wire & insert a screwdriver & place about 1/4 inch away from a metal part of the engine while you crank on it. If there is a good blueish poping spark then time to check injector pulse with a noid light or at least, do a fuel pressure check. You may spray some throttle body cleaner in the throttle body & see if it wants to crank.
Oct 20, 2020 at 12:32 PM (Merged)
Avatar
SAM JORDAN
  • MEMBER
  • 1 POST
It has no spark, replace camshaft sensor coil pack. There was some wiring under the dash for an alarm system before I bought the car. Drive belt is okay. Any answers? I am thinking maybe ECM.
Oct 20, 2020 at 12:32 PM (Merged)
Avatar
STEVE W.
  • CERTIFIED EXPERT
  • 15,113 POSTS
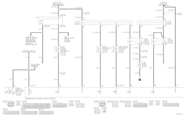
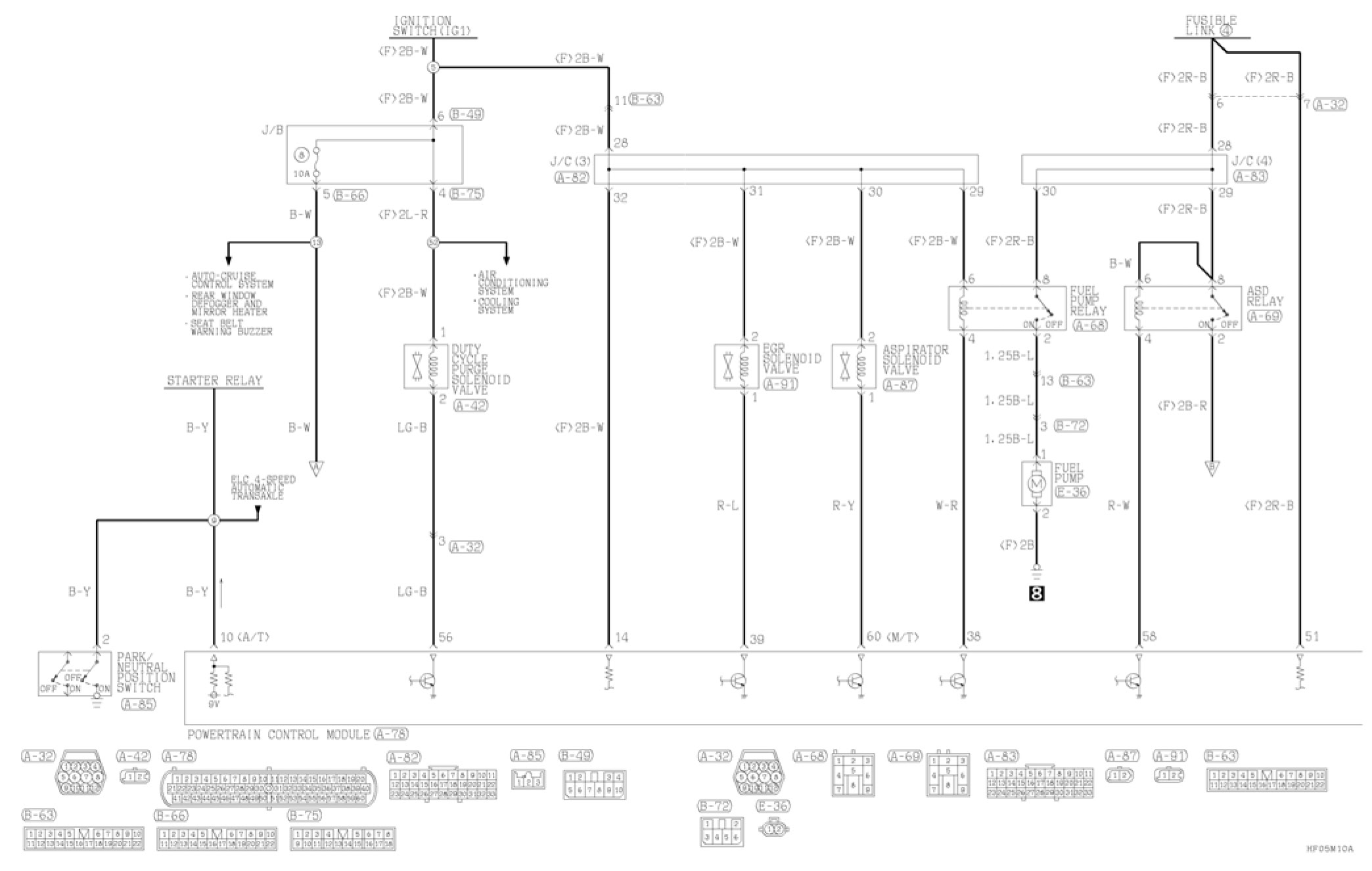
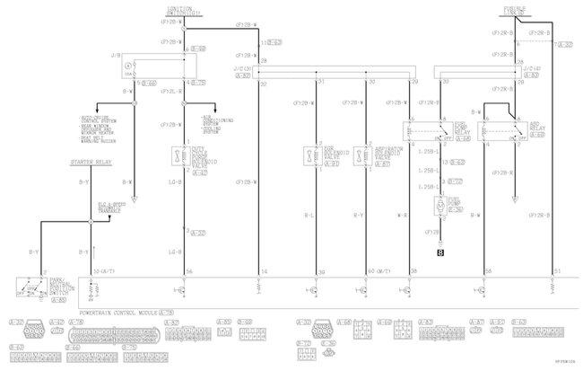
I would check the wiring and make sure that removing the alarm parts did not shut it down. Many are wired in so that they will shut off spark, fuel or both when tripped so if the wiring was just cut that could easily be the problem. I would first check that the ASD relay is activating, that would be the easiest item to disable with an alarm and it shuts off a large amount of the items the engine needs to run. The first image is the power-train feeds, the second is the items that receive power from the ASD relay. The coil and injectors are the big items.
Oct 20, 2020 at 12:32 PM (Merged)