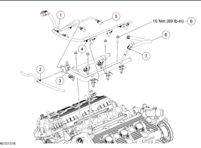
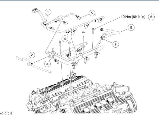
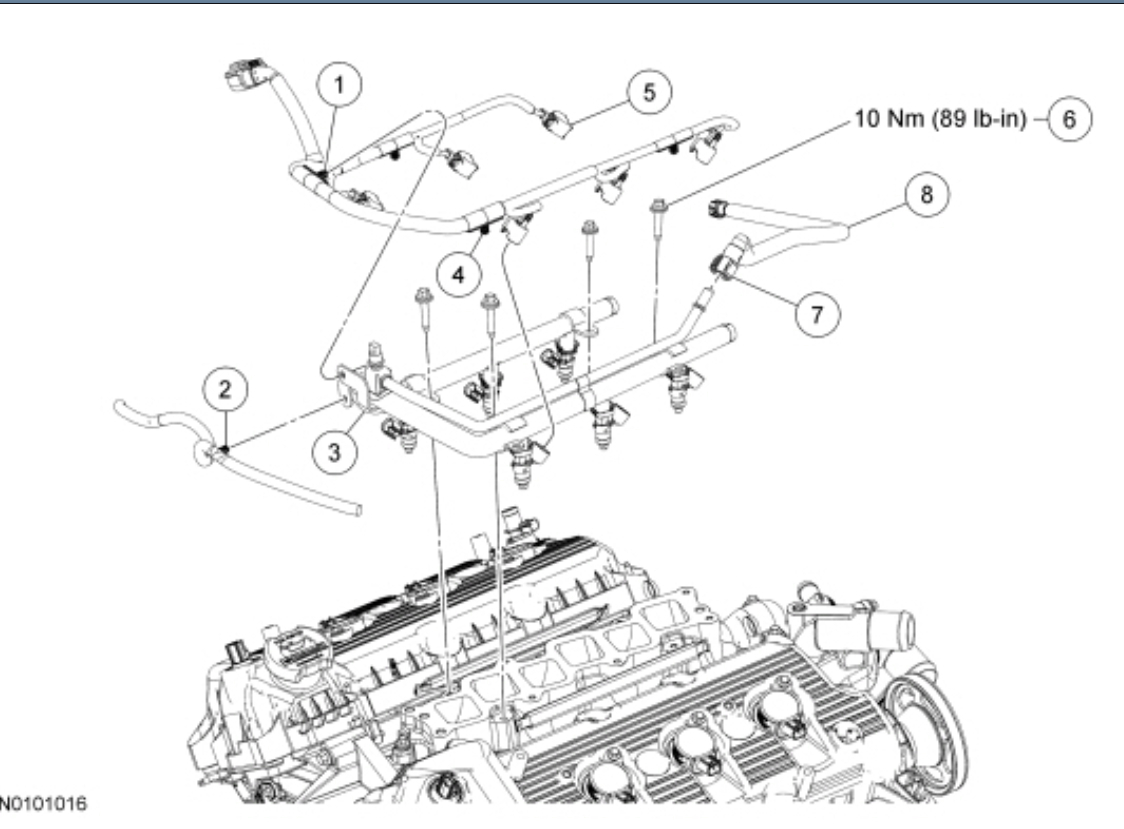
My vehicle starts up like a charm in the morning and can drive nonstop with no issues. But if I turn off the engine to get gas etc. and crank it back up, it will misfire and start running rough, and will not stop misfiring until engine is completely cool again. It is giving me codes P0204 and P0304. Any help will be greatly appreciated.
Sep 10, 2023 at 8:18 AM







