Please help. My truck was running fine then it wouldn't start. Changed multiple things. Crank sensor fuel pump. Fuel filter. And ended up being a bad PCM. (Took to a mechanic). Got new PCM installed and truck ran great but had engine light on. Diagnosed forever to figure out why and spent a lot of money. Well, ended up being i got a bad PCM. i actually went through 3 PCM's because the check engine light wouldn't go off. Had 3 different mechanics suggest this. So when waiting on 3rd PCM i (stupidly) washed around my truck motor and undercarriage.
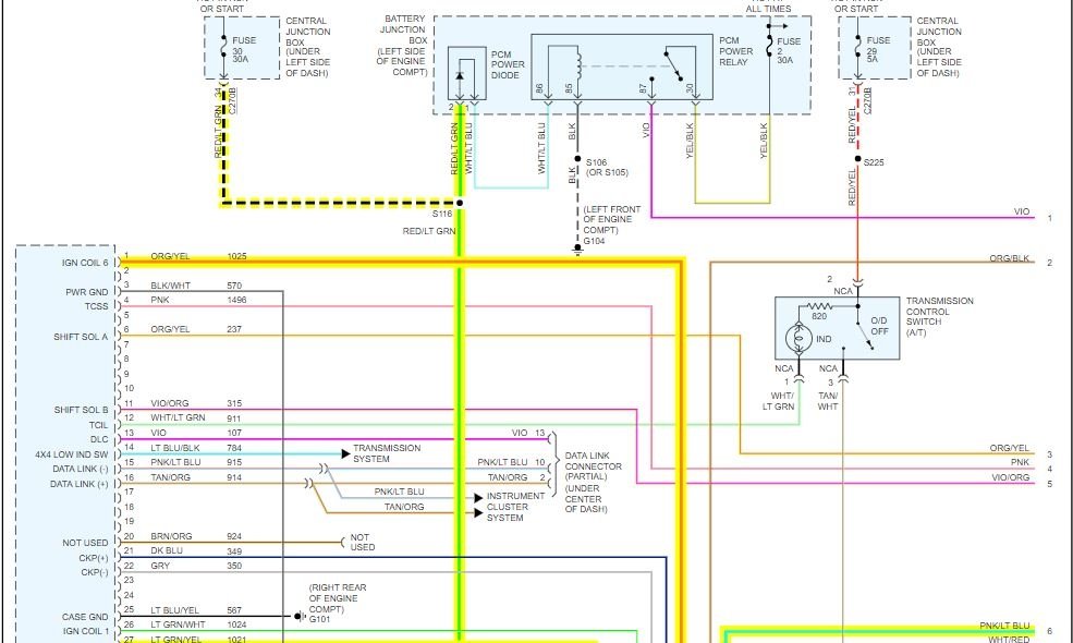
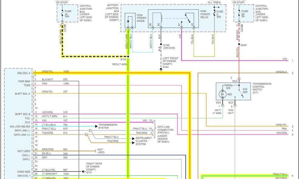
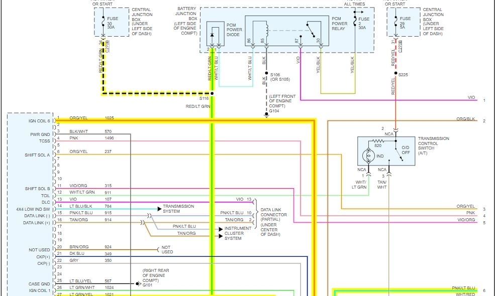
I tried staying away from electrical components because of small oil leaks and was trying to see exactly where the leaks were. After i got my new PCM in and installed the truck now misfires on cylinders 5, 7, and 8. But when i first start it and drive it runs perfect for about 15 to 20 seconds. Then will not accelerate and runs really rough. I'm only getting code P0355 but i have a buddy who works for Ford hook it up to his laptop that has a good program and it shows those 3 cylinders are having the misfire. I have done plugs and coils and replaced intake manifold gasket but still misfires. I even swapped plugs and coils and injectors from bank one on cylinders that were running fine and no change happened. Still 5, 7 and 8 are missing. I have confirmed the coils are firing and getting signal from pcm like they should so i am pretty sure i have ruled that out. And the problem was never occurring until i washed it. I have spent $1,200.00 US dollars on this truck trying to diagnose and have gotten nowhere. I need any help i can get and no one seems to know.
I tried staying away from electrical components because of small oil leaks and was trying to see exactly where the leaks were. After i got my new PCM in and installed the truck now misfires on cylinders 5, 7, and 8. But when i first start it and drive it runs perfect for about 15 to 20 seconds. Then will not accelerate and runs really rough. I'm only getting code P0355 but i have a buddy who works for Ford hook it up to his laptop that has a good program and it shows those 3 cylinders are having the misfire. I have done plugs and coils and replaced intake manifold gasket but still misfires. I even swapped plugs and coils and injectors from bank one on cylinders that were running fine and no change happened. Still 5, 7 and 8 are missing. I have confirmed the coils are firing and getting signal from pcm like they should so i am pretty sure i have ruled that out. And the problem was never occurring until i washed it. I have spent $1,200.00 US dollars on this truck trying to diagnose and have gotten nowhere. I need any help i can get and no one seems to know.
Jan 3, 2021 at 3:15 PM






