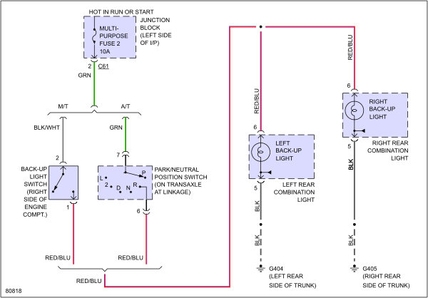
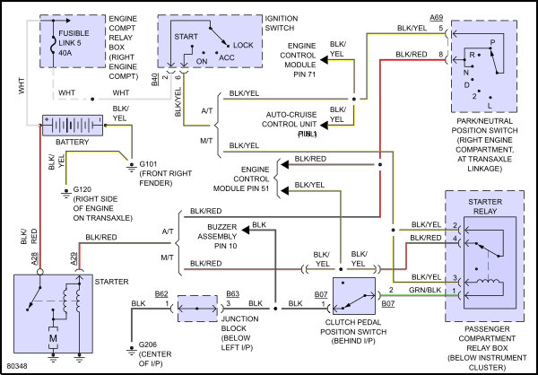
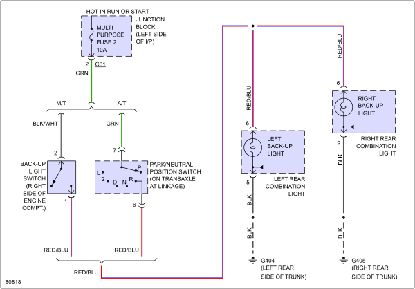
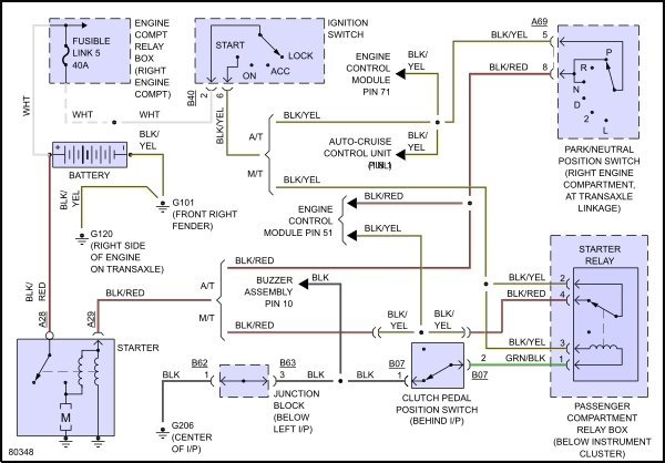
My mate has helped me do a automatic to manual conversion. the only thing i need to do now is bypass the inhibitor switch and the reverse switch pretty much all the electrical stuff, but i do not know any electricians so i do not know which cables to bridge. can anyone help?
Aug 7, 2016 at 10:29 PM



