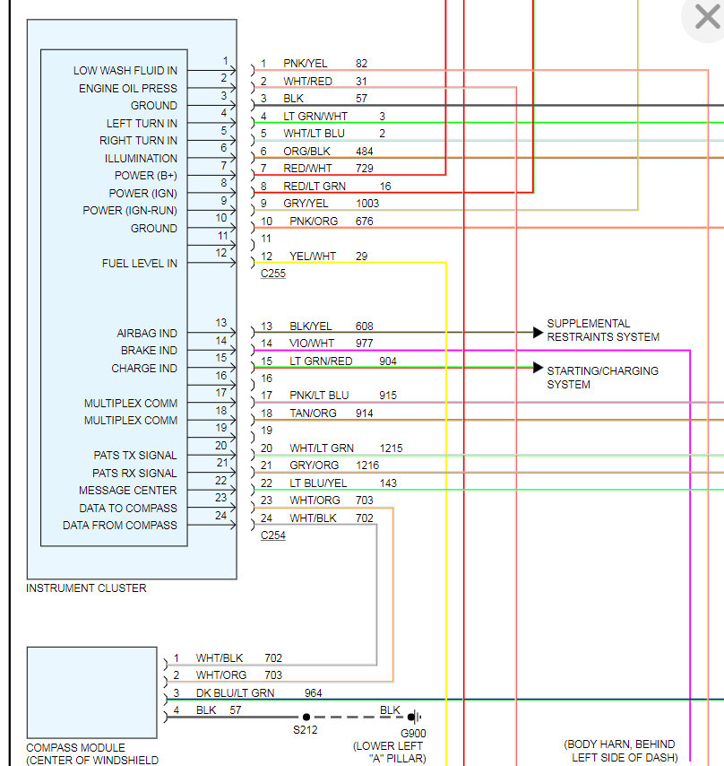
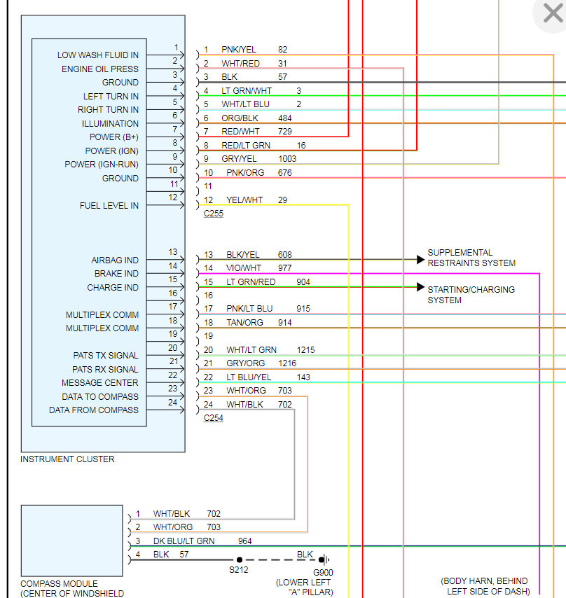
Message center was working fine, and one day while I was driving the display stopped working. I’ve checked the fuses and couldn’t find any blown. Any ideas?
Nov 28, 2019 at 11:09 AM


