Door ajar light stays on

2003 MERCURY SABLE
57,600 MILES • 6 CYL • FWD • AUTOMATIC
Avatar
FOXERELLA
  • MEMBER
  • 4 POSTS
The car door light stays on, telling me a door is open. No door is open. The dome light stays on also. The power locks are going up and down. What is happening??Any one having same problems??When I turn the car off, the dome light stays on. To get it to go off I have to disconnect the battery..
Jan 11, 2010 at 12:16 AM
Advertisement
Avatar
KASEKENNY
  • CERTIFIED EXPERT
  • 18,907 POSTS
This is going to be due to one of your door ajar switches is remaining open.

So, what happens is when you open the door, the door switch goes open, and the light comes on.

However, if the switch failed and the circuit is always open then it thinks the door is remaining open.

So, we need to remove the connector on each of the latches and just the connector on pin 5 to ground one at a time and see when the light turns off.

When it does this is the latch that needs to be replaced. The trunk needs to be tested as well.

https://www.2carpros.com/articles/how-to-check-wiring

https://www.2carpros.com/articles/door-panel-removal

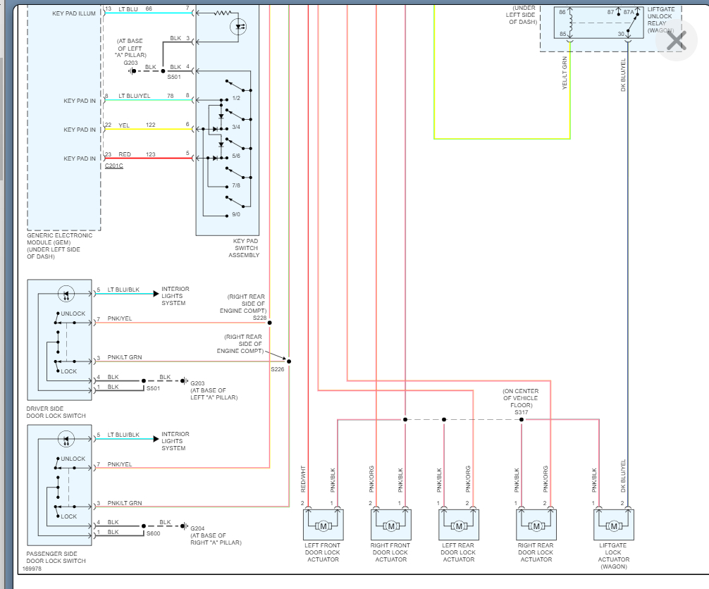
Please see the wiring diagram below that will help with this.

Please let us know what questions you have on this.

Thanks
Jan 28, 2022 at 5:46 PM