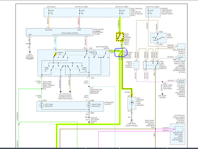
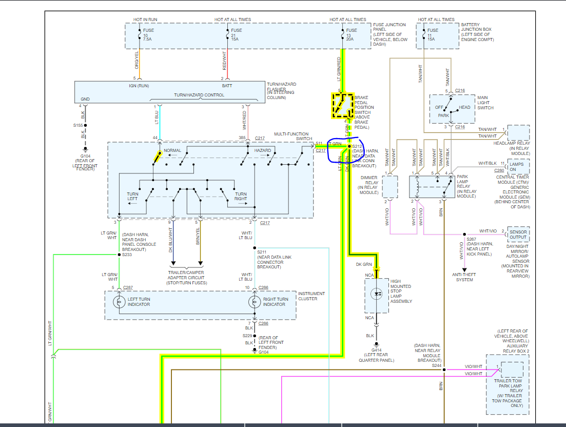
The turn signals and tail lights work. My third brake light works but my regular brake lights do not. Any thoughts? I replaced the brake light switch already. Also I do not have a fuse box chart to tell me which fuses are for what. Thanks in advance for any help.
Jan 1, 2009 at 11:01 PM



