Cant find vacuum line

1997 MERCURY MOUNTAINEER
140,000 MILES • V8 • AWD • AUTOMATIC
Avatar
LTDMERCHANT
  • MEMBER
  • 1 POST
On the rear driver side of the intake manifold is a T shaped vacuum line valve. On goes to the rear of the engine and the other looks to go to the front along the fuel lines. The truck was running fine then I got i to drive and it sounded like a very bad vacuum leak. i do not know where this line went as i dont see anything hanging. Also now when turning left or right my steering wheel shudders a little. Does this line go to the power steering or what? No manuals I can find show a diagram showing where this line goes. Please Help.
Apr 7, 2009 at 1:28 PM
Advertisement
Avatar
BLUELIGHTNIN6
  • CERTIFIED EXPERT
  • 16,542 POSTS
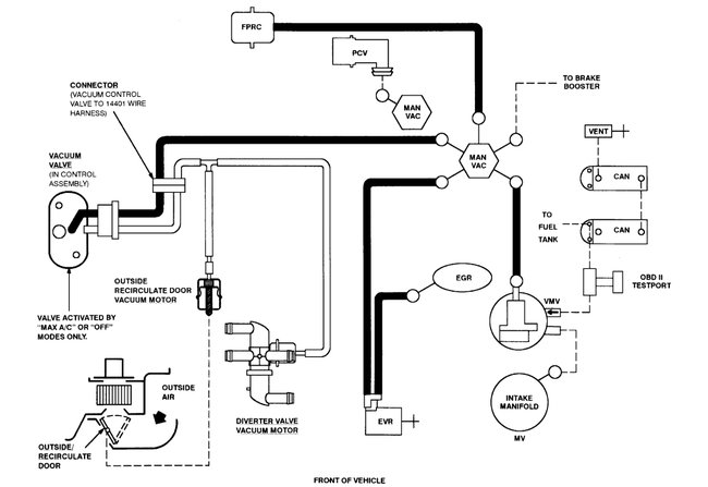
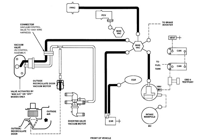
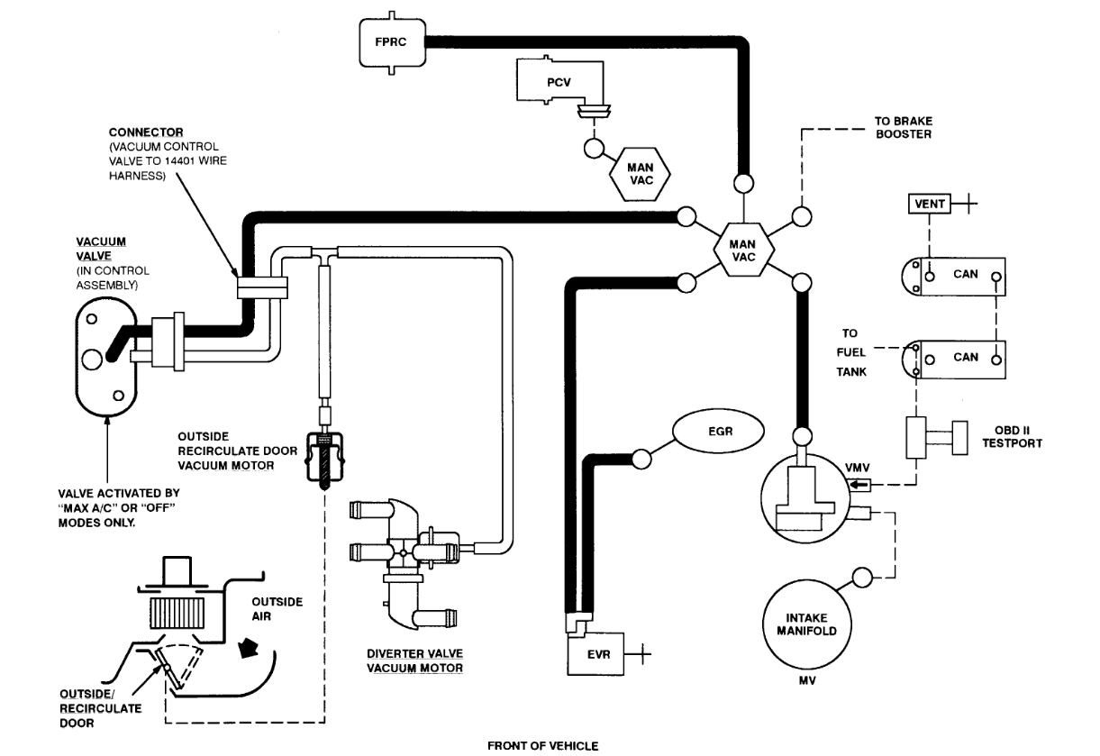
Vacuum diagram is below for your vehicle. Check out the diagrams (Below). Please let us know if you need anything else to get the problem fixed. Thanks for using 2CarPros.com!
Apr 7, 2009 at 1:34 PM