1997 Mercedes Benz S420 LOCATION OF BLOWER MOTOR RELAY

1997 MERCEDES BENZ S420
Avatar
  • MEMBER
  • 1 POST
Air Conditioning problem
1997 Mercedes Benz S420 Two Wheel Drive Automatic 92505 miles

I'M TOLD THAT I HAVE A BAD BLOWER RELAY PART NUMBER BEHR90341GKR I NEED TO KNOW WHERE IT'S LOCATED IN MY CAR. THANKS IN ADVANCE FOR ANY HELP YOU CAN OFFER. THE BLOWER MOTOR DOES NOT WORK AT ALL SO PERHAPS I WAS WRONG ON THE NAME OF THE PART. LETS GO WITH THE LOCATION OF THE RESISTOR, OR SWITCH AS I THINK THAT'S PROBABLY MY PROBLEM. THANKS AGAIN FOR YOUR HELP. DEACO
Sep 2, 2010 at 10:19 PM
Advertisement
Avatar
STRAILER
  • CERTIFIED EXPERT
  • 53,855 POSTS
Hey Deaco,

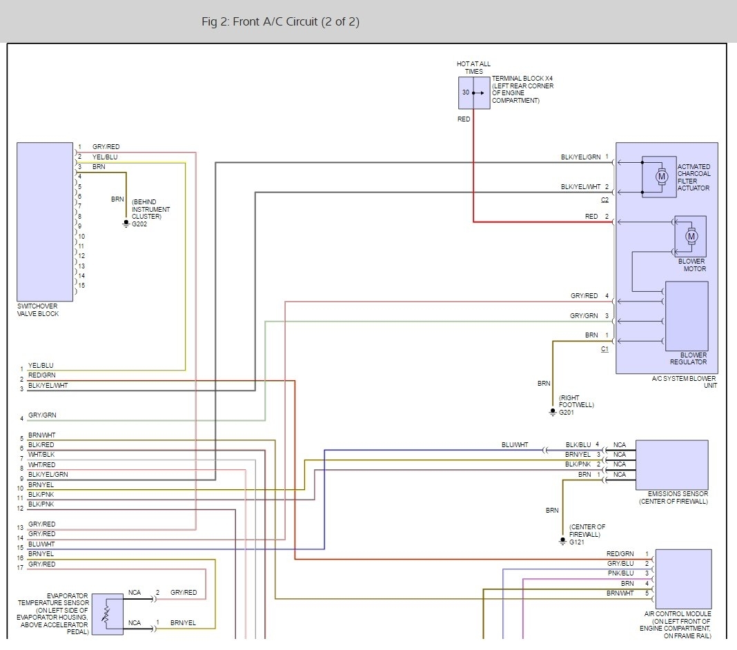
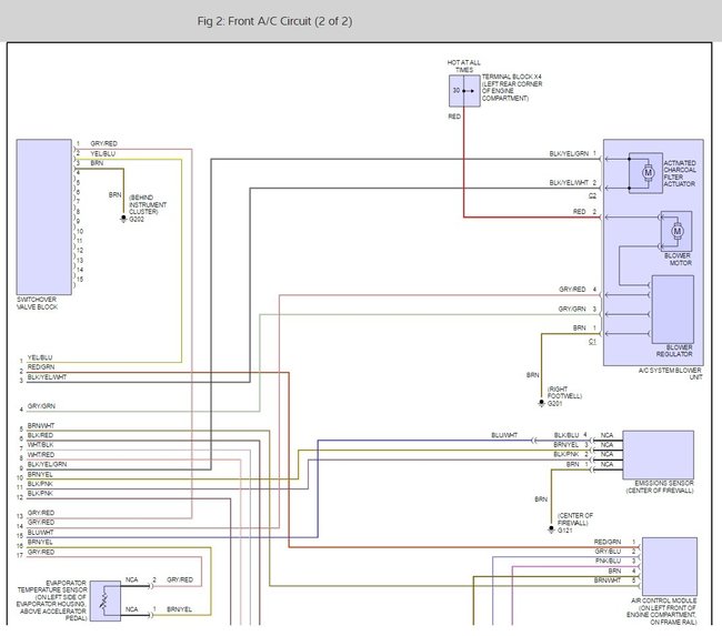
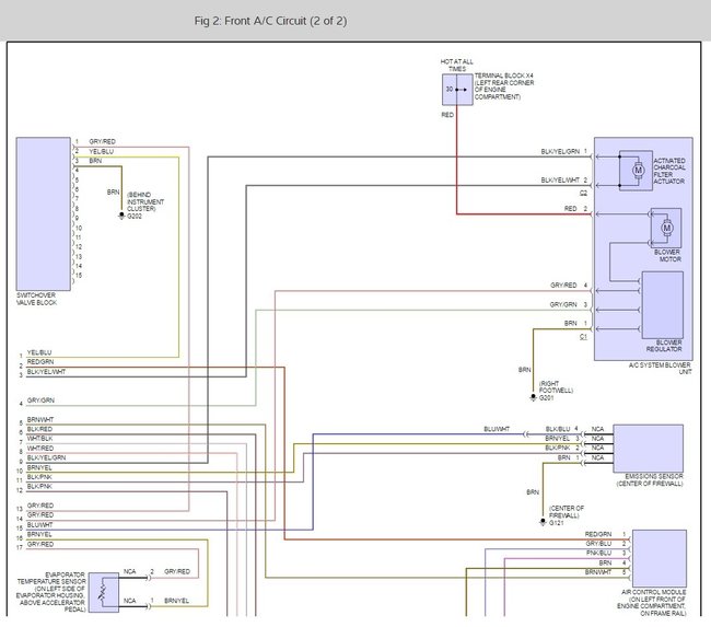
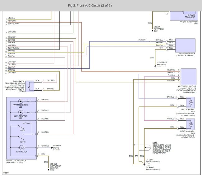
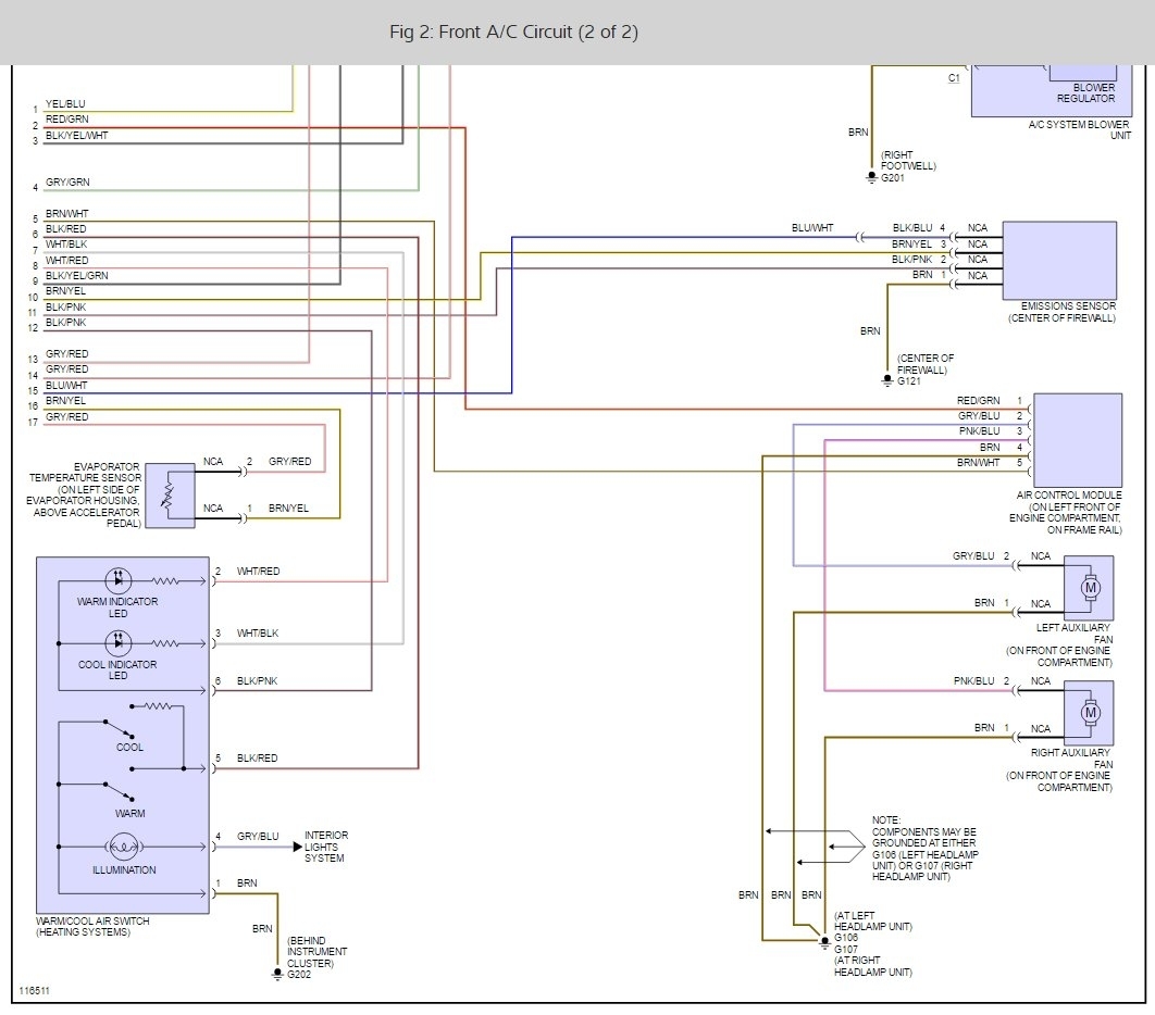
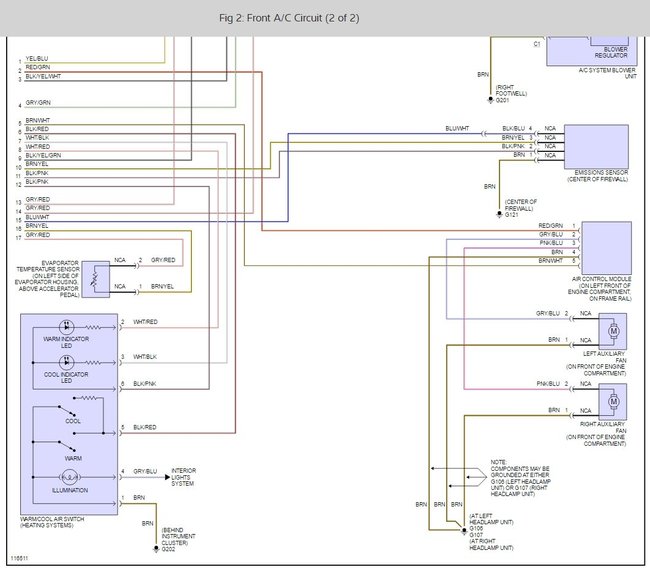
There is no resistor, but there is a speed control module which is right next tot he blower motor. here is a wiring diagram that show you how the circuit is routed out and a guide that will help you test for the problem and get it fixed.

https://www.2carpros.com/articles/how-to-use-a-test-light-circuit-tester

Please run some tests and get back to us so we can continue helping you.

Best, Ken
Mar 1, 2017 at 11:56 AM