Mercedes Benz E320 2003

2002 MERCEDES BENZ E320
87,000 MILES • 6 CYL • AUTOMATIC
Avatar
KAREN D TRIPP
  • MEMBER
  • 1 POST
wipers don't work, dash light don't come on, radio doesn't come on, where are the fuses/ and relays located
Sep 8, 2016 at 5:07 PM
Advertisement
Avatar
STRAILER
  • CERTIFIED EXPERT
  • 53,854 POSTS
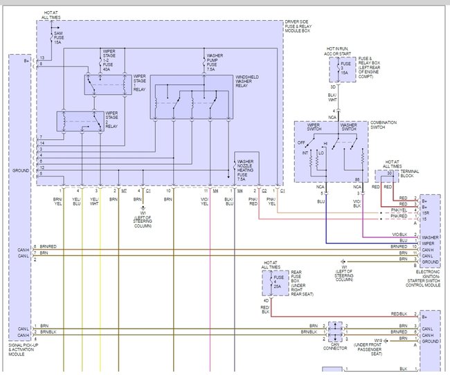
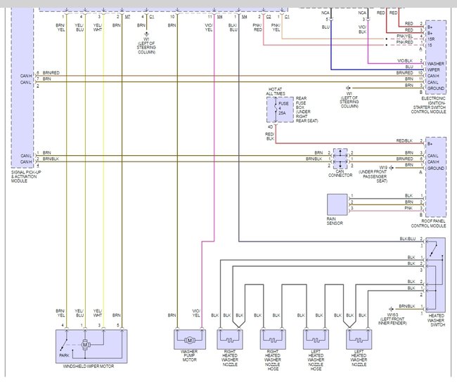
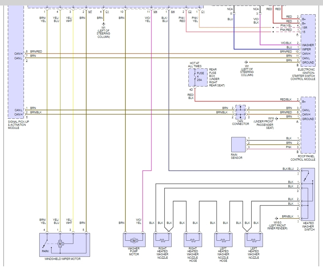
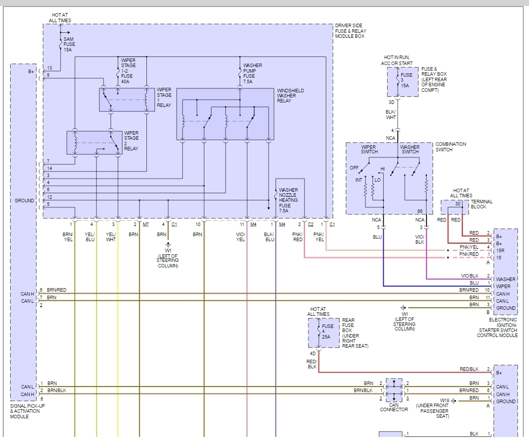
They are under the hood, here is a couple of diagrams that should help you.

Please let us know what you find so it will help others.

Best, Ken
Sep 14, 2016 at 7:31 PM