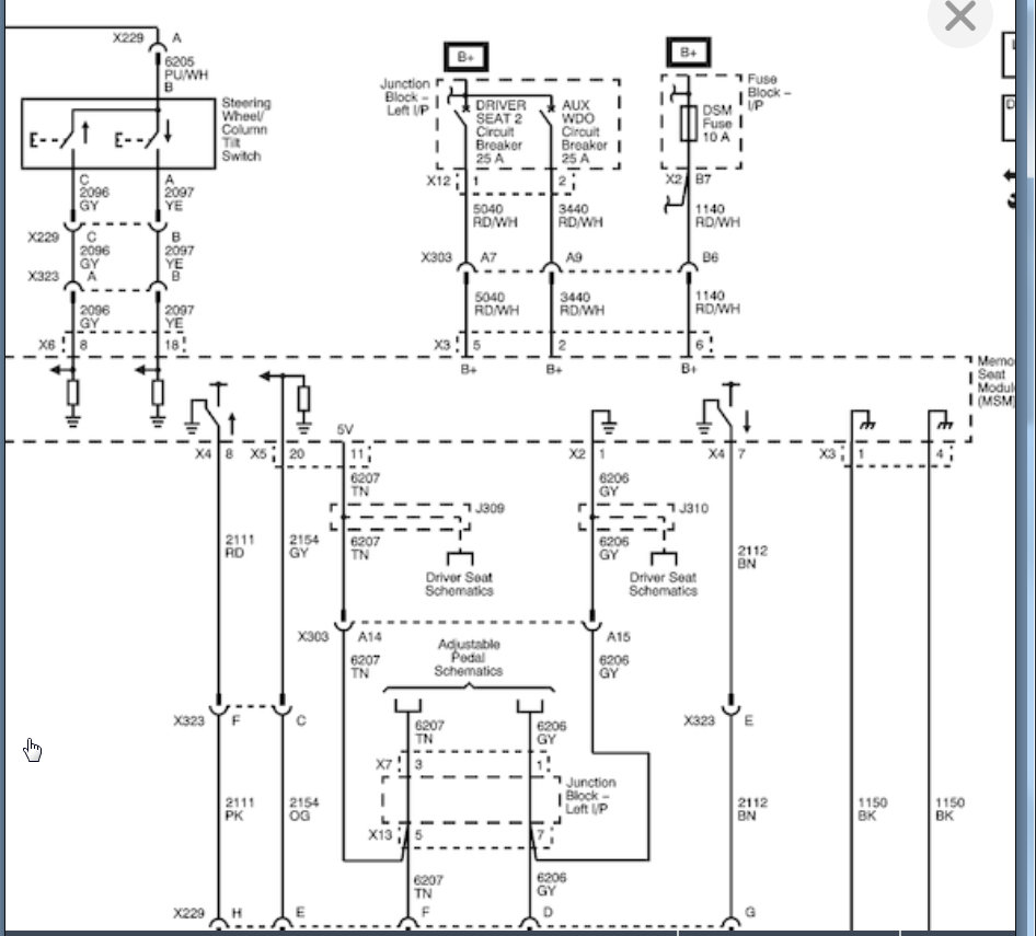
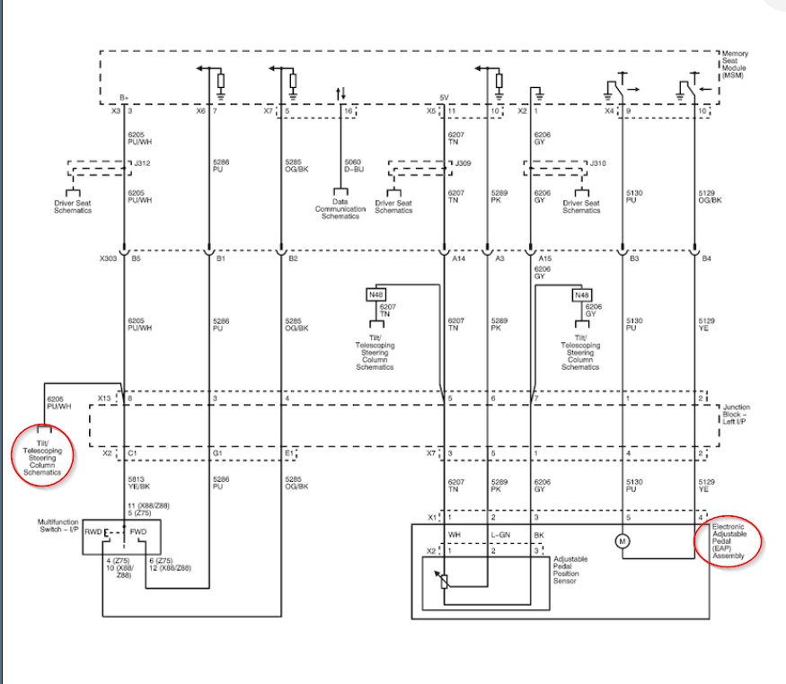
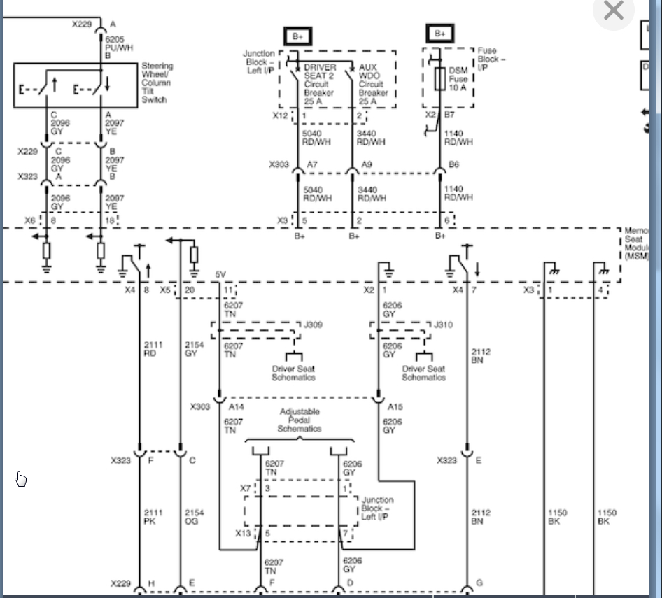
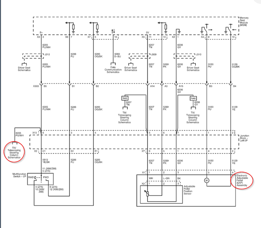
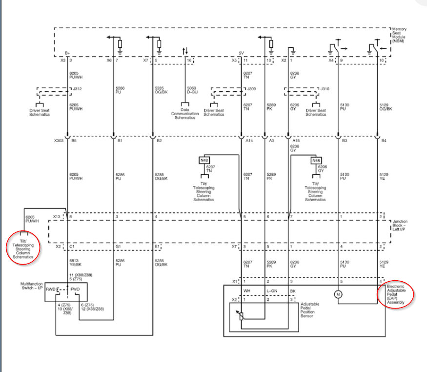
I would assume that the memory seat module is the issue. According both wiring diagrams the MSM controls both functions. So I would probably go ahead and replace this unless you want to check voltage coming out of the MSM to each function.
Let me know what happens but I would be surprised if this is not the issue.
Images (Click to enlarge)
Nov 24, 2019 at 6:58 PM