☰
Login
Join
×
Home
Answered Questions
Repair Topics
Repair & Service Guides
Popular Questions
Warning Lights
Trouble Codes
How It Works
Testing / Diagnostics
Symptoms
Videos
Login
Become a Member
Home
Mazda
Truck
Engine
Vacuum Hose Diagram
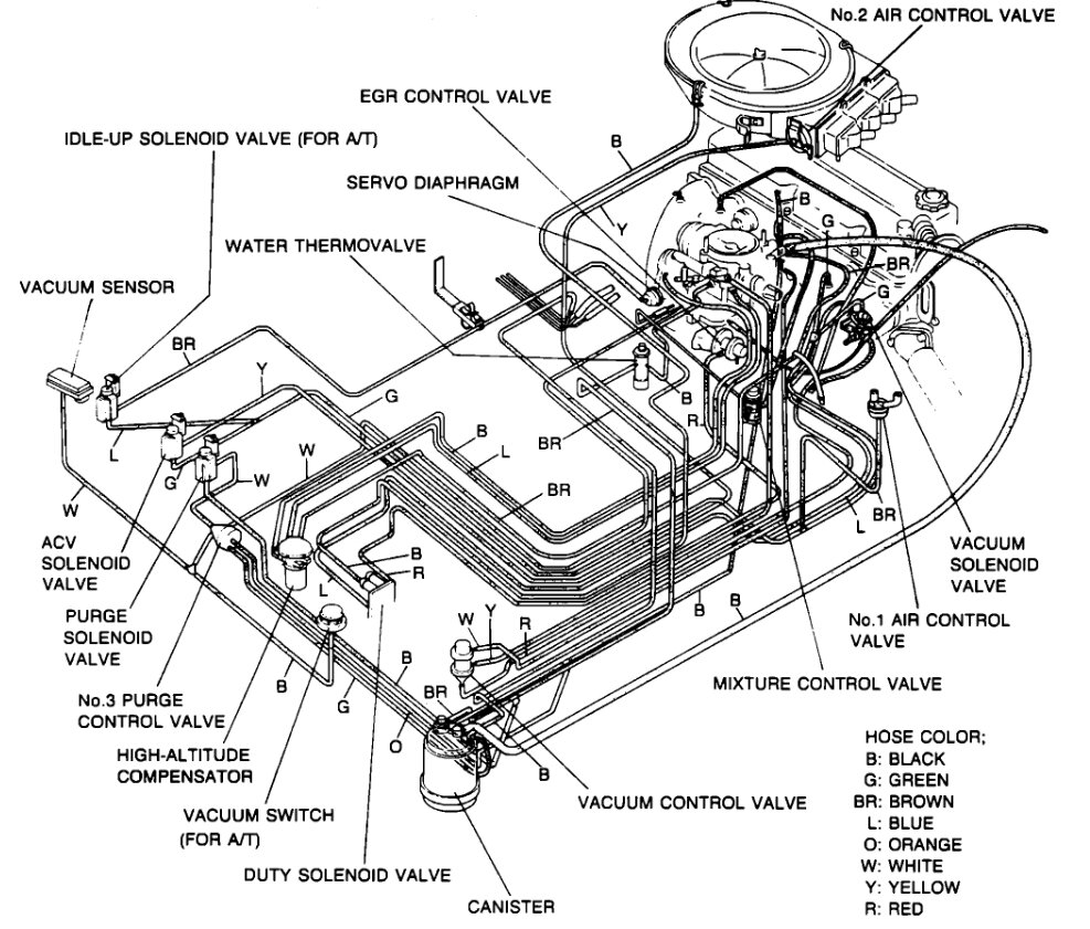
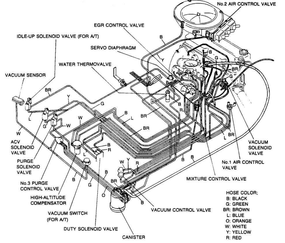
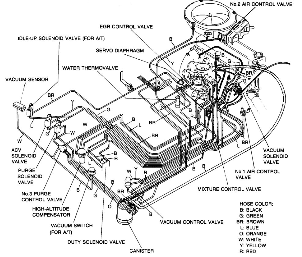
1989 Mazda Truck vacuum line diagram
1989 MAZDA TRUCK
170,000 MILES • 4 CYL • 2WD • MANUAL
MIKE HUNTER
MEMBER
1 POST
FOLLOW
Where can I get a vacuum line diagram for this truck ? it has a 2 barrel carb
Thanks Mike
Dec 7, 2007 at 1:17 PM
Advertisement
MERLIN2021
CERTIFIED EXPERT
17,250 POSTS
Will send via email...you'll never see on a web!
Dec 7, 2007 at 2:09 PM
STRAILER
CERTIFIED EXPERT
53,854 POSTS
Here is the vacuum line diagrams for the engine and emissions systems. Check out the images (below). Let us know if you need anything else.
Image (Click to enlarge)
Jul 13, 2024 at 4:35 PM
Advertisement