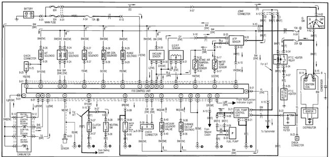
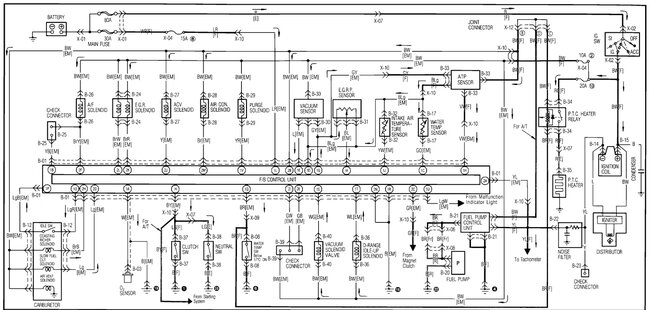
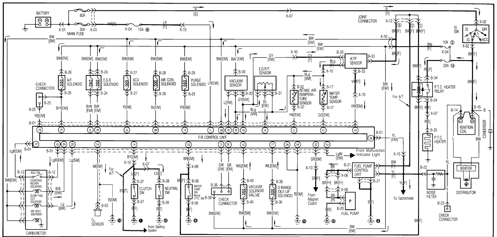
In 01/2001 the catalytic converter was replaced. In 11/2007, a rotten egg odor has returned. The regular repair shop says that the cat converter must be replaced, the engine is running smoothlyt; however, when i call around to other repair facilities, then say that it's prolly a rich fuel mixture. i know nothing about how to determine which is right, I'd just like to get it repaired to prevent further damage. In addition, most of the responses in your forums lean towards the rich fuel being the problem. What and/or who is best to resolve and fix this rotten putred smell?
Dec 9, 2007 at 1:18 PM

