☰
Login
Join
×
Home
Answered Questions
Repair Topics
Repair & Service Guides
Popular Questions
Warning Lights
Trouble Codes
How It Works
Testing / Diagnostics
Symptoms
Videos
Login
Become a Member
Home
Mazda
Tribute
Drivetrain
Transmission
Park
2005 Mazda Tribute CANNOT SHIFT OUT OF PARK
2005 MAZDA TRIBUTE
150,000 MILES • 6 CYL • 2WD • AUTOMATIC
WBORCUTT
MEMBER
1 POST
FOLLOW
The shift lever is locked in park. I do not hear the "click" of the selonid when I push on the break pedal. What is the problem?
Aug 18, 2009 at 11:31 PM
Advertisement
JACOBANDNICKOLAS
CERTIFIED EXPERT
110,175 POSTS
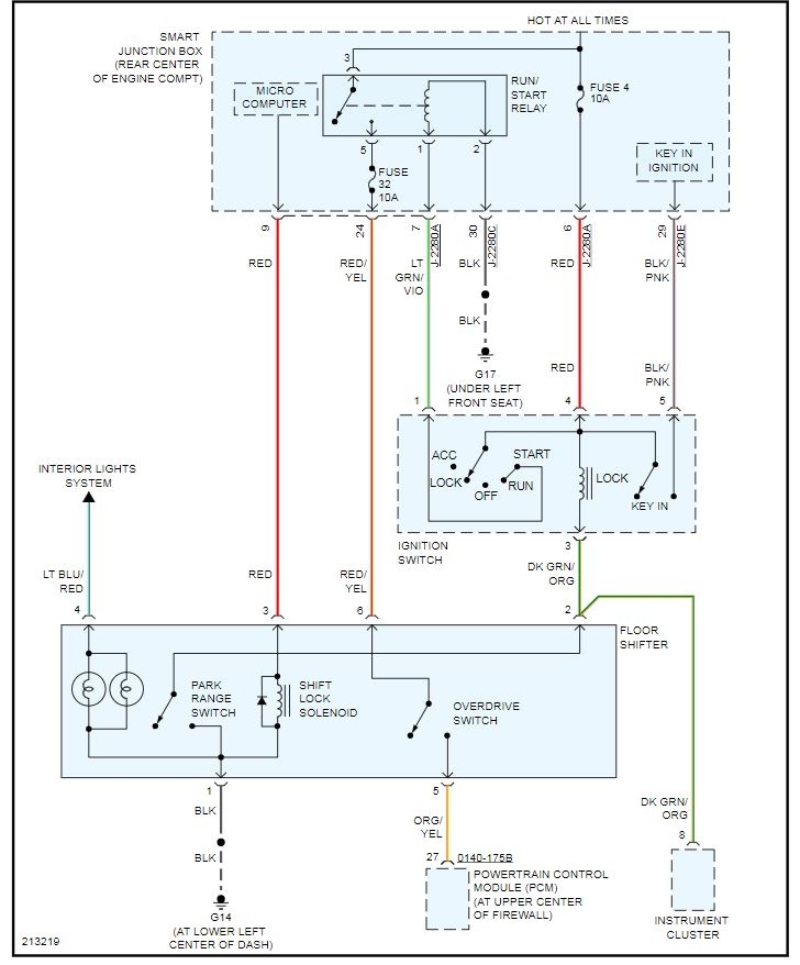
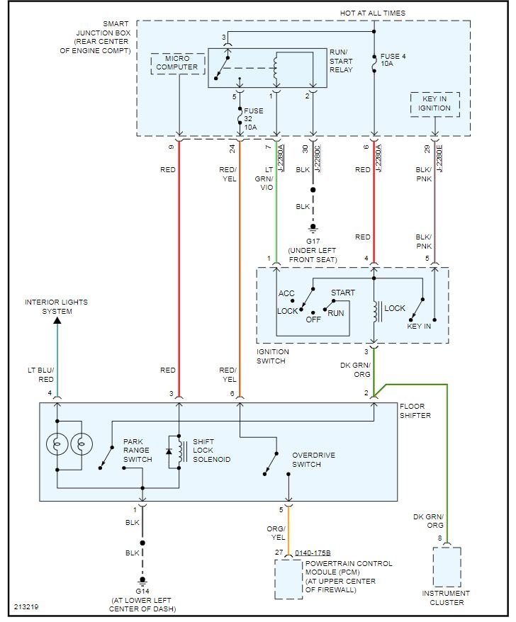
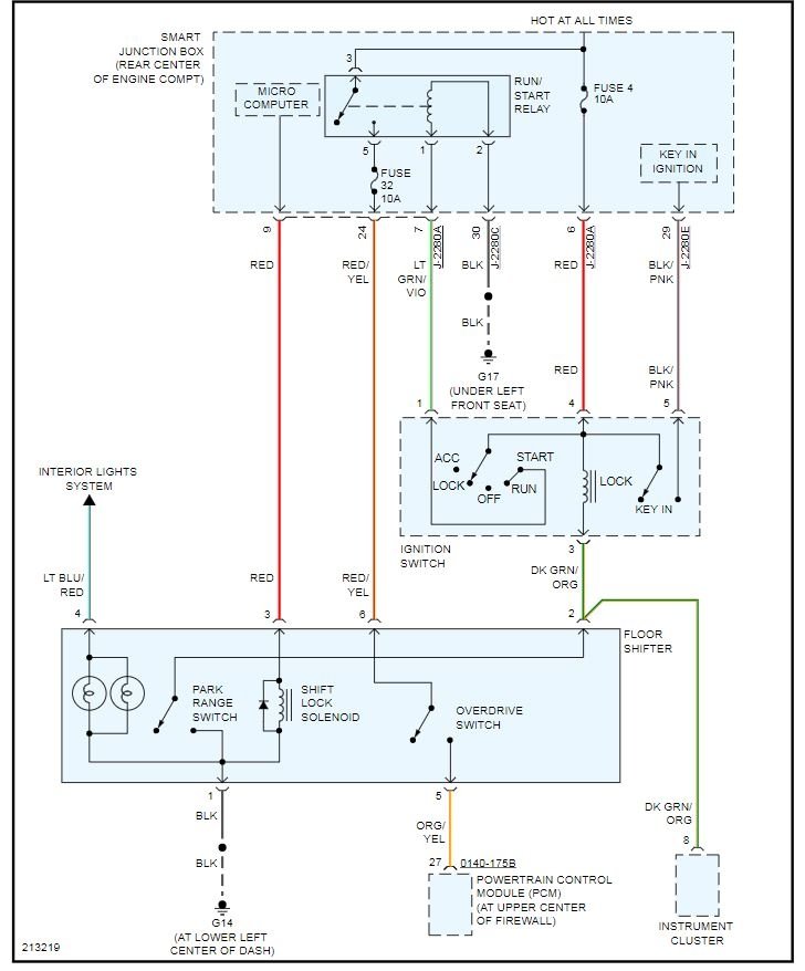
The shift interlock on this vehicle is controlled by a relay and the transmission range sensor
See the guide below on testing relays
https://www.2carpros.com/articles/how-to-check-an-electrical-relay-and-wiring-control-circuit
Let me know.
The wiring diagram for the interlock system is attached below
Image (Click to enlarge)
Aug 18, 2009 at 11:37 PM