Suspension problem 4 cyl Front Wheel Drive Automatic 98000 miles
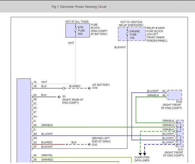
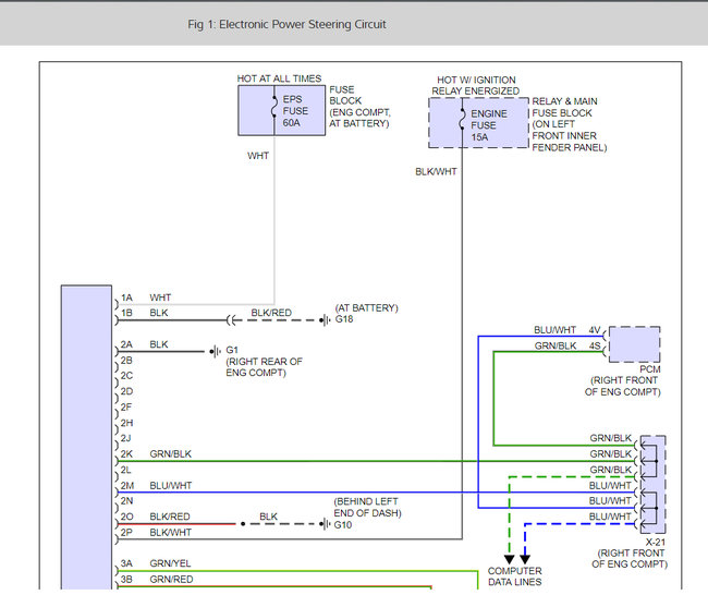
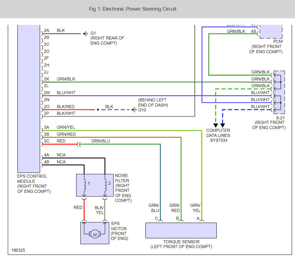
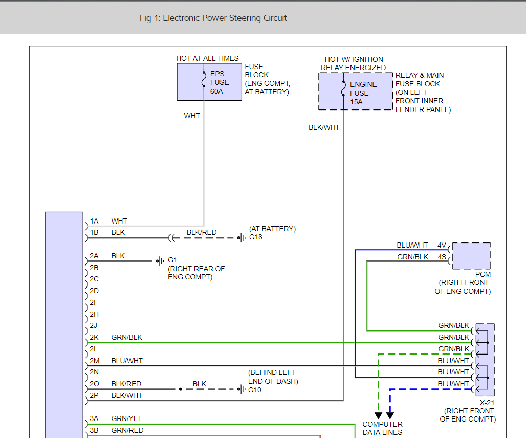
Power steering is gone out again. Light on on dash. Replaced fuse, still having problem.
Power steering is gone out again. Light on on dash. Replaced fuse, still having problem.
Jan 17, 2009 at 1:07 PM


