no dashboard lights no tail lights

2002 MAZDA PROTEGE
Avatar
KEEFERIS
  • MEMBER
  • 1 POST
Electrical problem 4 cyl Front Wheel Drive Manual 122639 miles
----------------------------------------------------------------
2002 protege 5, While driving I lose my dash board and rear lights, so I check my fuses, found the blown one and replaced with a good new one, turned my head lights on and it blows right away, I took both back tail lights out and tried a new fuse with the lights out of the holder and the fuse blows right away again, so I took the instrument cluster out and put in a new fuse with it out and the same thing happens, my head lights and turn signal lights, radio, inter lights all work just fine, so I'm pretty sure I have a short some place, but any idea as to the best place to start from?
Feb 13, 2008 at 1:25 AM
Advertisement
Avatar
STRAILER
  • CERTIFIED EXPERT
  • 53,855 POSTS
Hello,

It sounds like you have a tail ight control relay that has gone bad but to be sure please follow this guide to test the relay.

https://www.2carpros.com/articles/how-to-check-an-electrical-relay-and-wiring-control-circuit

If the relay checks out okay you need to check for a power wiring touching ground and the best way to do that is follow this guide to find the problem.

https://www.2carpros.com/articles/how-to-check-wiring

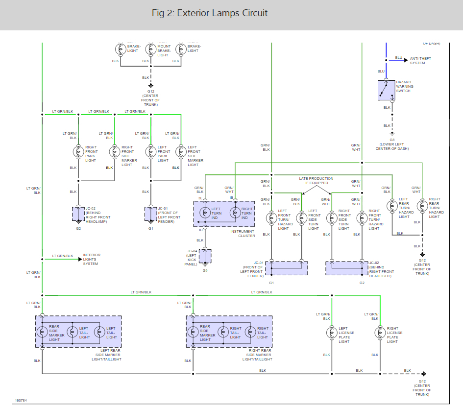
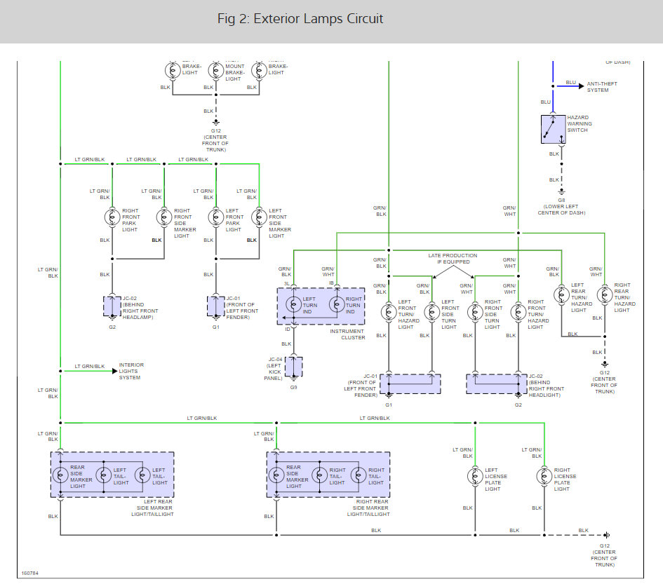
Here are the tail light wiring diagrams and relay and fuse panel locations (below)

Please run some tests and get back to us.

Cheers, Ken
Dec 18, 2017 at 1:45 PM
Avatar
YAYO26
  • MEMBER
  • 1 POST
Electrical problem
1999 Mazda Protege 4 cyl All Wheel Drive Automatic 167700 miles

my in dash light does not work neither my tail lights and parking dash lights
Dec 18, 2017 at 1:45 PM (Merged)
Advertisement
Avatar
KHLOW2008
  • CERTIFIED EXPERT
  • 41,814 POSTS
Hi yayo26,

Check the underhood fuse for taillight.
Dec 18, 2017 at 1:45 PM (Merged)
Avatar
MIATAANNIVEDITION
  • MEMBER
  • 2 POSTS
Electrical problem
1999 Mazda Miata Anniversary Edition
I bought a 99 Mazda Miata Anniversary Edition last night. On the way home, the tail lights just quit working. All other lights, including back-up lights, seem to be okay. Fuses look fine. Where should I look for the source of the problem? Both sides went out simultaneously as I was driving. (Husband was behind me and saw them.) Thanks.
Dec 18, 2017 at 1:45 PM (Merged)
Avatar
RASMATAZ
  • CERTIFIED EXPERT
  • 75,992 POSTS
Check the tail fuse 15amp in the main fuse box if its blown if okay-test or swap the TNS relay with a similar one at right rear corner of engine compartment
Dec 18, 2017 at 1:45 PM (Merged)
Avatar
MAZDA7
  • MEMBER
  • 1 POST
My Mazda protoge's front fog light, side door light and back yellow tail light won't turn off. When I put the left turn signal on this happens. I unplugged the battery a couple of times and worked but now it isn't working. What do I do?

It has already killed the first battery that was in the car.
Dec 18, 2017 at 1:45 PM (Merged)
Avatar
CADIEMAN
  • CERTIFIED EXPERT
  • 3,544 POSTS
It seems like you might have a BCM that is failing causing the problem you have described. Please get back to us with your findings
Dec 18, 2017 at 1:45 PM (Merged)