Engine Mechanical problem 4 cyl Four Wheel Drive Manual 173000 miles
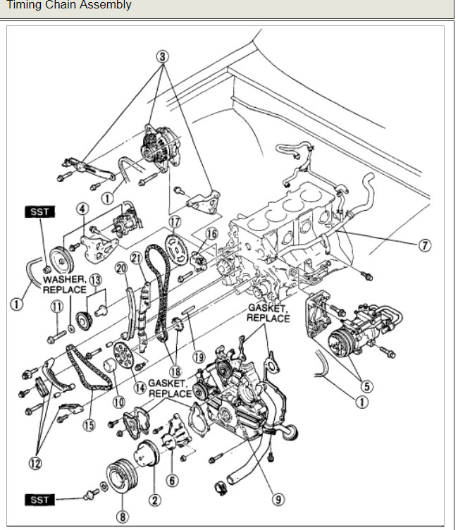
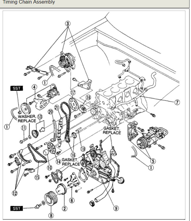
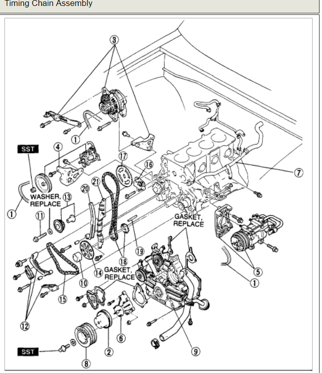
i am needing the timing marks for my 2.6l 4x4
i am needing the timing marks for my 2.6l 4x4
Sep 15, 2010 at 8:01 PM






