Electrical problem 4 cyl Four Wheel Drive Manual 154K miles
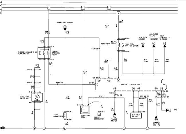
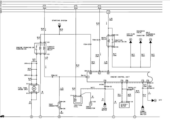
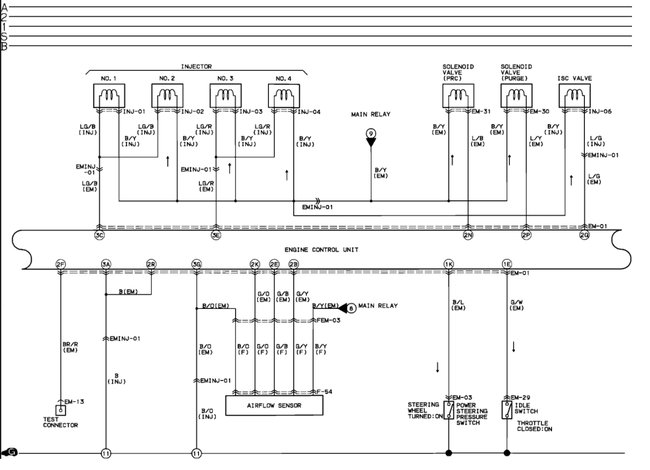
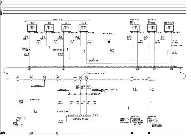
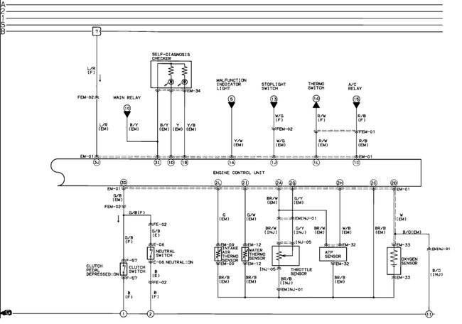
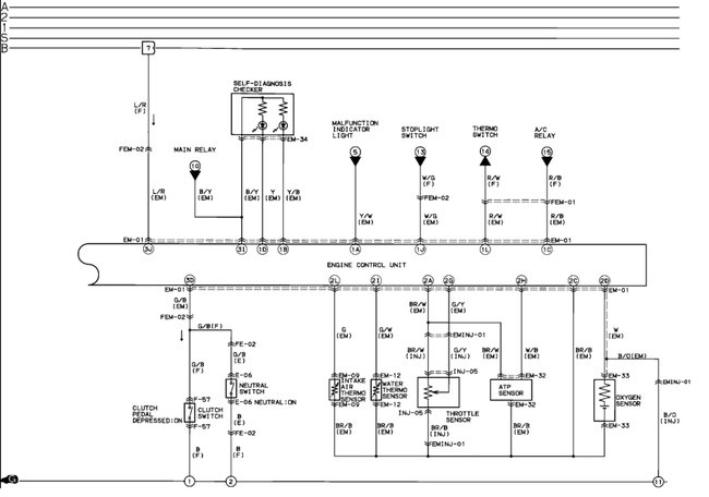
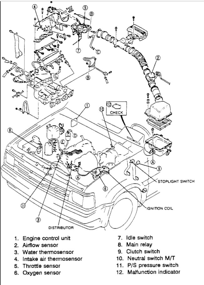
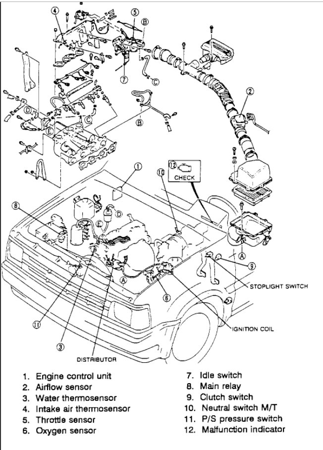
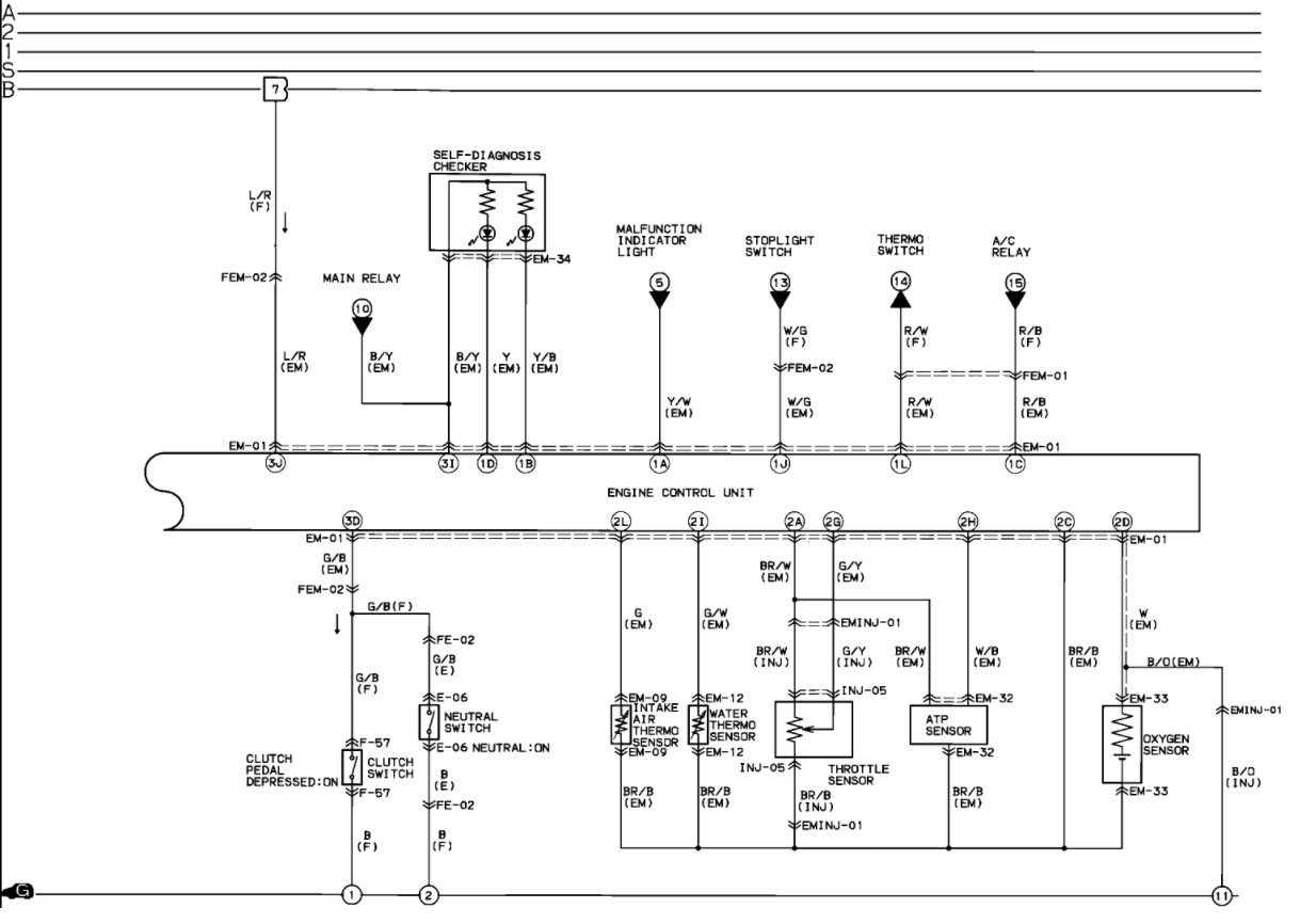
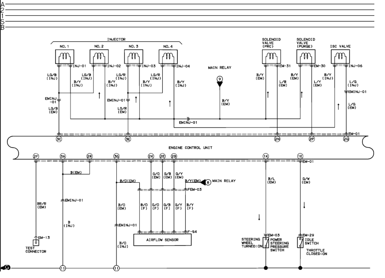
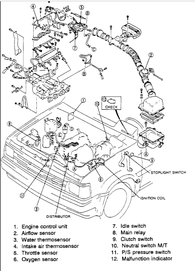
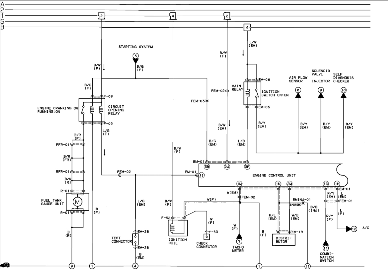
GOT A SMALL PROBLEM WITH MY TRUCK.i dont have a injector pulse.no matter what i try i cant seam to find the problem.wiring checks out new module in it and pickup.also changed the distributor computer(got 3 of those)(most parts came off a running truck that needed major motor work.)its getting spark,changed coils to a round one it had a 4 wire 2 plug coil the one i put in it all part stores said would work i called 5 different ones and all said same thing.changed out the wiring harness the wires were green with croasion.im unemployed and just ran out of unemployment comp so Im broke.spent the last few months working on truck trying all kinds of different things and nothing.i found a carb and intake for it thats a last ditch dont want to do that.at this point i can tell u what wire goes to where just by looking at it.the wire is a red wire with a wire surrounding it and a black and white wire going to the pickup and that in turns goes to the module i am so tired of being careless i cant get a job until i get it running and cant get trucking going with no money Im chasing my tail per say. if i got to check things tell where there located thanks
GOT A SMALL PROBLEM WITH MY TRUCK.i dont have a injector pulse.no matter what i try i cant seam to find the problem.wiring checks out new module in it and pickup.also changed the distributor computer(got 3 of those)(most parts came off a running truck that needed major motor work.)its getting spark,changed coils to a round one it had a 4 wire 2 plug coil the one i put in it all part stores said would work i called 5 different ones and all said same thing.changed out the wiring harness the wires were green with croasion.im unemployed and just ran out of unemployment comp so Im broke.spent the last few months working on truck trying all kinds of different things and nothing.i found a carb and intake for it thats a last ditch dont want to do that.at this point i can tell u what wire goes to where just by looking at it.the wire is a red wire with a wire surrounding it and a black and white wire going to the pickup and that in turns goes to the module i am so tired of being careless i cant get a job until i get it running and cant get trucking going with no money Im chasing my tail per say. if i got to check things tell where there located thanks
Dec 23, 2009 at 10:58 AM








