Master window switch wiring?

1997 DODGE DAKOTA
160,000 MILES • 5.2L • V8 • 4WD • AUTOMATIC
Avatar
JESTER6511
  • MEMBER
  • 1 POST
The master window switch wiring was cut and I got a new switch and I'm trying to figure out which wires go where to rewire this back right.
Jan 26, 2026 at 2:35 PM
Advertisement
Avatar
CARADIODOC
  • CERTIFIED EXPERT
  • 34,306 POSTS
Where were they cut, at the switch connector or between the door hinges? if it's between the hinges, do you mean someone actually cut the wires, or they just cracked apart on their own from the flexing?

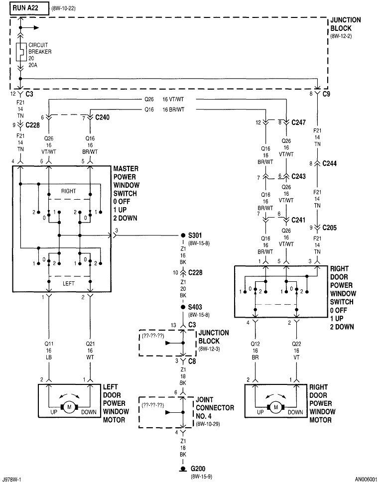
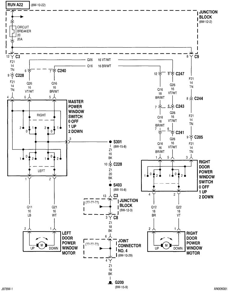
This is the diagram for the power windows. The second drawing shows the driver's switch terminal layout. Let me know what you need help with.
Jan 26, 2026 at 5:11 PM
Avatar
CARADIODOC
  • CERTIFIED EXPERT
  • 34,306 POSTS
Something isn't working with the images. I'll try again later.

Update: Okay, I got the images posted, but I don't know what was causing the trouble. Keep me updated on your progress.
Jan 26, 2026 at 5:24 PM
Advertisement
Avatar
CARADIODOC
  • CERTIFIED EXPERT
  • 34,306 POSTS
Something isn't working with the images. I'll try again later.
Jan 26, 2026 at 5:24 PM
Avatar
STRAILER
  • CERTIFIED EXPERT
  • 53,854 POSTS
try clearing your cache?
Jan 26, 2026 at 5:38 PM
Avatar
STRAILER
  • CERTIFIED EXPERT
  • 53,854 POSTS
The image upload is working for everyone else?
Jan 26, 2026 at 5:38 PM