MAP sensor?

2016 HONDA ACCORD
37,000 MILES
Avatar
OMAR GOMEZ
  • MEMBER
  • 2 POSTS
I accidentally left my MAP sensor unplugged. the engine light the steering wheel light and the tire pressure light are on while I was driving the car. it was driving rough. once I got when I was l was leaving the store the engine shut off. so I opened the hood and noticed the MAP sensor (computer sensor ) was disconnected so I plugged it back in. while I was driving home the engine seemed forced and the lights were still on. so I got home I parked it and I’m just waiting for the engine to cool off to see what happens.
Apr 29, 2020 at 4:36 PM
Advertisement
Avatar
ASEMASTER6371
  • CERTIFIED EXPERT
  • 52,796 POSTS
Good evening,

Did the engine run any better when you re attached the MAP sensor?

For the ECM to look for the signal, turn the engine off, hook it up and then restart it. the check engine light will reset after 50 key starts with no issues.

https://www.2carpros.com/articles/checking-a-service-engine-soon-or-check-engine-light-on-or-flashing

You could have it cleared by going to a parts store and have them clear the code.

The other lights have no effect on the MAP sensor issue.

Roy
Apr 29, 2020 at 5:37 PM
Avatar
MGLAMB
  • MEMBER
  • 1 POST
Hey guys, need help locating the MAP on my car. I can't seem to find it, could it be before the air filter?

Thanks in advance!
Dec 30, 2020 at 12:08 PM (Merged)
Advertisement
Avatar
DANNY L
  • CERTIFIED EXPERT
  • 5,648 POSTS
Hello, I'm Danny.

I've attached pictures below on how to replace the MAP sensor and included its location. Hope this helps and thanks for using 2CarPros.
Dec 30, 2020 at 12:09 PM (Merged)
Avatar
LILPD24
  • MEMBER
  • 1 POST
I'm having problems finding out the name of the harness that connects to the MAP sensor. I need to replace the whole harness because I had a rodent built a nest in my engine bay and made a snack out of a lot of wires/harness. : '( I don't have the money to pay a professional mechanic to fix the problems, so I plan on fixing all the wires that where damaged myself! I have pictures! If you can tell me the names of the objects It would help me greatly.

I have red arrows pointing to the objects (A-F) I need to replace. Anything would help and any information that's necessary of the objects.

If you can format something like this below. Thanks so much!
A)
B)
C)
D)
E)
F)
Dec 30, 2020 at 12:09 PM (Merged)
Avatar
STEVE W.
  • CERTIFIED EXPERT
  • 15,113 POSTS
Hello and welcome to 2CarPros. Aren't critters fun. With the damage you have found you would probably be better off getting the entire front engine harness assembly from a salvage yard. You could cut and splice all the damage but that is a lot of work that could be avoided by just replacing the entire harness. Plus there is likely other damage you have not discovered yet as there are harnesses that run underneath the intake and more.

Dec 30, 2020 at 12:09 PM (Merged)
Avatar
CRAGARS
  • MEMBER
  • 2 POSTS
Are MAP & MASS sensors one in the same? I know my Honda has a MAP but does it have a MASS?

My Honda has beeen down shifting to lower gears on the freeway where and when it never use to. It acts like it has less power so it has to downshift to keep the same freeway speed on slight inclines. I thought maybe I have a bad MAP or MASS sensor. I have no codes. Dealer says everything is fine since I don't have codes. Trans oil is good to. Something has changed, I just just don't what and know body can tell me w/o code. If it weren't for the downshifting, it runs fine, no other issues.
Dec 30, 2020 at 12:09 PM (Merged)
Avatar
BMRFIXIT
  • CERTIFIED EXPERT
  • 19,053 POSTS
Flushing the tranny helped in one similar case we had this is the procedure hope it help if elect to use it

1.Set the parking brake, and raise the vehicle on a lift.
2.Drain the trans, and refill it with Honda Genuine ATF-Z1.
3-Start the engine, shift into Drive, and release the parking brake.
4-Push down on the accelerator pedal to raise the vehicle speed to 2,500 rpm .
--If the trans shifts past 2nd gear, go to step 5.
-- If the trans won't shift past 2nd gear, keep the engine speed at 2,500 rpm and shift from Drive to Neutral and back to Drive. Then go to step 5.
5-Make sure that the trans shifts through all the forward gears and goes into torque converter lockup.
6-Let off the accelerator pedal, and press the brake pedal to drop the vehicle speed to zero. Shift into Reverse and then into Neutral.
7-Shift into Drive, and repeat steps 4 thru 6 four more times .
8-Set the parking brake, and repeat steps 2 thru 6 two more times .
9-Drain the trans, and reinstall the drain plug with a new sealing washer.
10-Refill the A/T with ATF-Z1.
Dec 30, 2020 at 12:09 PM (Merged)
Avatar
CRAGARS
  • MEMBER
  • 2 POSTS
That's it, all I get is one reply (not directed at you MBRFIXIT). Thought for sure somone would have more to suggest.
Dec 30, 2020 at 12:09 PM (Merged)
Avatar
SRC
  • MEMBER
  • 1 POST
Electrical problem
1997 Honda Accord 4 cyl Two Wheel Drive Manual

my car is running really richand im having and idle surge idle will be jumping up and down , was told from map sensor since its not connected . picked up the plug for it from a junk yard and im trying to rewire it but cant seem to find the wire for it so im trying to make my own wiress since the engine harness costs 700 can u please help me and tell me which and what goes where thank you
Dec 30, 2020 at 12:10 PM (Merged)
Avatar
KHLOW2008
  • CERTIFIED EXPERT
  • 41,814 POSTS
Hi src, Is the Check Engine Light showing and what is the trouble code? The MAP sensor and TPS sensor wires are near each other, check the harness where they meet the main engine harness. Here are the wire color codes.


https://www.2carpros.com/forum/automotive_pictures/192750_MAPSensorWire97Accord_1.jpg

Dec 30, 2020 at 12:10 PM (Merged)
Avatar
ROSHANTHAW
  • MEMBER
  • 1 POST
1995 Honda Accord

what is the map sensor and where is it located in the engine ?
Dec 30, 2020 at 12:10 PM (Merged)
Avatar
BLUELIGHTNIN6
  • CERTIFIED EXPERT
  • 16,542 POSTS
Your Manifold Absoulte Pressure (MAP) sensor is located in the emission control box, on center of engine firewall. The manifold absolute pressure sensor provides instantaneous manifold pressure information to the engine's electronic control unit (ECU). This is necessary to calculate air density and determine the engine's air mass flow rate, which in turn is used to calculate the appropriate fuel flow
Dec 30, 2020 at 12:10 PM (Merged)
Avatar
TOSSUPGIRL
  • MEMBER
  • 1 POST
the book says map sensor someone over the phone told me it was a mass air flow sensor and im not sure. my car does the hick a buck and jerks when i give it gas like its not getting any gas. just replaced fuel pump and filter but the problem is still there. am i on the right track to fix it?
Dec 30, 2020 at 12:10 PM (Merged)
Avatar
RASMATAZ
  • CERTIFIED EXPERT
  • 75,992 POSTS
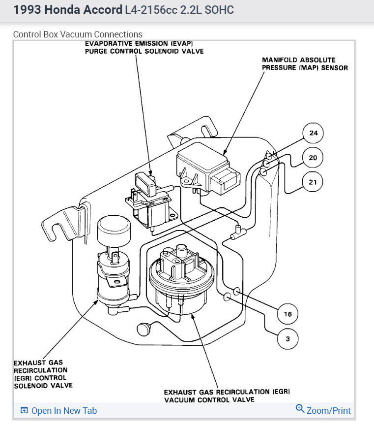
Check the MAP and throttle position sensor-might be wise to check also the fuel pressure with a gauge here is the MAP sensor location. Check out the diagrams (Below). Please let us know if you need anything else to get the problem fixed.
Dec 30, 2020 at 12:10 PM (Merged)
Avatar
ROBYNWILLETTE
  • MEMBER
  • 1 POST
1990 Honda Accord 4 cyl Two Wheel Drive Manual

I need to replace my map sensor and I don't know where to find it's location
Dec 30, 2020 at 12:10 PM (Merged)
Avatar
BLUELIGHTNIN6
  • CERTIFIED EXPERT
  • 16,542 POSTS
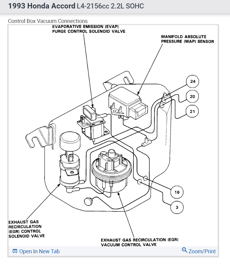
MAP sensor is located in conrtol box at right rear corner of engine compartment, pictured below..


https://www.2carpros.com/forum/automotive_pictures/261618_Graphic_22.jpg

Thanks for using 2CarPros.com!
Dec 30, 2020 at 12:10 PM (Merged)