Map lights glowing

2010 FORD F-150
75,000 MILES • 5.4L • V8 • 4WD • AUTOMATIC
Avatar
MMCMINN1
  • MEMBER
  • 6 POSTS
Map lights glowing when turned off. With map lights turned off they glow real dim, this tells me that there is some feed back out power. This tells me that I have a grounding problem. Do you have a wiring diagram of the grounding locations? I searched for diagrams on line but couldn't find them. Thank you.
Oct 31, 2019 at 4:46 AM
Advertisement
Avatar
SCGRANTURISMO
  • CERTIFIED EXPERT
  • 4,897 POSTS
Hello,

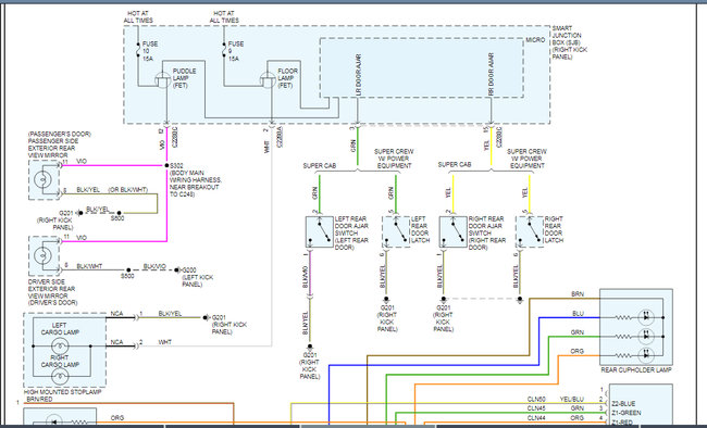
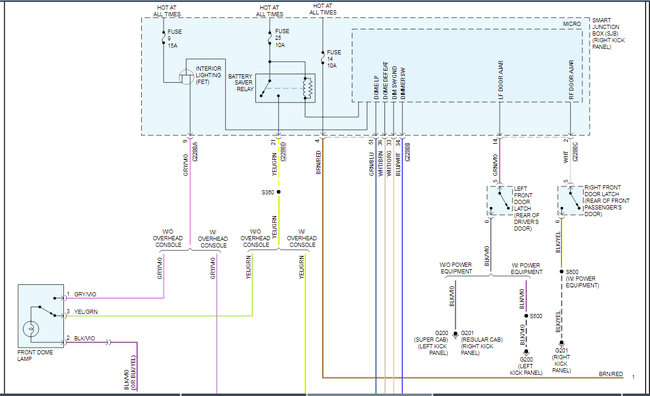
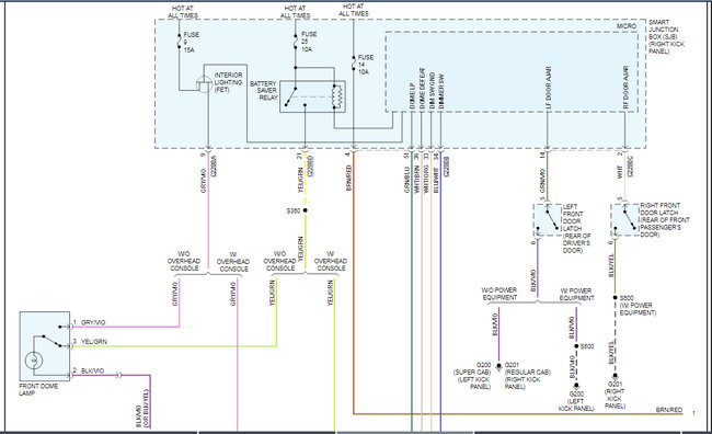
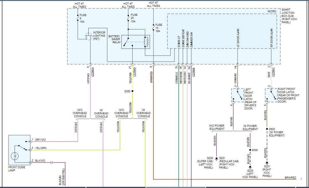
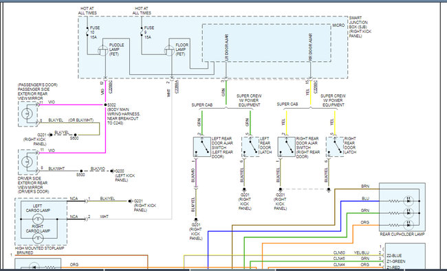
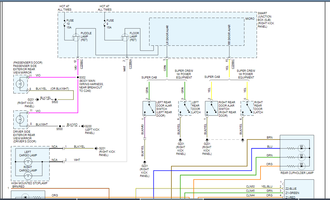
This sounds to me like you could have a problem with the map light switch. In the diagrams down below I have included the wiring diagrams for the interior lighting circuits for your vehicle. I would look for a short to power in the map light switch and would recommend replacing the whole assembly. This is due to the fact that there is still power to the light even when it is switched off, as it still has a dull glow. A ground problem would also cause a dim bulb, but only when it was switched on. Please go through the diagrams down below and get back to us with what you are able to find out.

Thanks,
Alex
2CarPros
Oct 31, 2019 at 1:26 PM
Avatar
MMCMINN1
  • MEMBER
  • 6 POSTS
Would this map lights circuit be connected to the low beam head light circuit in any way?
Oct 31, 2019 at 3:44 PM
Advertisement
Avatar
SCGRANTURISMO
  • CERTIFIED EXPERT
  • 4,897 POSTS
Hello again,

No, not unless that is were there is a short to power, causing the low beams and the map light to share voltage and causing both to dim.

Thanks,
Alex
2CarPros
Oct 31, 2019 at 5:03 PM