Hello,
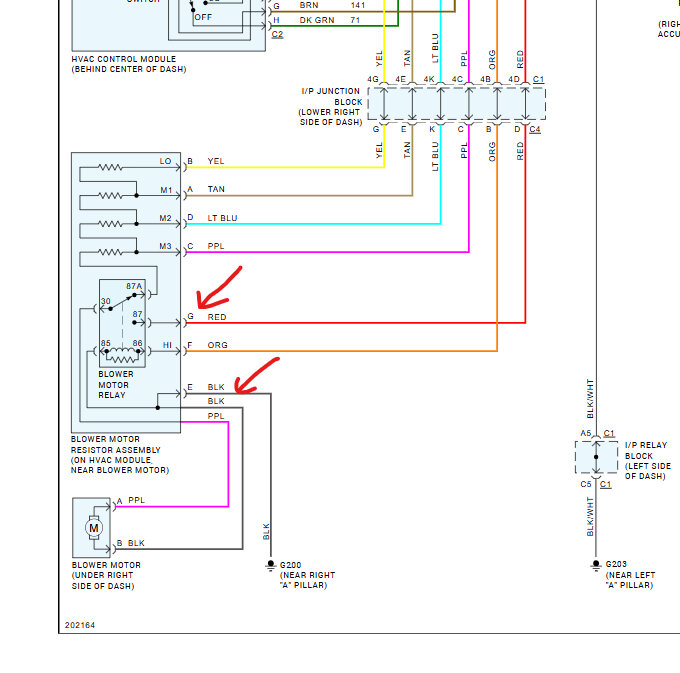
I have a 2005 Chevy Tahoe, with manual front/rear climate control that is not working for front and rear. The factory Boss stereo turns on but no sound from amp. I've put in a new Climate control module, new blower motor resistor and blower motor.
The red wire in the resistor wire was melted when I started the project.I just received this truck. The stereo sound came on after a day of working on replacing the HVAC parts, next day no sound. I noticed the HVAC control module lights were not coming on with vehicle lights and believe I have a bad ground that is common to the stereo/amp.
I've checked all fuses with a multimeter but I'm also new to using one. I've been looking at wiring diagrams. The common ground connecting wires near the A pillar ar ok from looking at it through the windshield, but the connector with 2 ground wires leading to it is deep under the dash near the windshield. I've been visually checking orange wires coming from both HVAC Module and stereo, as well as ground wires.
Any help would be appreciated.
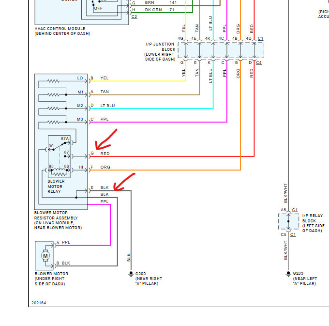
I have a 2005 Chevy Tahoe, with manual front/rear climate control that is not working for front and rear. The factory Boss stereo turns on but no sound from amp. I've put in a new Climate control module, new blower motor resistor and blower motor.
The red wire in the resistor wire was melted when I started the project.I just received this truck. The stereo sound came on after a day of working on replacing the HVAC parts, next day no sound. I noticed the HVAC control module lights were not coming on with vehicle lights and believe I have a bad ground that is common to the stereo/amp.
I've checked all fuses with a multimeter but I'm also new to using one. I've been looking at wiring diagrams. The common ground connecting wires near the A pillar ar ok from looking at it through the windshield, but the connector with 2 ground wires leading to it is deep under the dash near the windshield. I've been visually checking orange wires coming from both HVAC Module and stereo, as well as ground wires.
Any help would be appreciated.
Feb 21, 2026 at 5:32 PM


