Manifold vacuum

1996 MERCURY SABLE
92,000 MILES • 3.0L • 6 CYL • 2WD • AUTOMATIC
Avatar
DAVID COOK2
  • MEMBER
  • 1 POST
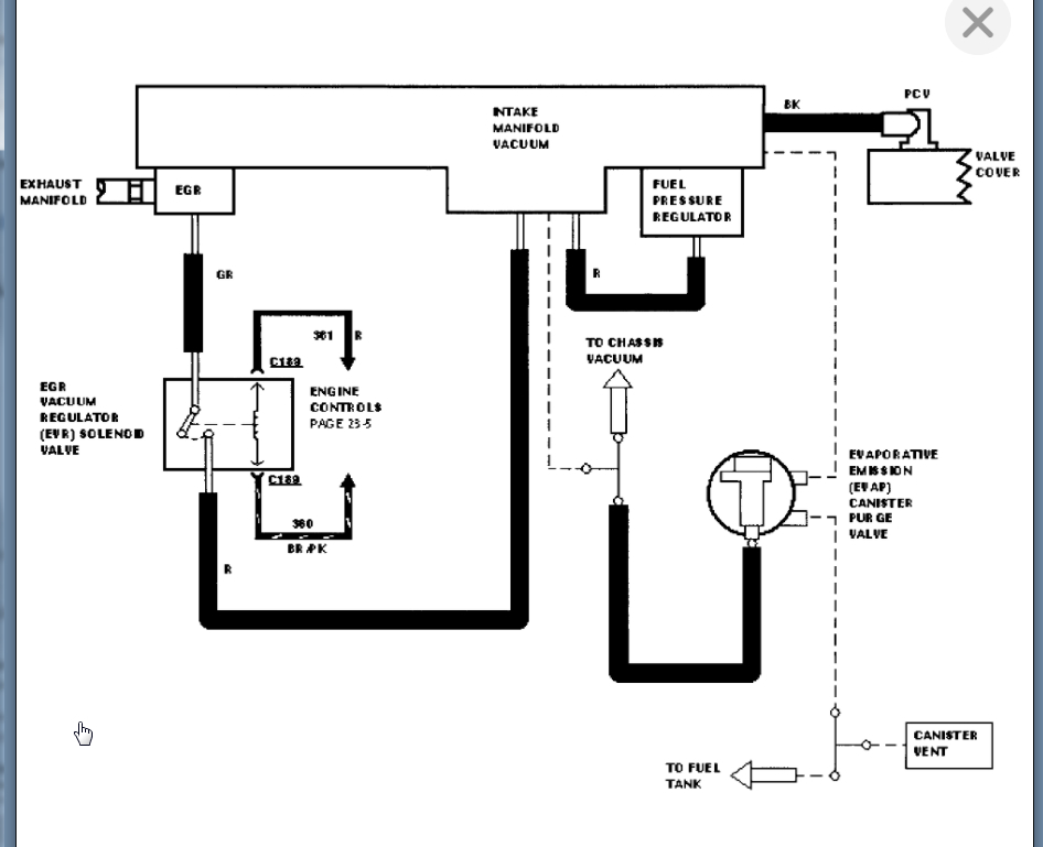
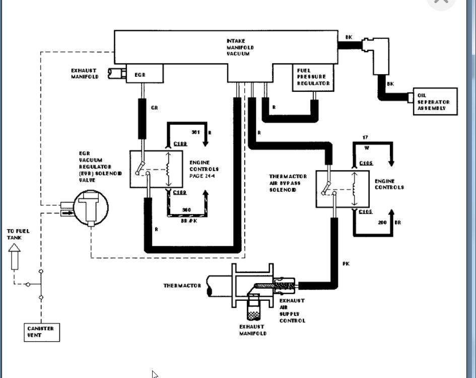
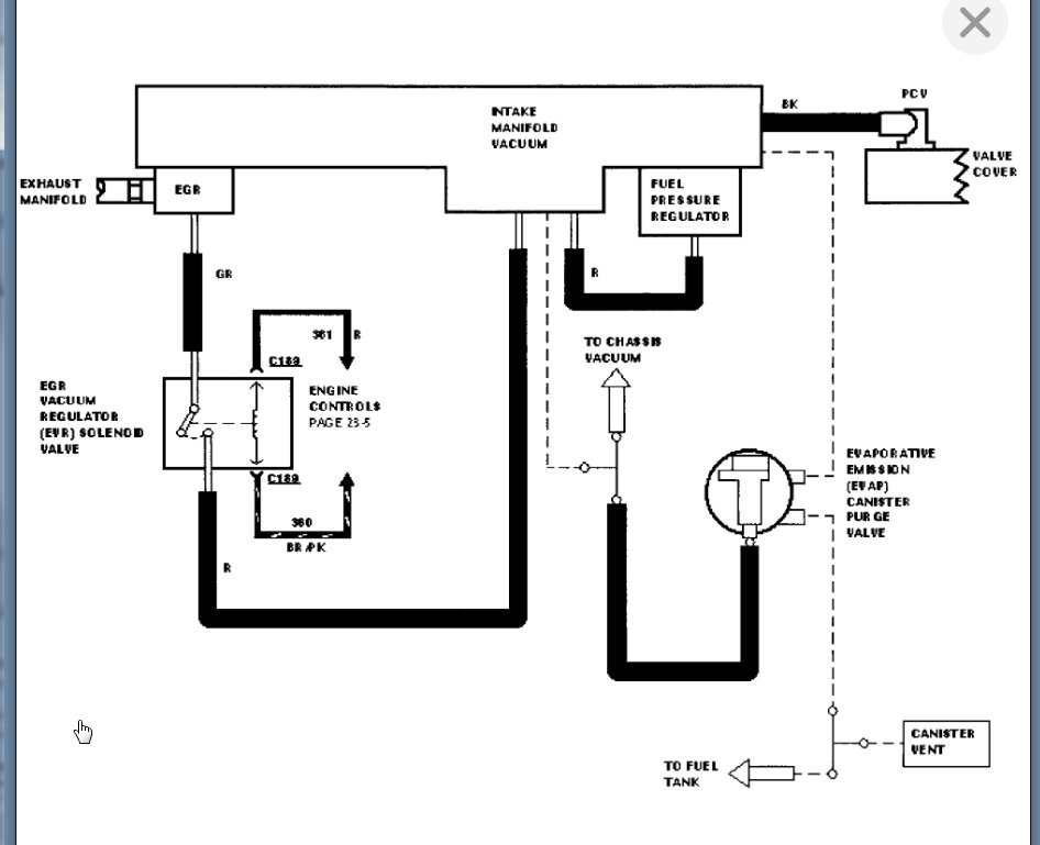
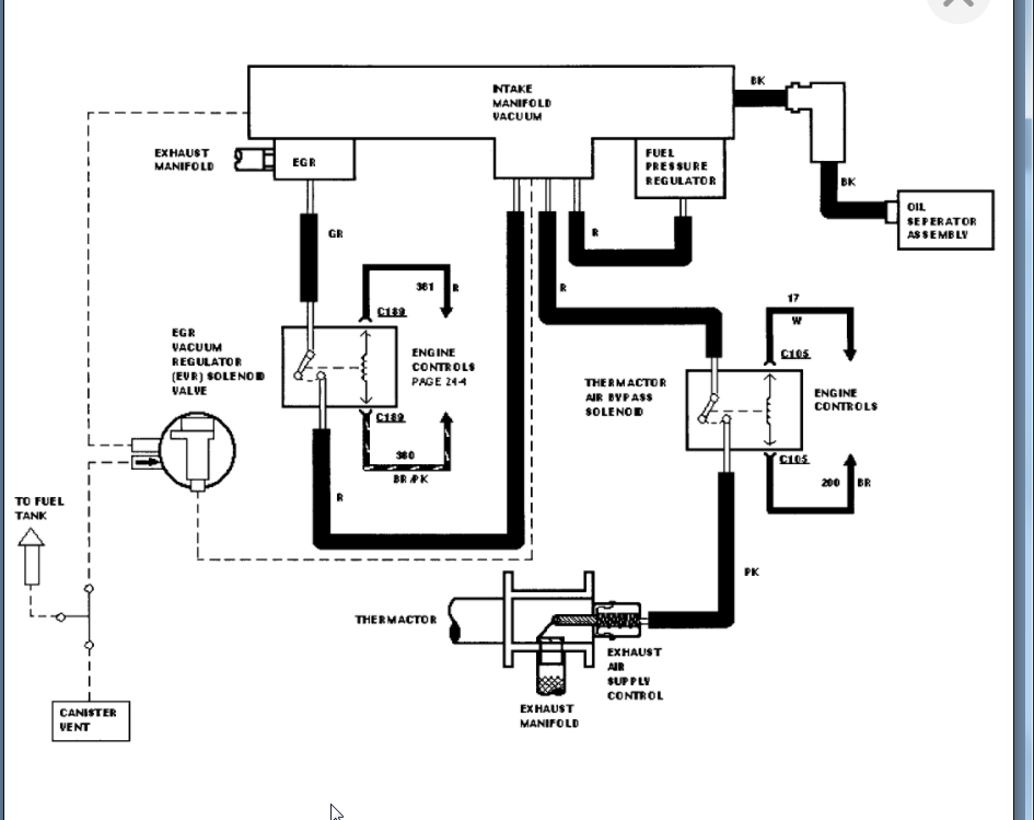
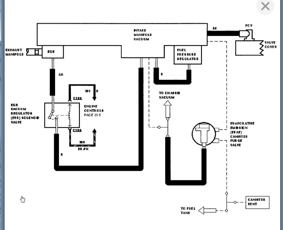
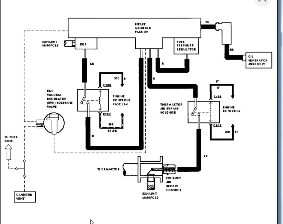
There are 2 vacuum connections on the side of the intake manifold near the throttle body on the back side. The large one goes to the vacuum junction on the firewall. The smaller one next to it goes where?
Oct 9, 2020 at 2:00 PM
Advertisement
Avatar
KASEKENNY
  • CERTIFIED EXPERT
  • 18,907 POSTS
That depends on what motor you have. I assume you have the SOHC engine as there are two hoses on the intake where you described. However, I attached both diagrams of the vacuum lines. The first is the SOHC. The second is the DOHC engine.

Let us know if you need more info.
Oct 9, 2020 at 2:45 PM