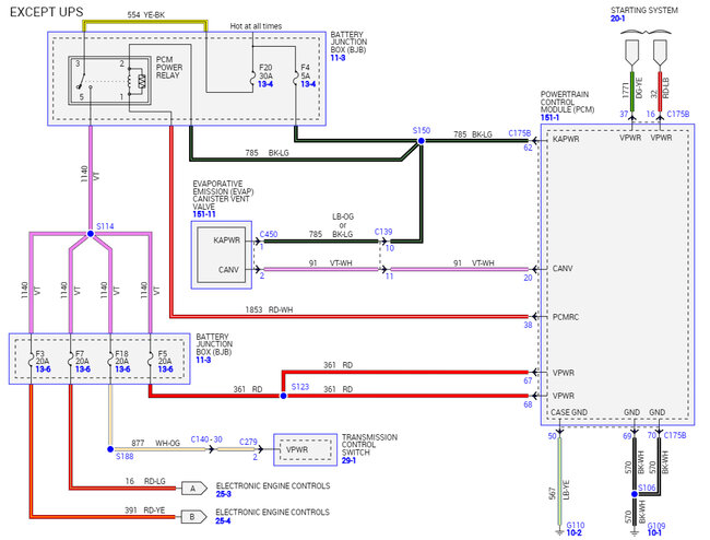
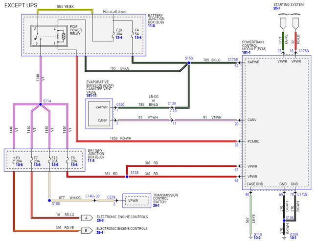
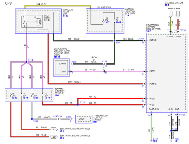
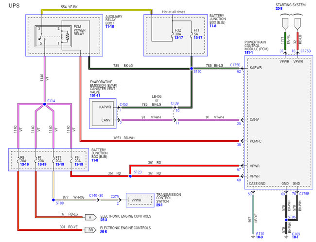
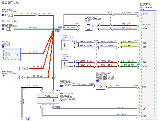
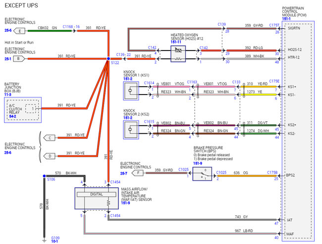
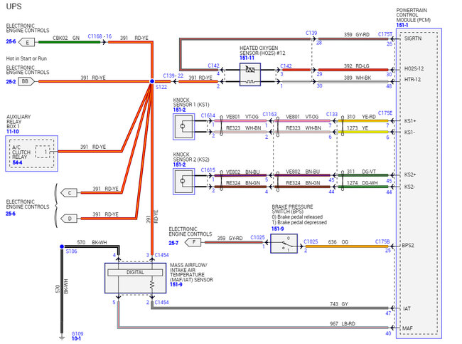
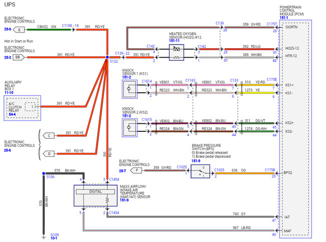
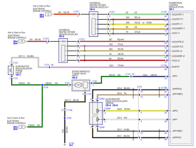
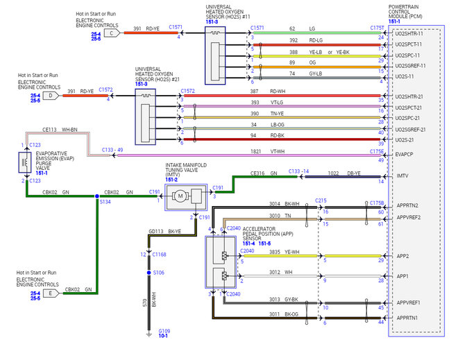
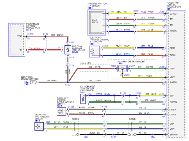
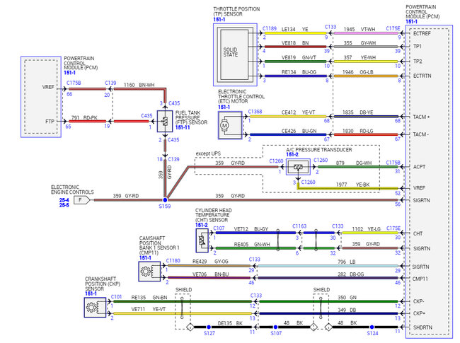
I'm working on the truck listed above F59 stripped chassis VIN #1F66F5KY3G0A11192 with a 6.8L gas engine. I wanted to find out if you would know where I could find the main engine wiring harness for the above vehicle because it's not available dealer / aftermarket / salvage yard locators anywhere. The Ford OEM part number is #GU9Z12A581D; again, I've tried everywhere with no luck and you're my last hope. thanks.
Oct 27, 2023 at 8:56 AM












