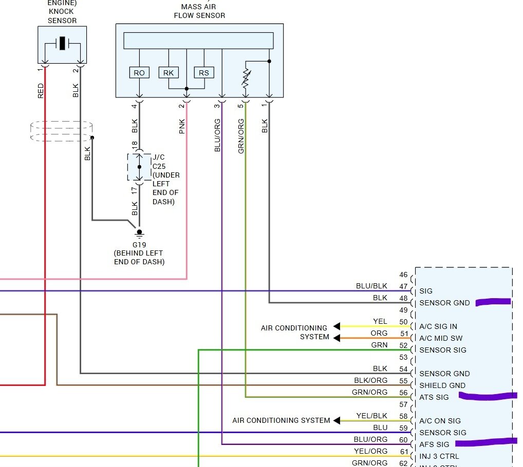
Did a resistance test on mass airflow sensor with the following result...
power to ground 14.3 ohm
ground to temp sensor 2.3 ohm
no reading on ground to input
The power to ground reading seems high to me, and I am unsure of the ground to temp reading, do any of these indicate that I have a failed or failing sensor?
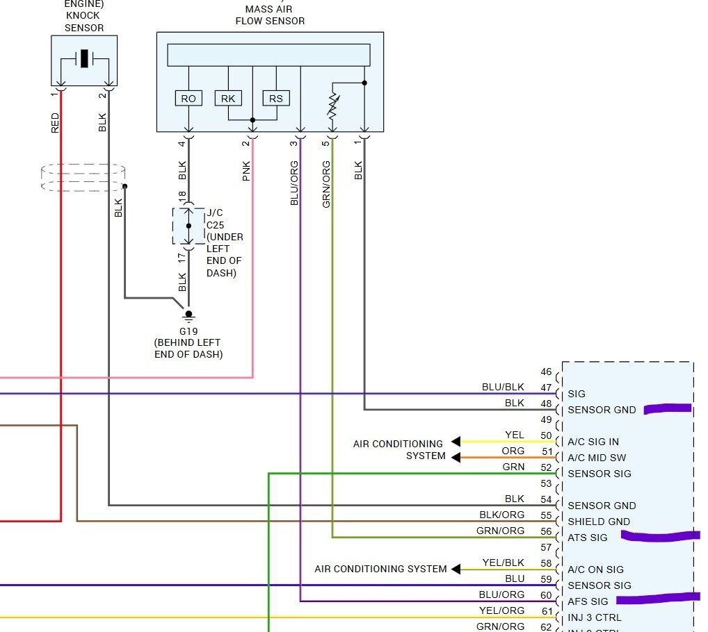
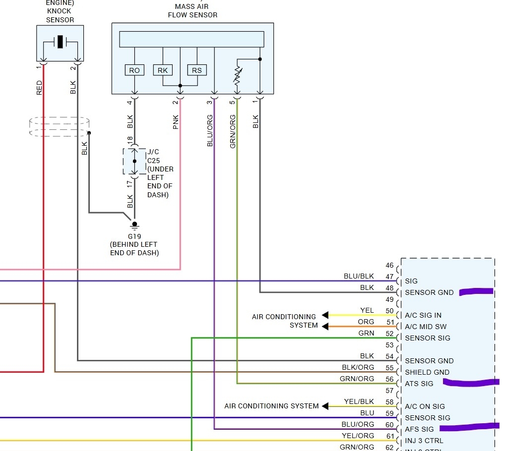
power to ground 14.3 ohm
ground to temp sensor 2.3 ohm
no reading on ground to input
The power to ground reading seems high to me, and I am unsure of the ground to temp reading, do any of these indicate that I have a failed or failing sensor?
Apr 7, 2025 at 8:06 AM


