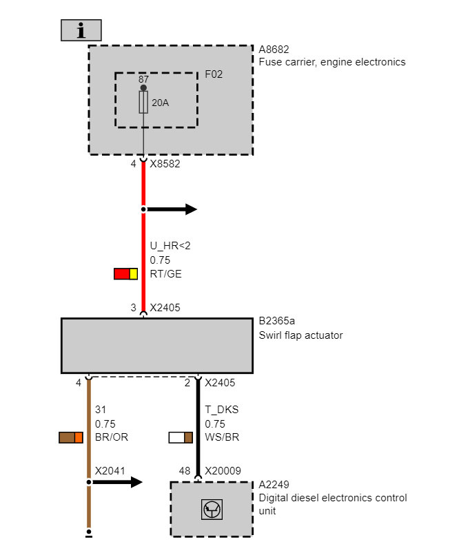
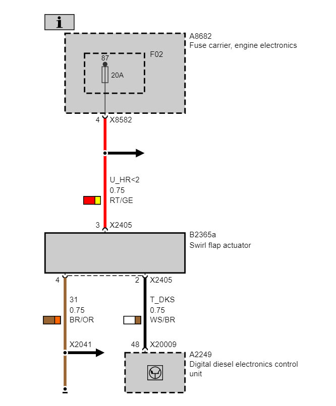
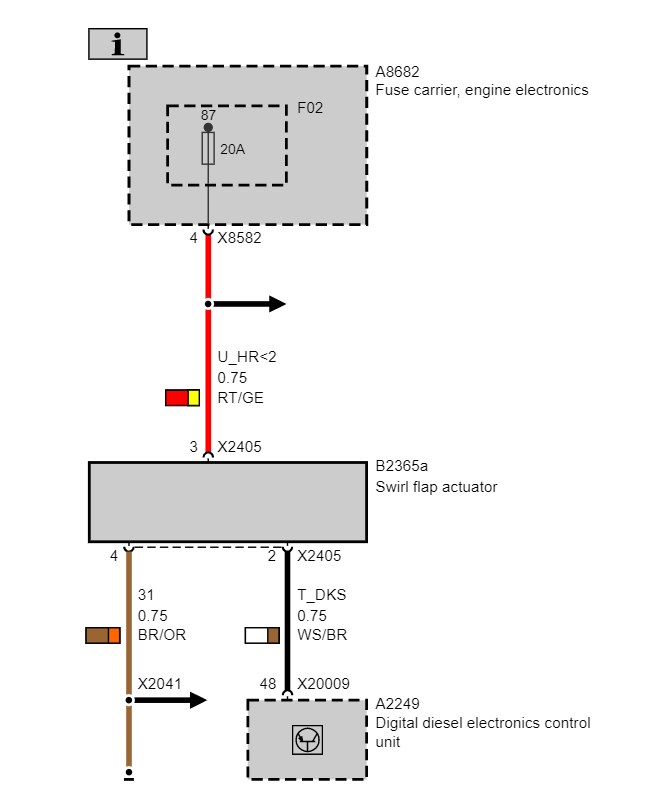
I keep getting a maf code every 3-7 miles of driving, sometimes I make it home with twenty-five miles before it comes on, once engine light is on engine speed is reduced so I delete the code while driving and am back to normal.
This is the 335dn diesel motor. When I cleaned the ERG, I had to remove the maf boot and noticed that the map sensor harness was connected but had a piece of tape on it. Removed the tape as it is holding good...
This is the 335dn diesel motor. When I cleaned the ERG, I had to remove the maf boot and noticed that the map sensor harness was connected but had a piece of tape on it. Removed the tape as it is holding good...
May 9, 2022 at 11:29 AM















