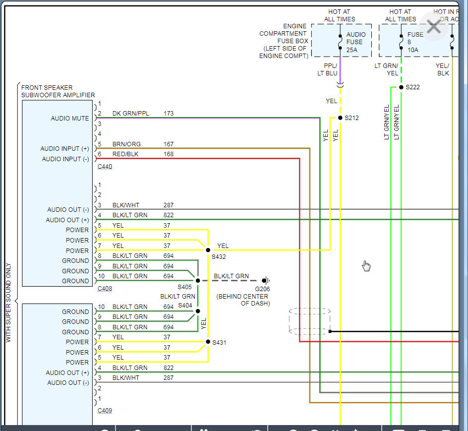
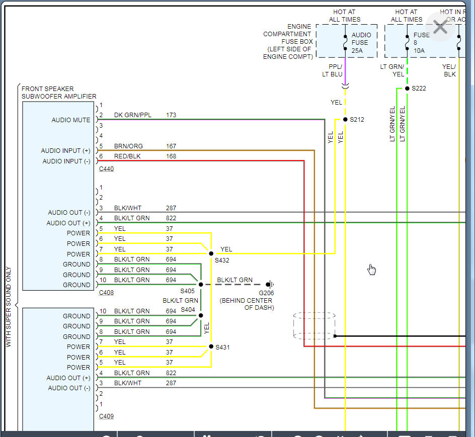
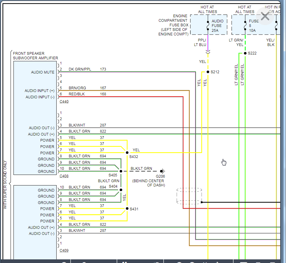
Hello guys, I need to get a wiring diagram for my car listed above GT's Mach 1 stereo system, please. I am really interested to see if the head unit goes to a pre amp or not. Thanks for all you guys do.
Oct 1, 2020 at 9:55 PM






